Alternator not charging battery

Tiny
MATT ROBINSON
  • MEMBER
  • 1998 INFINITI QX4
  • 3.0L
  • 6 CYL
  • 4WD
  • AUTOMATIC
  • 200,000 MILES
Put a new alternator in an still wont charge battery.
My battery light is not on which is weird, it works but not on.
Sunday, October 20th, 2019 AT 3:35 PM

1 Reply

Tiny
KASEKENNY
  • MECHANIC
  • 18,907 POSTS
Hi,

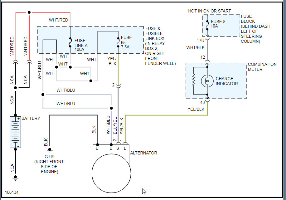
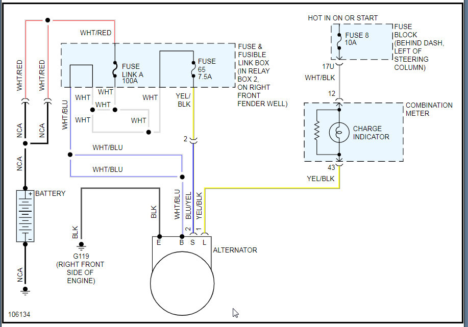
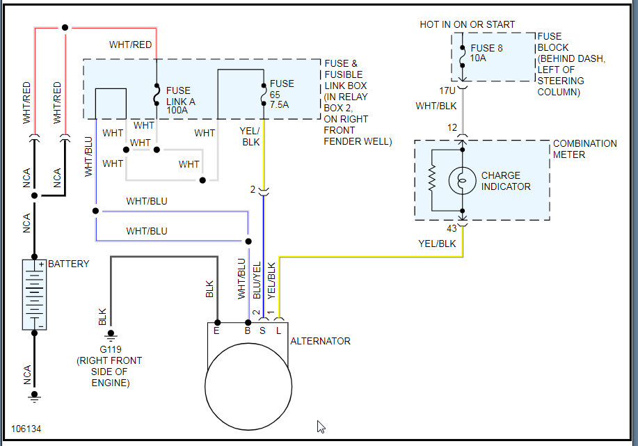
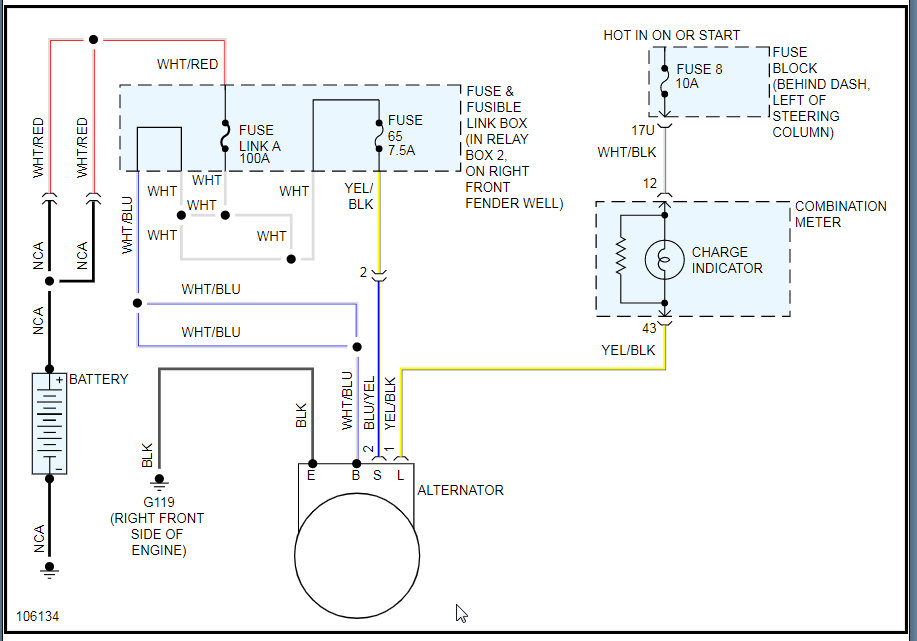
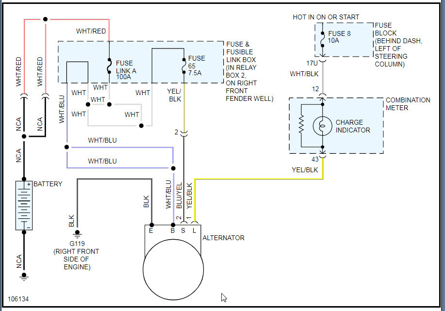
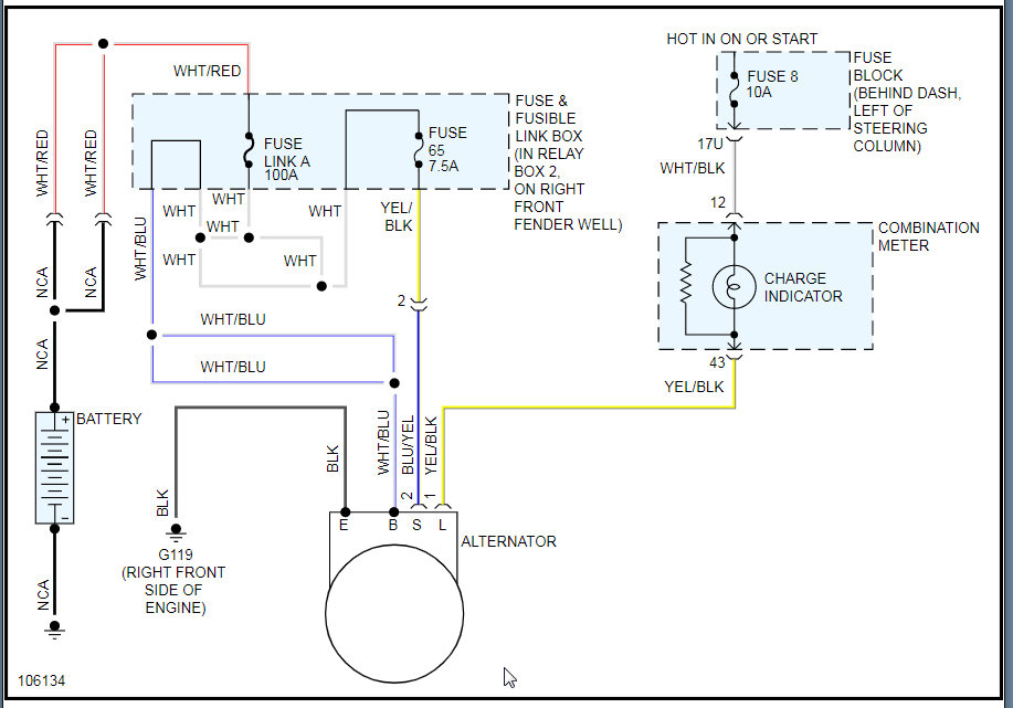
What is the output when the engine is running at 2500 RPM? I attached the spec to see if we are even close.

Also, I attached the flow chart for charging issues with the wiring diagram because we will need to get into measuring voltage if it is under the spec.

Let me know and we can go from there. Thanks
Was this
answer
helpful?
Yes
No
Monday, October 21st, 2019 AT 2:58 PM

Please login or register to post a reply.