HOME
ASK A QUESTION
REPAIR GUIDES
BECOME A MEMBER
LOG IN
Login with Facebook
OR
Remember me
NOT A MEMBER?
FORGOT PASSWORD?
CONTACT US
PRIVACY POLICY
TERMS AND CONDITIONS
☰
Home
Mercury
Villager
Electrical
Alternator
Fuse
Alternator fuse removal
CARSON STEC
MEMBER
1999 MERCURY VILLAGER
1.5L
4 CYL
2WD
AUTOMATIC
200,000 MILES
Trying to remove alternator fuse and need help.
Wednesday, July 15th, 2020 AT 2:40 PM
1 Reply
JACOBANDNICKOLAS
MECHANIC
110,176 POSTS
Hi,
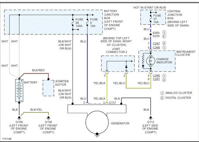
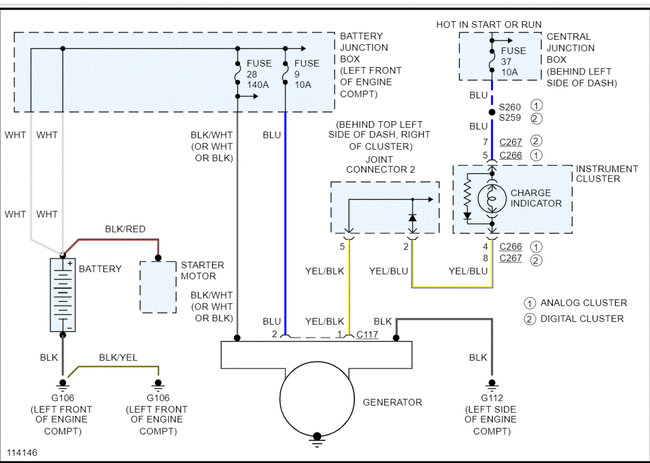
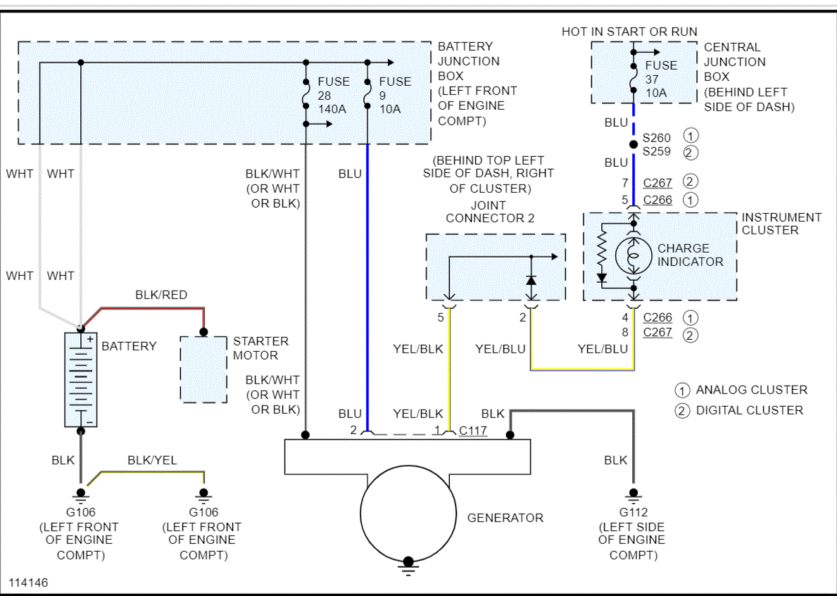
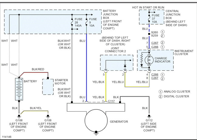
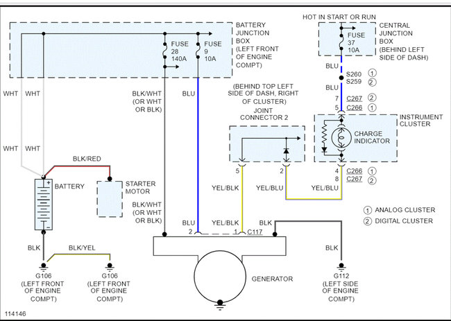
I attached a copy of the wiring schematic for the charging system. Which fuse are you having trouble? They both should pull straight out of the box. If possible, take a pic of what you are dealing with and upload it for me to see.
Joe
Image (Click to make bigger)
Was this
answer
helpful?
Yes
No
-1
Wednesday, July 15th, 2020 AT 3:05 PM
Please
login
or
register
to post a reply.
Related Alternator Fuse Content
How To Remove And Replace Alt Fuse (140amp) From Under...
How To Remove And Replace Alt Fuse (140amp) From Under Hood And Replace. I Really Need Some Help.
Asked by
jeaniemarlene
·
3 ANSWERS
1999
MERCURY VILLAGER
VIDEO
How to Use a Test Light
Instructional repair video
GUIDE
Alternator Replacement
Got a red battery warning light on? This most likely means the alternator has gone out and needs a replacement. To confirm the failure use a voltmeter to test the alternator...
1999 Mercury Villager Alternator
I Need Instructions On How To Remove The Alternator
Asked by
Alfonso
·
1 ANSWER
1999
MERCURY VILLAGER
1994 Mercury Villager How Long Will Alternator Last?
My Villager Is Almost 200k Miles, And I Still Drive It For Long Distance. Sometimes I Worry That The Alternator Brush Would Run Out While I...
Asked by
handiono
·
1 ANSWER
1994
MERCURY VILLAGER
1993 Mercury Villager No Power To Anything Except...
I Was Putting A New Battery In And Accidentally Connected The Negative/ground Cable To The Positive Terminal On The Battery And Vice-versa...
Asked by
jhthomas2005
·
1 ANSWER
1993
MERCURY VILLAGER
Ask a Car Question. It's Free!
Alternator Replacement
Alternator Replacement
Alternator Replacement