Alternator/charging

Tiny
CKG6
  • MEMBER
  • 2009 PONTIAC G6
  • 3.5L
  • 6 CYL
  • 2WD
  • AUTOMATIC
  • 231 MILES
Replaced Alternator/battery. Still having issues. Noticed a burning smell. Electrical.
Saturday, January 11th, 2020 AT 11:05 AM

8 Replies

Tiny
KASEKENNY
  • MECHANIC
  • 18,907 POSTS
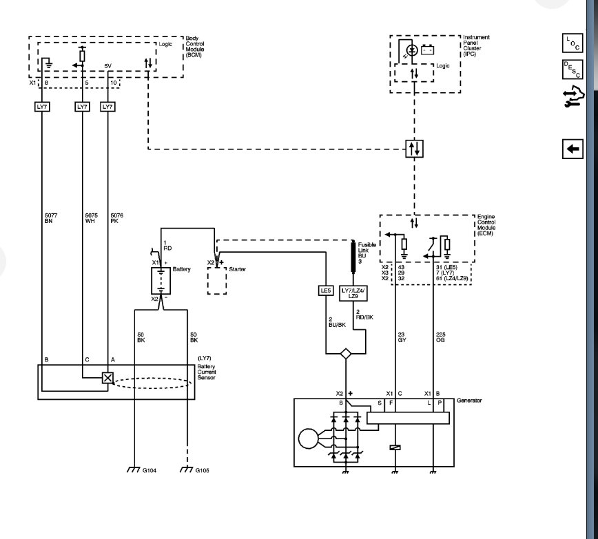
Have you tested the output of the alternator? I suspect the burning wires you are smelling is the 12V feed wire to the alternator. A lot of times this wire will melt due to over voltage and cause additional charging issues. However, if the wires to the ECM are the issue then more than likely you have an issue with the ECM as well.

You need to test resistance of these wires and see what they are. Let me know what questions you have and we can go from there.

https://www.2carpros.com/articles/how-to-check-wiring
Was this
answer
helpful?
Yes
No
Saturday, January 11th, 2020 AT 5:54 PM
Tiny
CKG6
  • MEMBER
  • 6 POSTS
The shop I took it to I assume they tested everything. When I picked it up on 01/08/20 when I started it I noticed the burning smell right away and the battery light was on. Turned car off and started it up again light went off. While driving the next few days the burning smell did go away the next day but the light would still come on so I would just shut the car off and restart and it would go away. Everything seemed fine the first few days but Saturday ( 01/11/20) morning on my way to work it crapped out again. Got a jump but as soon as I took the cables off it shut off. So I was able to get a jump pack and hook it up so I could drive it back to shop which was only a few blocks away. As soon as the jump pack was off it was dead again. The alternator that was put on was a new Delco after two aftermarkets failed (now i'm thinking they were not bad at all just something causing them to burn out). I am guessing the burnt smell was causing the Delco to go bad and that's why it only lasted a few more days. The first time this happened was 12/18/19. Replaced Alt with after aftermarket. Was good for about a week then it died. Replaced battery.(12/27/19) everything was fine but I believe I still had a intermittent no start the first time I turned the key. This happened a few times. Then after waiting a few seconds tried again and it would start. Then later on 12/27/19 it shuts off again (jumped it but not holding a charge). Took it to a shop close to home whom I knew. Sent them another aftermarket re-manufactured. They put it on and told me to send another one saying it was bad. Called me and said don't send it is an electrical issue. They thought maybe the aftermarkets were not good so that's when I sent then a new Delco. They said it fixed the problem but I noticed when I went to pick it up that night the light was on and that smell. Sorry so long. Very frustrating.
Was this
answer
helpful?
Yes
No
Monday, January 13th, 2020 AT 11:19 AM
Tiny
KASEKENNY
  • MECHANIC
  • 18,907 POSTS
Maybe I wasn't following but what is current state? Is it dying as soon as you remove the cables and it is still doing that or did you take it back to the shop and they found an electrical issue?

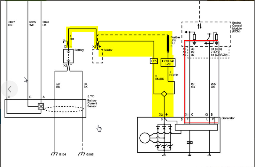
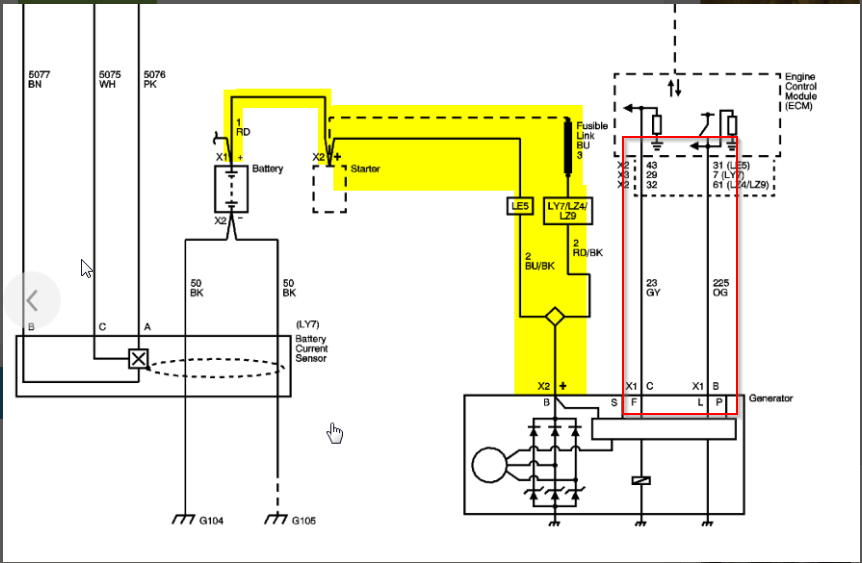
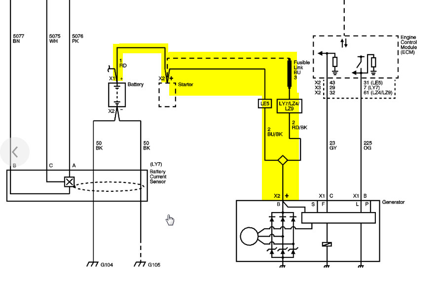
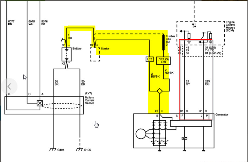
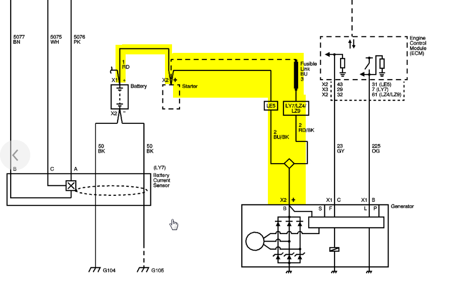
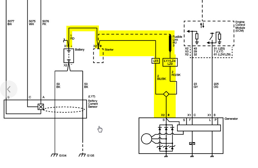
I think you are correct that something is shorting out the control wire for the alternator and more than likely it is the ECM. However, this can be confirmed by testing the voltage on each of the wires shown below.
Was this
answer
helpful?
Yes
No
Monday, January 13th, 2020 AT 1:42 PM
Tiny
CKG6
  • MEMBER
  • 6 POSTS
Current state is it is at the shop since this past Saturday. When it died out Saturday morning I did have someone stop and give me a jump. But as soon as I took the cables off it shut off. Where the car shut off and the shop I took it to are only a few blocks away from my house. So I pushed it back to the house. Then I went to the shop to get there jump box and used that to jump it and keep the pack on the car while I drove it the few blocks to the shop. As soon as I got to the shop and took the jump box off it would not start again. The first time I had it at the shop they said it was an electrical issue. But obviously not fixed.
Was this
answer
helpful?
Yes
No
Tuesday, January 14th, 2020 AT 6:45 AM
Tiny
KASEKENNY
  • MECHANIC
  • 18,907 POSTS
Okay. Got it. The vehicle stalling as soon as the jump box comes off is probably due to a shorted cell in the battery and it didn't have enough voltage to keep the engine running, Even though the alternator is there it still needs the battery.

However, I am sure they checked that. It is only Tuesday but hopefully they are making head way because this is an odd one. Please keep us updated.
Was this
answer
helpful?
Yes
No
Tuesday, January 14th, 2020 AT 4:57 PM
Tiny
CKG6
  • MEMBER
  • 6 POSTS
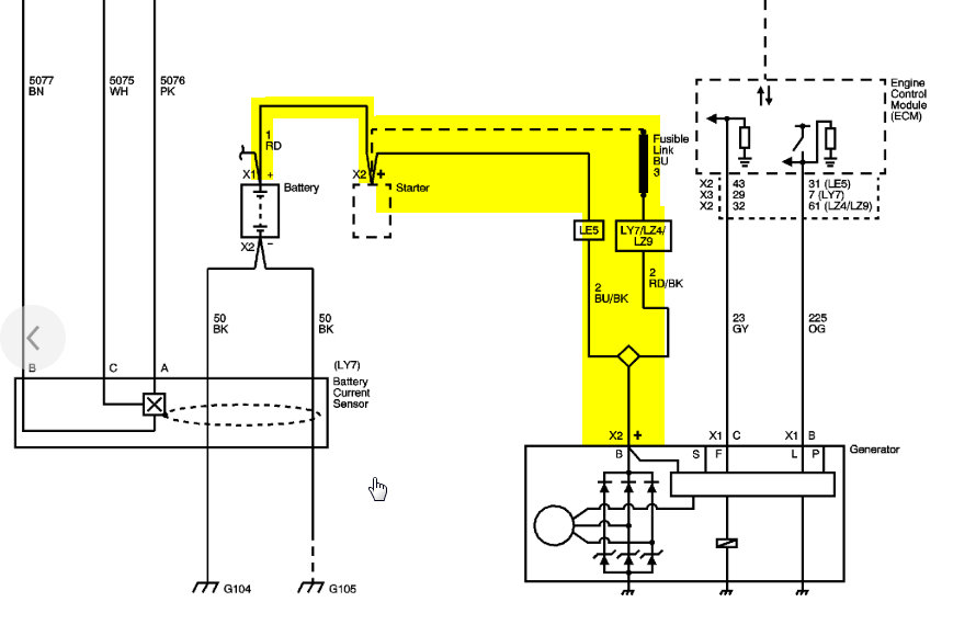
Talked to the shop today. Said the starter is shorting on the solenoid and burned the main feed cable. So I sent over a starter and they were getting said cable. Hopefully hear some good news tomorrow.
Was this
answer
helpful?
Yes
No
Tuesday, January 14th, 2020 AT 6:55 PM
Tiny
CKG6
  • MEMBER
  • 6 POSTS
Do you have a shop? And if so location?
Was this
answer
helpful?
Yes
No
Tuesday, January 14th, 2020 AT 6:56 PM
Tiny
KASEKENNY
  • MECHANIC
  • 18,907 POSTS
Hopefully we do get some good news. I do not have a shop. I actually work for one of the auto manufactures as a field engineer. My retirement hobby will be running my own shop so when that happens, I will let you know. :)

Let me know what they find. Thanks
Was this
answer
helpful?
Yes
No
Wednesday, January 15th, 2020 AT 5:39 PM

Please login or register to post a reply.