Saturday, February 24th, 2007 AT 4:40 PM
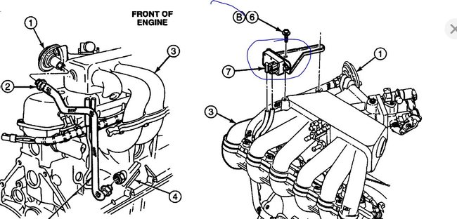
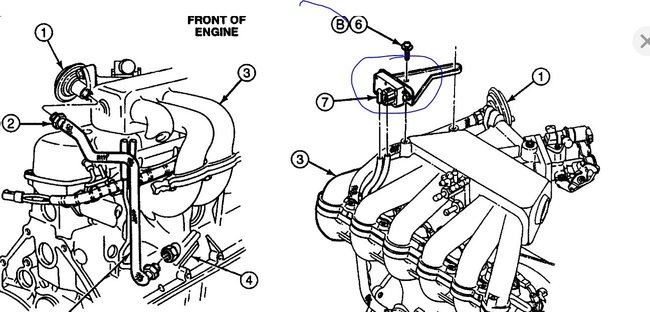
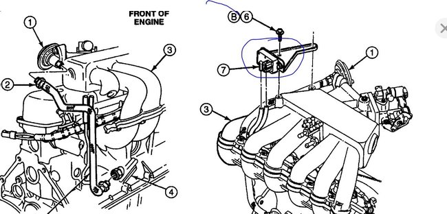
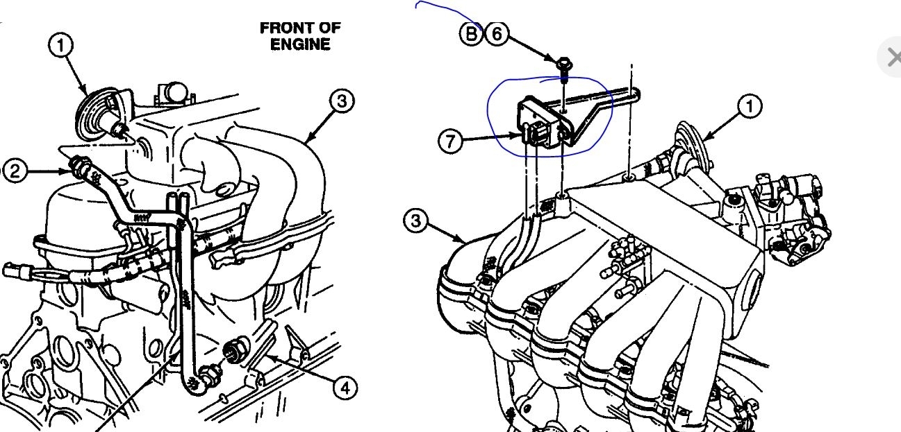
I have a 96 F-150. 4.9L inline six engine. My check engine light came on. Trouble codes read 171(System too lean bank 1) 174 (System too lean bank 2) and 401 (EGR flow insufficient). Where is a good place to start? Truck seems to run sluggish and sometimes after stopping from high speed on the highway it will stall. Any help will be great.





