All lights come on the outside of the truck when key is not in the ignition?

Tiny
CCRABB6712
  • MEMBER
  • 2015 GMC SIERRA
  • 6.0L
  • V8
  • 4WD
  • AUTOMATIC
  • 118,000 MILES
The truck was sitting outside with the key not in the ignition and I noticed headlights, brake lights and running lights came on for no reason. It could be a ground problem.
Monday, September 4th, 2023 AT 6:37 AM

5 Replies

Tiny
KEN L
  • MASTER CERTIFIED MECHANIC
  • 55,488 POSTS
It could be or you have a BCM going bad, to be sure we need to do a CAN scan. You can get a CAN scanner (Controller Area Network) which will work on most cars from Amazon.

Here is a video to show you how:

https://youtu.be/u-4syLc-ifQ

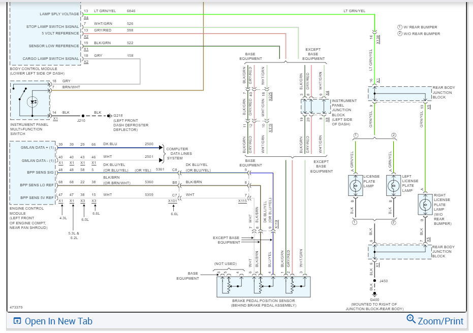
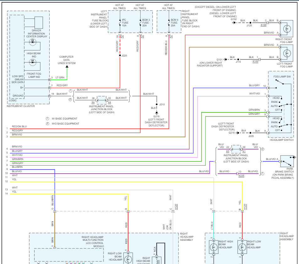
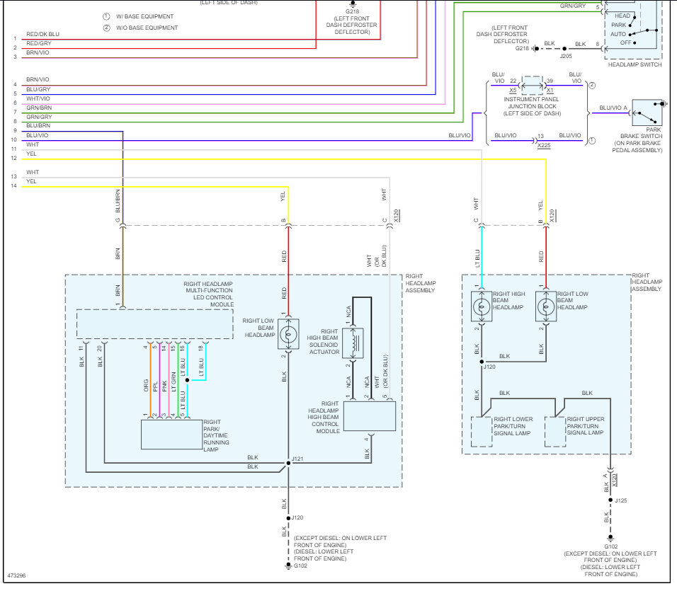
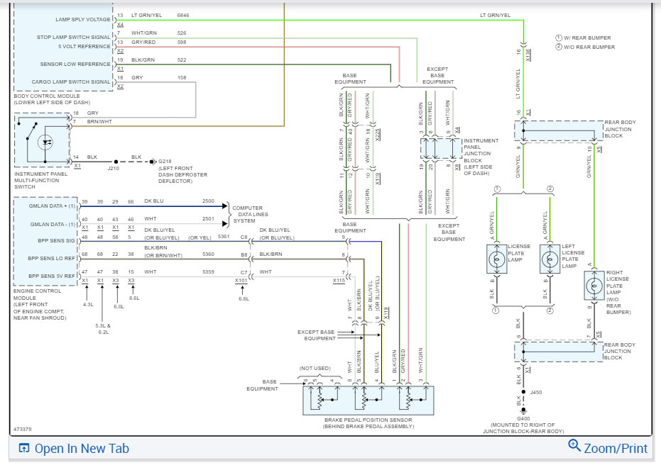
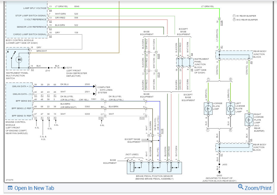
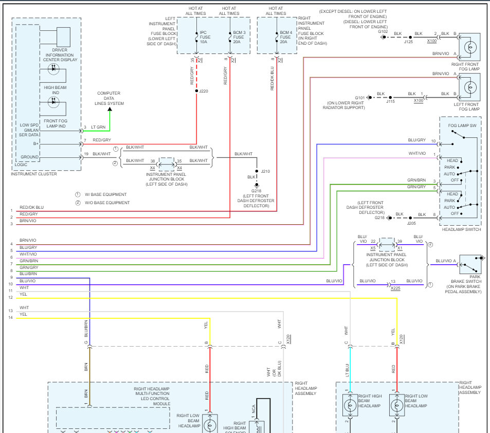
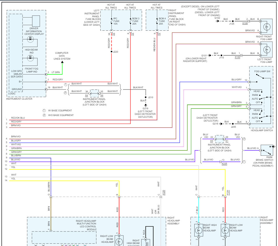
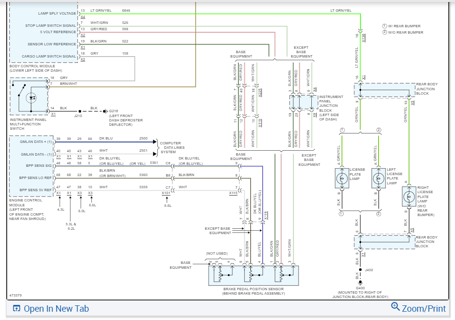
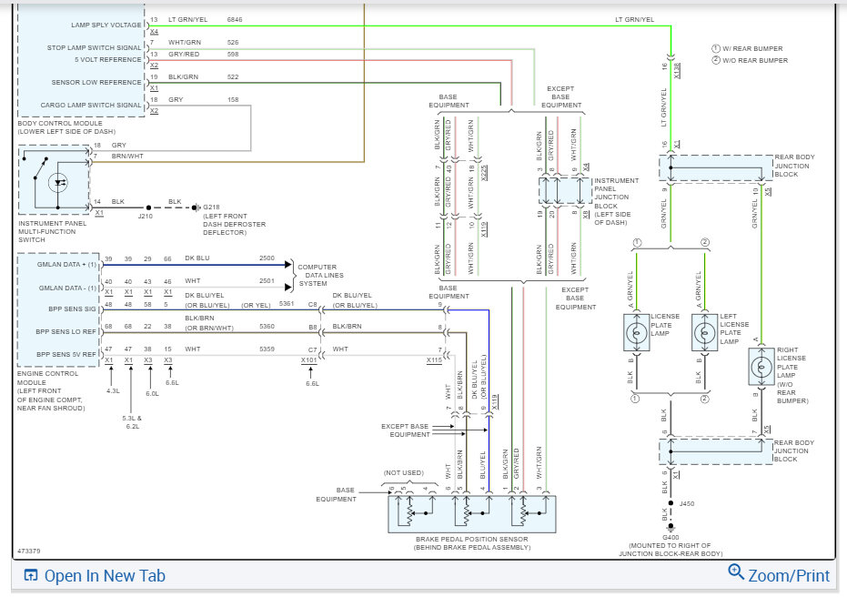
Here are the wiring diagrams for the systems so you can see how the lighting works, and I have included the BCM replacement instructions as well. You can see the lights or controlled by the BCM, you can get a preprogrammed unit by searching Google or Ebay. Check out the images (below). Let us know what happens and please upload pictures or videos of the problem so we can see what's going on.
Was this
answer
helpful?
Yes
No
Monday, September 4th, 2023 AT 1:15 PM
Tiny
CCRABB6712
  • MEMBER
  • 2 POSTS
Thanks, my son is a mechanic and not sure also if the computer will need to be reprogrammed. I have had issues when I could not use the touch option on the touch screen at all.
Was this
answer
helpful?
Yes
No
Monday, September 4th, 2023 AT 6:04 PM
Tiny
CCRABB6712
  • MEMBER
  • 2 POSTS
I put the fuse back in and right now it has my location.
Was this
answer
helpful?
Yes
No
Tuesday, September 5th, 2023 AT 4:04 AM
Tiny
KEN L
  • MASTER CERTIFIED MECHANIC
  • 55,488 POSTS
You can get a pre-programmed BCM by searching Google or Ebay. The touch screen could be the same issue, a bad BCM.
Was this
answer
helpful?
Yes
No
Tuesday, September 5th, 2023 AT 11:21 AM
Tiny
CCRABB6712
  • MEMBER
  • 2 POSTS
Also, could My problem be a body control module but need to wait for my problem to come back again. I just plugged in the fuse to the radio and right now the problem has not come back and also, I turned off the lights to the door when I open it to help with the diagnosis it may be a door switch as well going bad. Just asking for your opinion. Thanks.
Was this
answer
helpful?
Yes
No
Tuesday, September 5th, 2023 AT 5:19 PM

Please login or register to post a reply.