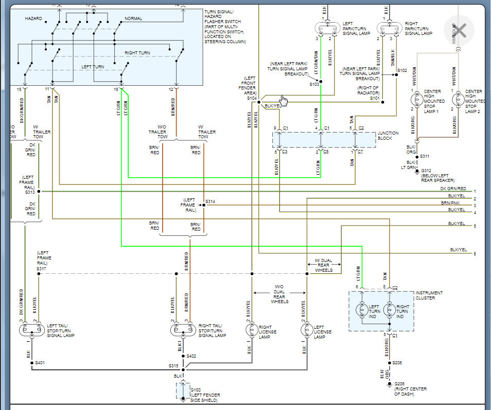
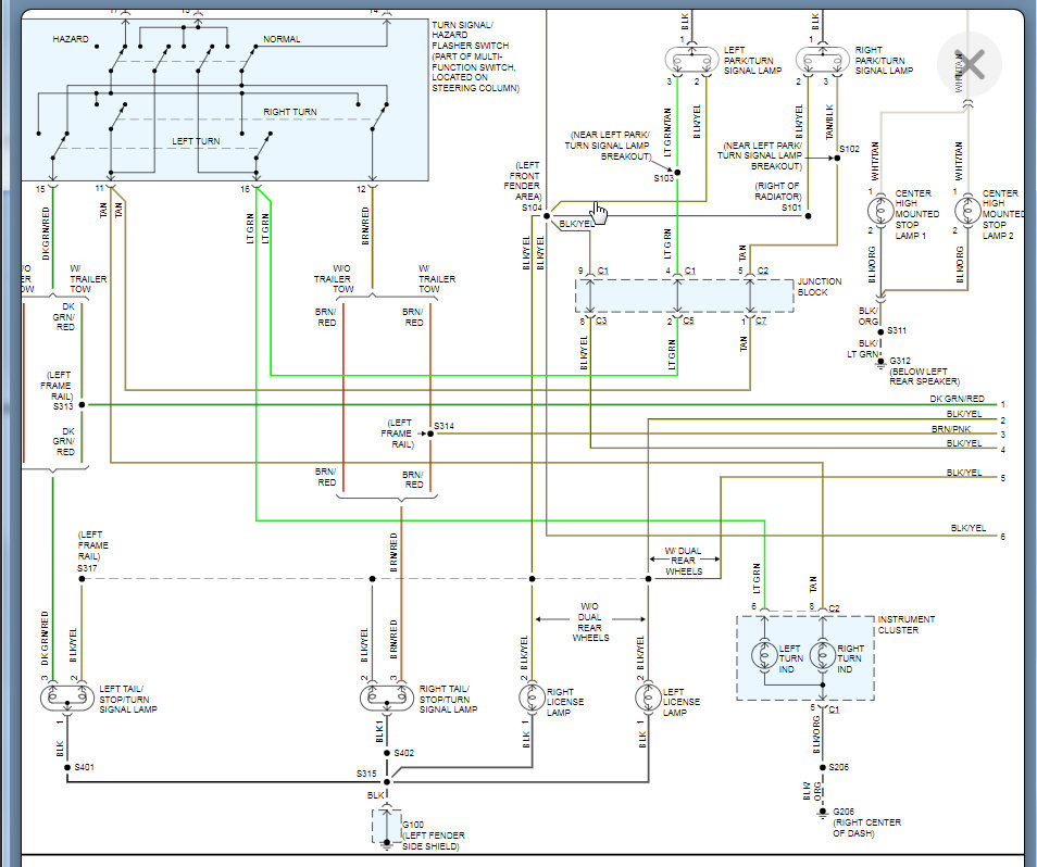
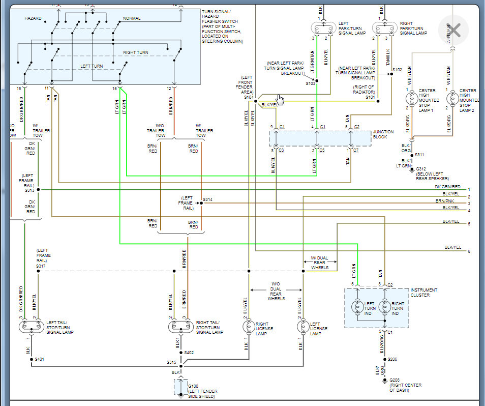
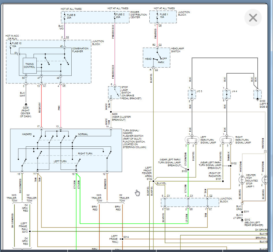
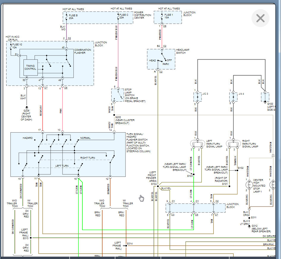
Thursday, April 29th, 2021 AT 4:58 AM
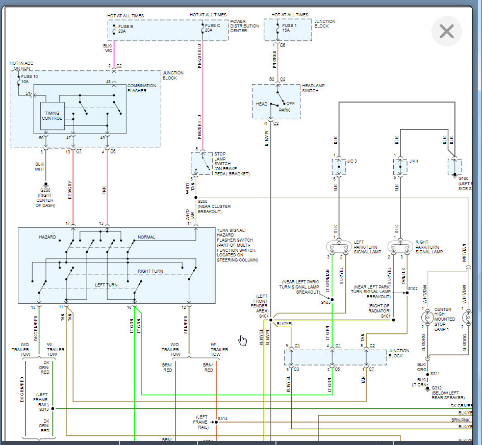
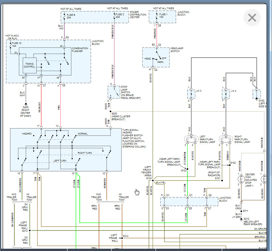
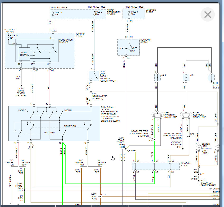
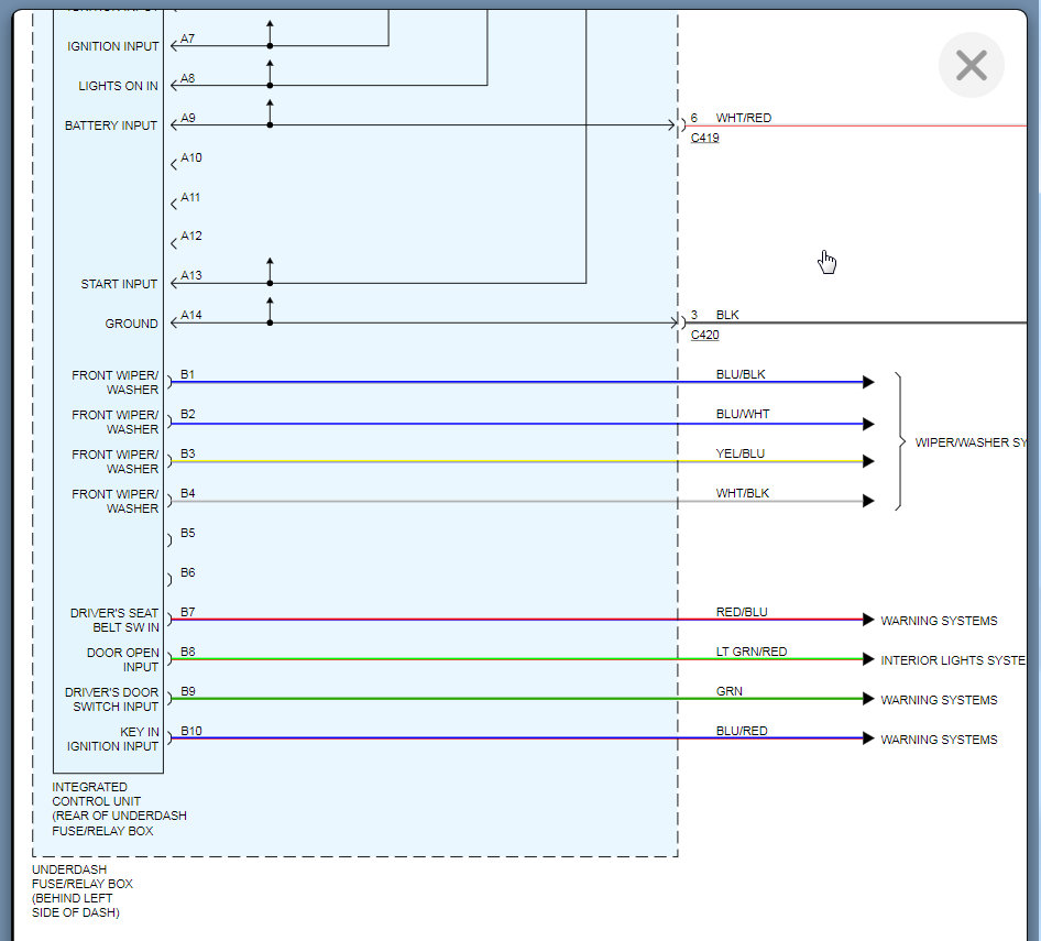
I added LEDs and a new head unit for my radio as well as took the center consul out and painted it. Once I put it all back together my speedometer RPM temperature and fuel gauges did not work as well as my warning lights. I tried all fuses dimmer switch unplugged head unit among many others I’m at a loss.






