Monday, January 9th, 2023 AT 3:21 PM
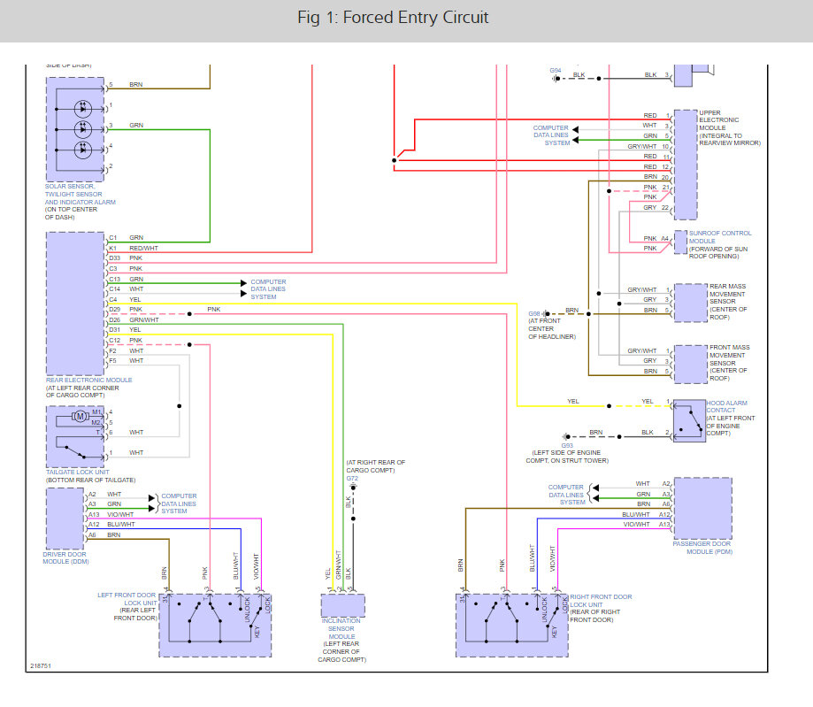
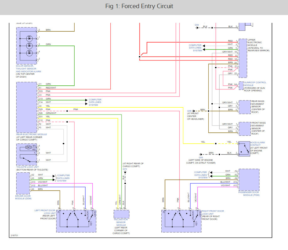
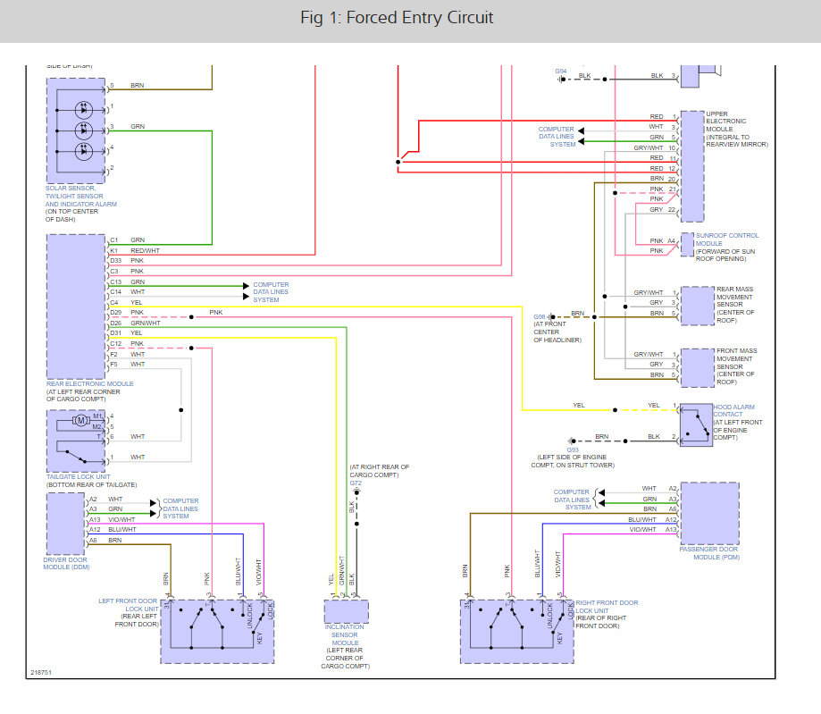
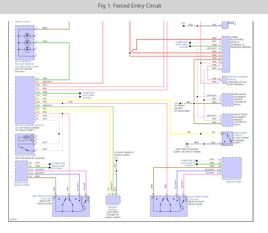
The vehicle is running well just the alarm siren work arm and sound when pushing the panic button, a message appears at the messages window saying the alarm system requires service. I can make sure where the fuse alarm is as I checked the side panel inside the vehicle, but I have just 13 fuses there some fuse diagrams show fuse # 28 also under the dashboard I disconnect the fuse counting from the left in that raw I need please some help and get the right fuses diagram for my vehicle listed above is a T6 2.9 turbo six cylinders.








