Thursday, August 26th, 2021 AT 7:14 AM
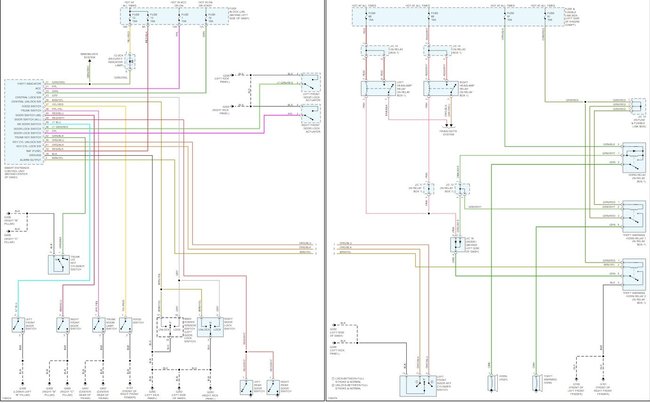
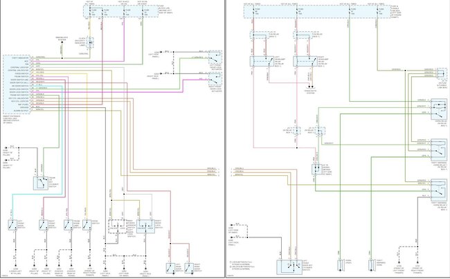
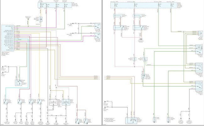
I have been dealing with this problem since I purchased this car. The dash cluster lights stay on without the key until the battery is disconnected. I've tested for drain and found that the short is somewhere in the factory alarm wiring. Do I have to test each wire individually? Also the horn constantly blows but I have the fuse out now. Any help and alarm wiring diagram would be greatly appreciated. Thank you in advance.


