Alarm not working

Tiny
LESLEY GOVENDER
  • MEMBER
  • 2004 VOLKSWAGEN GOLF
  • 1.4L
  • 4 CYL
  • 4WD
  • MANUAL
  • 260,000 MILES
I bought this car and the remote is working but the alarm and central locking not working at all. I checked the fuses and everything is okay.
Tuesday, July 14th, 2020 AT 6:23 AM

13 Replies

Tiny
4DRTOM
  • MECHANIC
  • 467 POSTS
Good morning,

When you say the remote is working but the alarm and locks aren't. What about the remote is working then? A lot of VW's the body module that controls the locks are under the drivers seat under the carpet. They tend to get wet under there causing issues with the wiring harness and the module itself. Check for wetness under there and any corrosion of the wires and harness.
Was this
answer
helpful?
Yes
No
Tuesday, July 14th, 2020 AT 7:01 AM
Tiny
LESLEY GOVENDER
  • MEMBER
  • 8 POSTS
What was happening the park light was staying on. The previous owner said they pulled out the fuse so I want to know what number fuse should I look at.
Was this
answer
helpful?
Yes
No
Tuesday, July 14th, 2020 AT 11:24 AM
Tiny
LESLEY GOVENDER
  • MEMBER
  • 8 POSTS
If it's wet how do I solve the problem with the module?
Was this
answer
helpful?
Yes
No
Tuesday, July 14th, 2020 AT 11:35 AM
Tiny
4DRTOM
  • MECHANIC
  • 467 POSTS
Hi Lesley,

Sorry for the delay, I got pulled away for the day. Give me a minute and I will dig up the fuse panel legend and post it. If you find wetness then get all the way to the metal under the car make sure there's not a puddle. I've seen those get quite a lot of sitting water under some VW's drivers seats where the module lives. If that's what you find then look for a rubber plug in the floor and remove it, it's a drain plug for this issue, pull the other side plug as well to see if anything drains as well. There are plugs under every seat in the Passat's I know. I'm not sure about the other models.
Drying out a fully soaked carpet pad take a bit of time to dry. First thing is to get it to drain then a towel or paper towels will get most of the real wetness and some in the carpet but that will need a heat lamp if you have one. Then the old fashioned style which it to park it in the sun with the windows slightly open, just a crack to let what evaporates escape the car. I you in fact do have moisture in there you will be seeing fog in the windows when it is parked in the heat of the sun. Let us know what you find. Most of the time I've seen this issue the wiring harness leading to the module actually rots away and mod itself survives but with repairable because the plug terminals are what corrodes and breaks off. Lets verify its wet first, then if we need to get into the harness or the module we pick it up from there. I've had good luck with used BCM's for them.
Let us know,
Tom
Was this
answer
helpful?
Yes
No
Tuesday, July 14th, 2020 AT 10:58 PM
Tiny
4DRTOM
  • MECHANIC
  • 467 POSTS
Here is your fuse legends in the different locations.
Let us know what you find.
Tom
Was this
answer
helpful?
Yes
No
Tuesday, July 14th, 2020 AT 11:48 PM
Tiny
LESLEY GOVENDER
  • MEMBER
  • 8 POSTS
Sorry it's a VW citi golf 1. I don't have fuse on the battery.
Was this
answer
helpful?
Yes
No
Wednesday, July 15th, 2020 AT 12:18 AM
Tiny
LESLEY GOVENDER
  • MEMBER
  • 8 POSTS
The car headlights they disconnected the brights and now the outer headlights are driving and brights lights. So I connected the the brights back it's working but the headlights still the same.
Was this
answer
helpful?
Yes
No
Wednesday, July 15th, 2020 AT 2:13 AM
Tiny
LESLEY GOVENDER
  • MEMBER
  • 8 POSTS
My petrol gauge when I fill the needle moves and after I do around 12km the light comes on.
Was this
answer
helpful?
Yes
No
Wednesday, July 15th, 2020 AT 2:46 AM
Tiny
4DRTOM
  • MECHANIC
  • 467 POSTS
Hello,

So your saying that everything is fine and normal after filling the fuel tank, but then after driving a while the parking lights come back on and stay on even after the car is turned off? Is this a right hand driving car? What country are you in?
Which light comes on? The parking lights or the headlights too? Some countries laws state that the headlights are to stay on day or night when the car is running. What about the key-less lock/unlock button on the key. Does it function at all? Part of me is thinking the headlight combo switch is acting up, but I'm not quite clear on the problem though. Are these lights staying on draining the battery overnight or something, and just to verify. This is not just a light thing but a locking thing as well? Have you changed the keys, battery? Can you upload a short video of what your talking about by chance? Tom
Was this
answer
helpful?
Yes
No
Wednesday, July 15th, 2020 AT 8:22 AM
Tiny
LESLEY GOVENDER
  • MEMBER
  • 8 POSTS
Hi, where can I locate my factory alarm on this car?
Was this
answer
helpful?
Yes
No
Monday, July 20th, 2020 AT 6:09 AM
Tiny
LESLEY GOVENDER
  • MEMBER
  • 8 POSTS
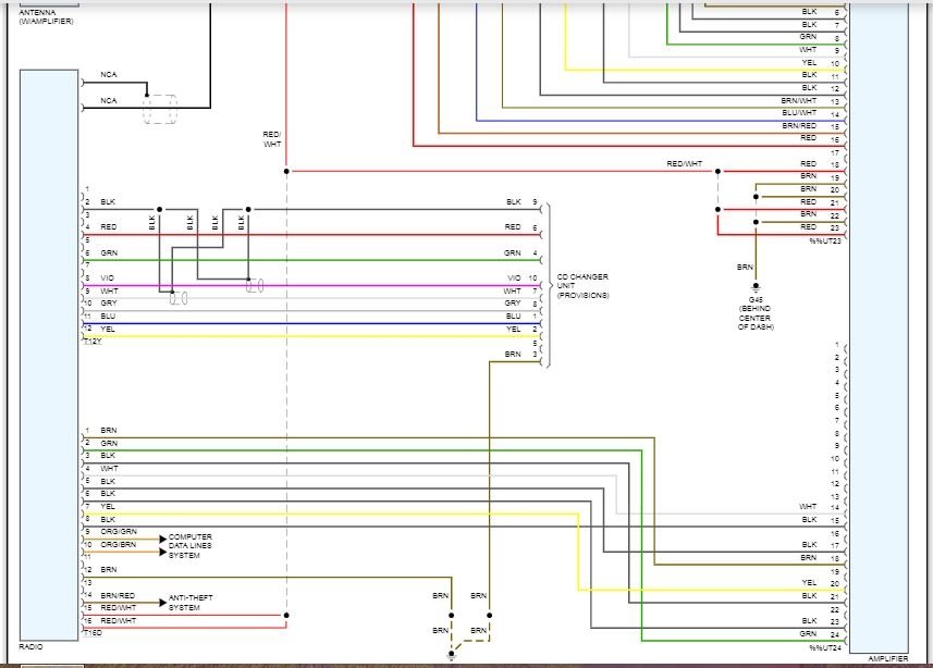
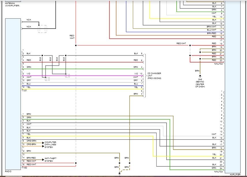
What color wire is for ignition when I connect my radio?
Was this
answer
helpful?
Yes
No
Tuesday, July 21st, 2020 AT 9:58 AM
Tiny
4DRTOM
  • MECHANIC
  • 467 POSTS
Hello,

Here are the schematics for the radio, look like it's a red wire. I couldn't get the diagram on one page so the two images attach horizontally.
Let me know if this helps.
Tom
Was this
answer
helpful?
Yes
No
Thursday, July 23rd, 2020 AT 9:41 PM
Tiny
4DRTOM
  • MECHANIC
  • 467 POSTS
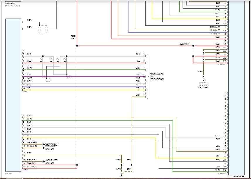
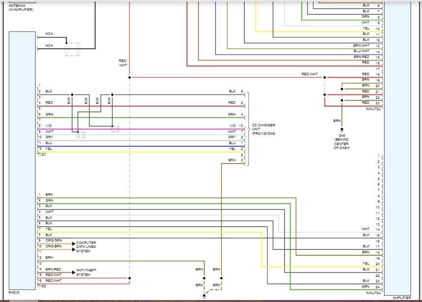
Hello,

It does not seem that my upload actually uploaded. Here they are.
Sorry about that I'm not sure what happened.
Tom
Was this
answer
helpful?
Yes
No
Friday, July 24th, 2020 AT 10:10 PM

Please login or register to post a reply.