Thursday, September 20th, 2018 AT 11:08 AM
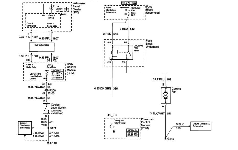
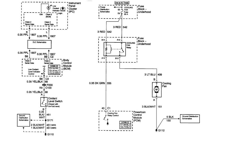
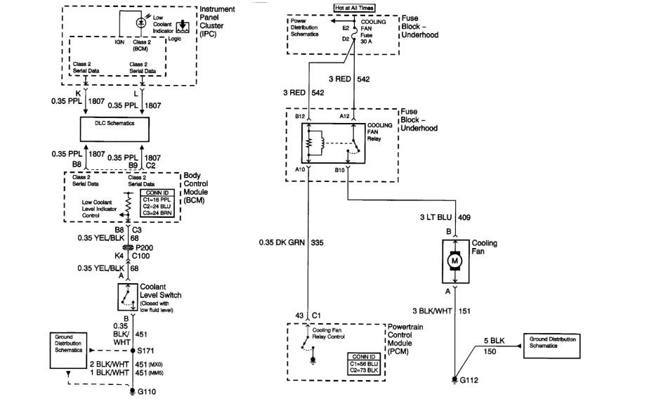
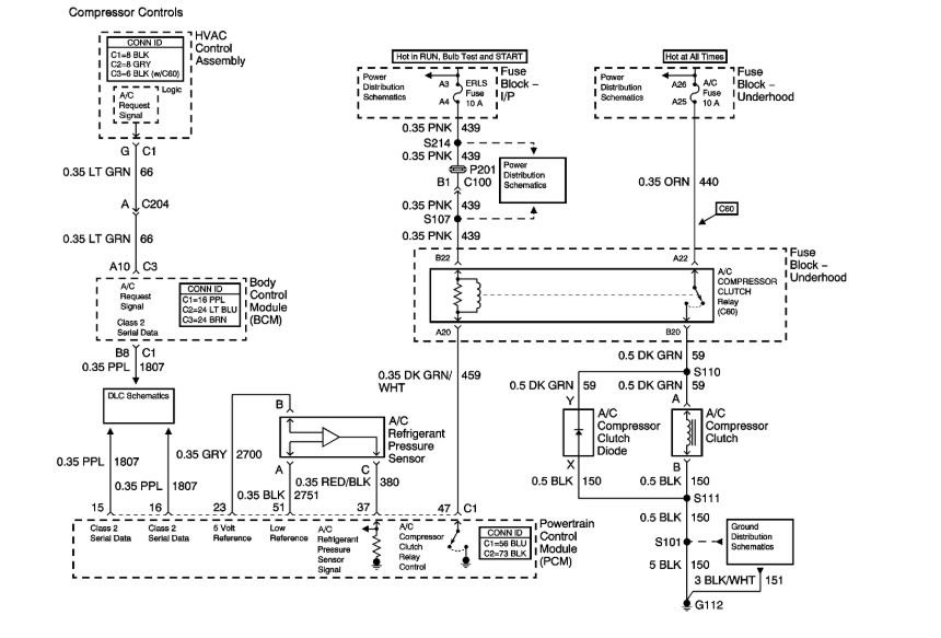
When driving down the road with AC on I get plenty of cold air. When I stop the air coming out of the vents gradually warms up. As soon as the car starts moving again it cools down. I rarely hear the radiator fan run. It will come on if the engine is hot and I shut the engine off. But other than that the fan never runs.




