Wednesday, November 16th, 2016 AT 7:25 PM
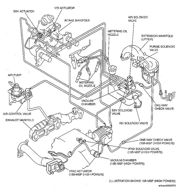
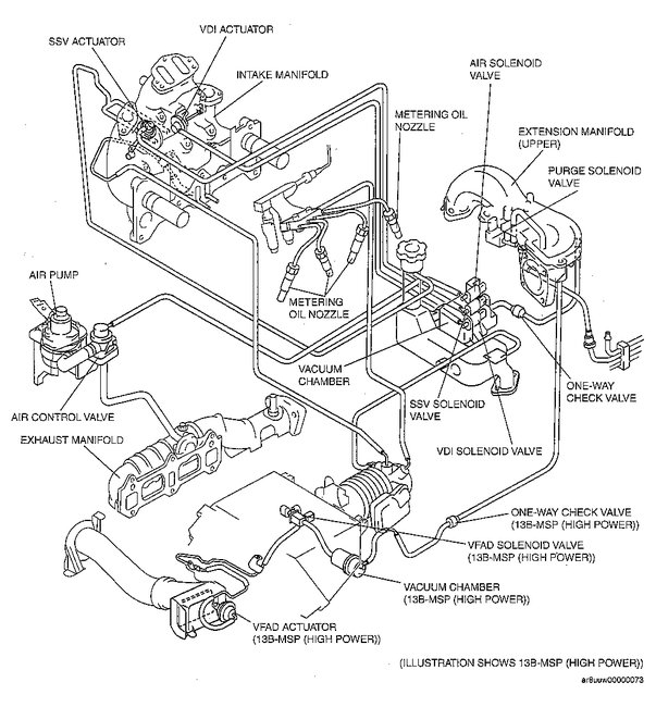
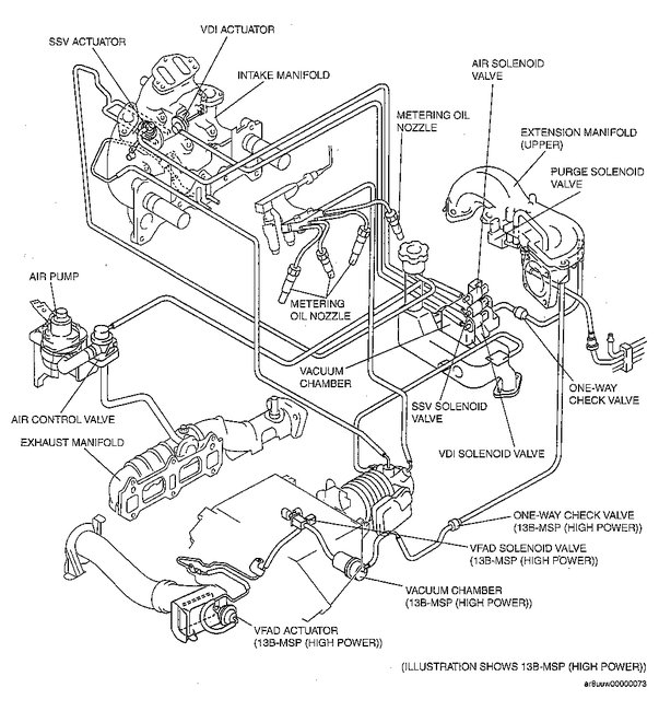
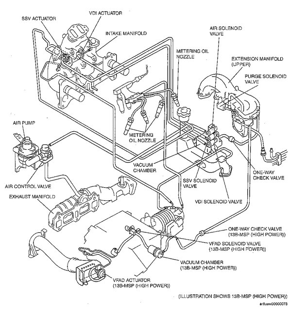
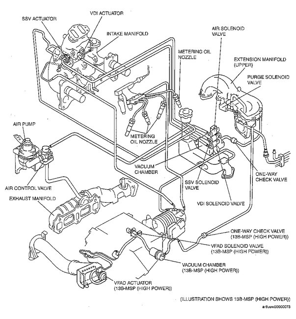
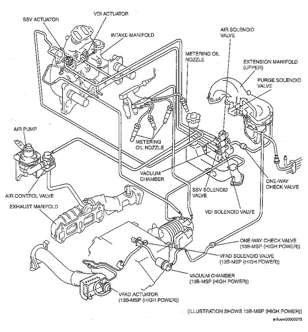
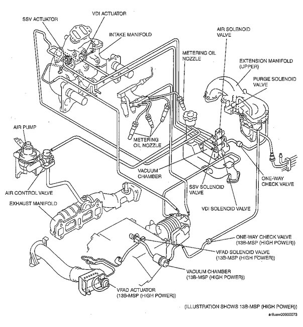
Was checking for a vacuum leak and pulled them out and do not know where to put them back. It is the two hoses coming out from top of throttle body.



