Air temperature gauge

Tiny
JESSICA MATUSIK MARLATT
  • MEMBER
  • 2008 GMC ENVOY
  • 4.2L
  • 6 CYL
  • 2WD
  • AUTOMATIC
  • 120,000 MILES
The temperature gauge does not show any temperature, the air conditioner will not click on when it does it, it will come on randomly and then the air conditioner will work.
Saturday, September 15th, 2018 AT 11:20 AM

3 Replies

Tiny
KEN L
  • MASTER CERTIFIED MECHANIC
  • 55,488 POSTS
Hello,

Can I ask if the temperature gauge you are referring to is outside temperature or climate control temperature? (What you set)

Please let me know, Ken
Was this
answer
helpful?
Yes
No
Monday, September 17th, 2018 AT 12:41 PM
Tiny
JESSICA MATUSIK MARLATT
  • MEMBER
  • 2 POSTS
The inside gauge.
Was this
answer
helpful?
Yes
No
Wednesday, September 19th, 2018 AT 7:26 AM
Tiny
KEN L
  • MASTER CERTIFIED MECHANIC
  • 55,488 POSTS
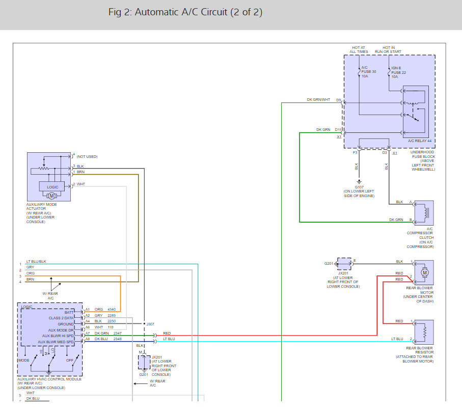
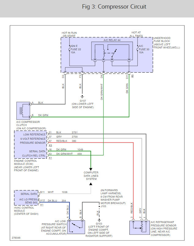
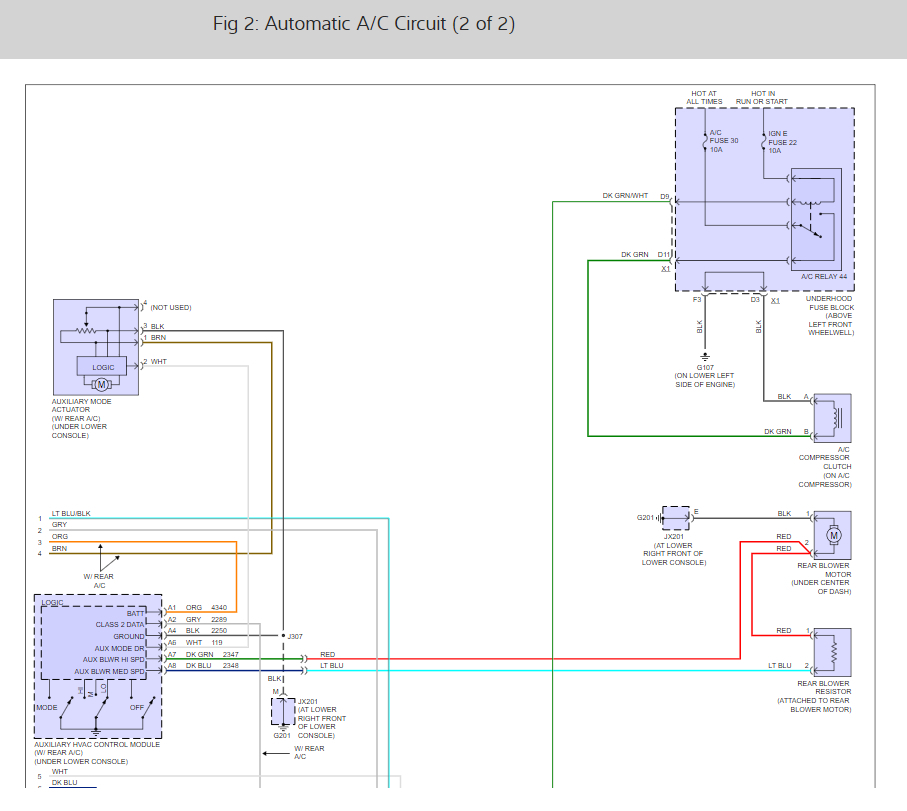
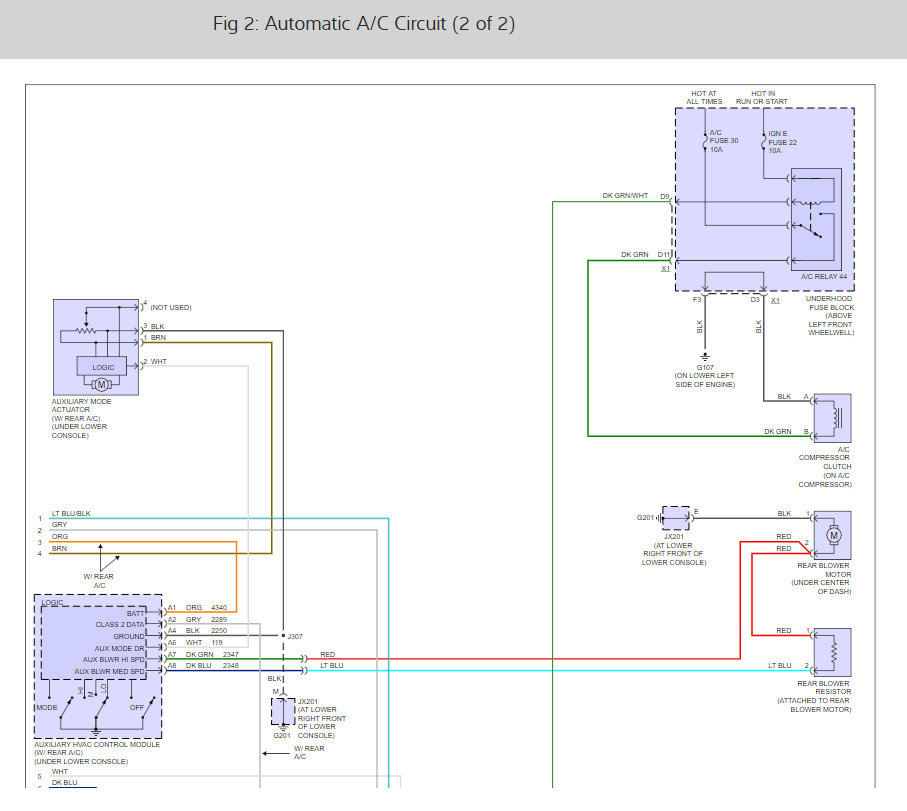
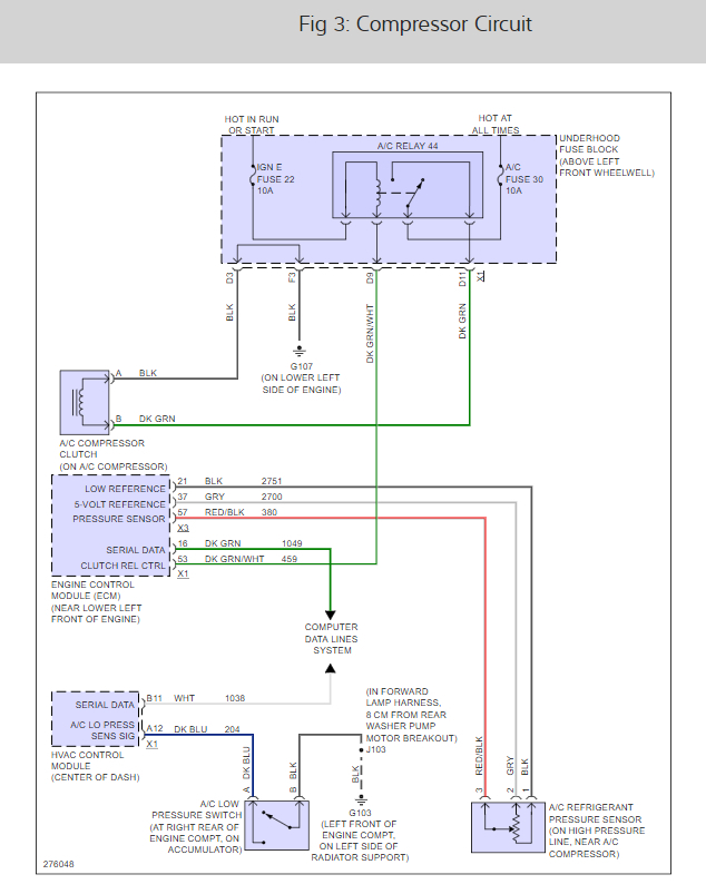
It sounds like you have an ambient temperature sensor that is out. There are two for this system or the controller is going out. I would remove the sensors to check the electrical connections for corrosion caused by moisture first. Here are the sensor locations and the air conditioner wiring diagrams so you can see how the system works. You can also have the HVAC system scanned at the shop for a trouble codes it should cost about $70.00.

Check out the diagrams (below). Please let us know what you find. We are interested to see what it is.

Cheers, Ken
Was this
answer
helpful?
Yes
No
Thursday, September 20th, 2018 AT 3:41 PM

Please login or register to post a reply.