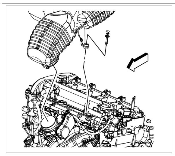
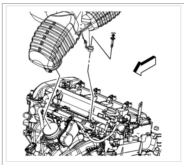
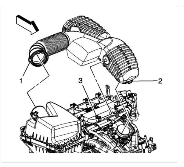
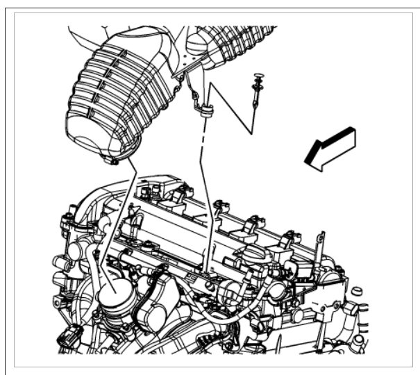
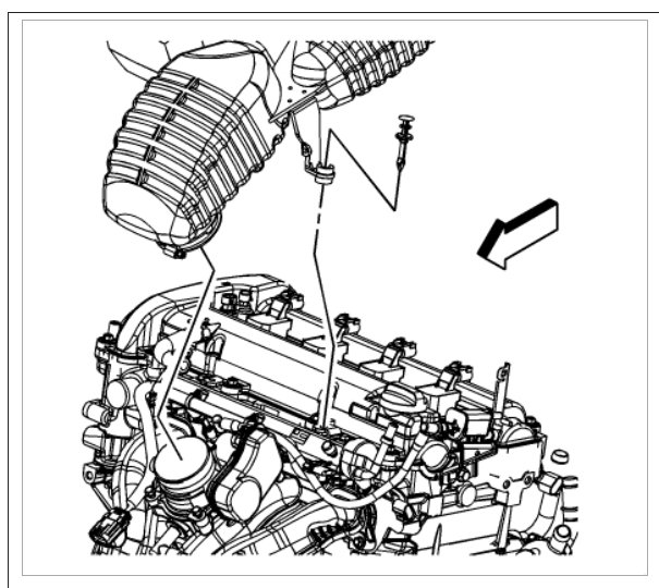
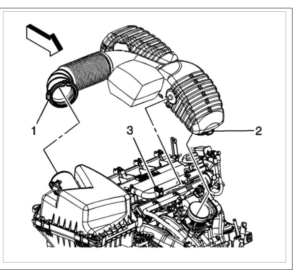
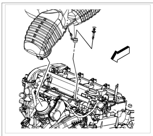
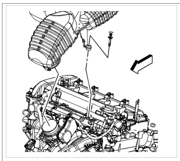
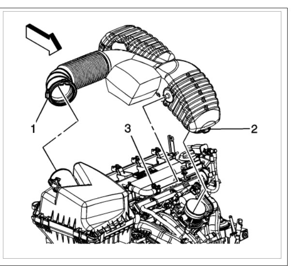
Air intake resonator tube removal

Tiny
ZUSHIMARU
  • MEMBER
  • 2007 SATURN VUE HYBRID
  • 2.4L
  • 4 CYL
  • 2WD
  • AUTOMATIC
  • 150,674 MILES
I am trying to get to my fuel injectors so that I can test and replace the faulty ones, but I cannot figure out how to get this thing off for the life of me!
Saturday, January 13th, 2018 AT 12:29 PM

1 Reply

Tiny
KEN L
  • MASTER CERTIFIED MECHANIC
  • 55,291 POSTS
Hello,

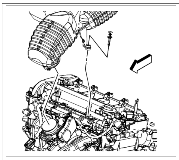
It looks like you have a couple of mounting bolts at the throttle body and air filter housing. Here are diagrams to help you get the job done (below).

Check out the diagrams (below).

Please let us know if you need anything else to get the problem fixed.

Cheers, Ken
Was this
answer
helpful?
Yes
No
Monday, January 15th, 2018 AT 2:46 PM

Please login or register to post a reply.