HOME
ASK A QUESTION
REPAIR GUIDES
BECOME A MEMBER
LOG IN
Login with Facebook
OR
Remember me
NOT A MEMBER?
FORGOT PASSWORD?
CONTACT US
PRIVACY POLICY
TERMS AND CONDITIONS
☰
Home
Chevrolet
Cobalt
Emission
Air Pump
Replace/Remove
Air injection check valve replacement
CPERRY54
MEMBER
2008 CHEVROLET COBALT
2.2L
4 CYL
2WD
89,000 MILES
How do you remove and replace it?
Monday, February 17th, 2020 AT 4:42 AM
1 Reply
ASEMASTER6371
MECHANIC
52,796 POSTS
Good morning,
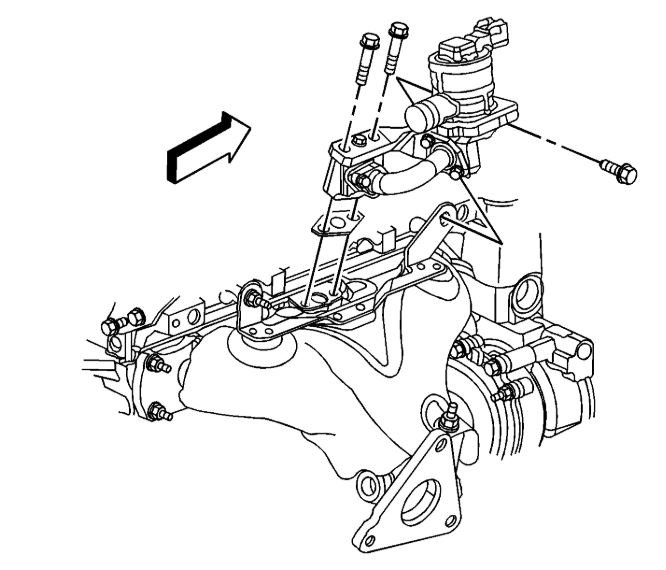
I attached the pictures on the replacement procedure. Why are you replacing it? Do you have a code? This is not common. Check out the diagrams (Below). Please let us know if you need anything else to get the problem fixed.
Roy
Images (Click to make bigger)
Was this
answer
helpful?
Yes
No
+1
Monday, February 17th, 2020 AT 5:20 AM
Please
login
or
register
to post a reply.
Related Air Pump Replace/Remove Content
2007 Chevy Cobalt Secondary Air Injection Pump...
I Have A 2007 Chevy Cobalt And The Check Engine Light Has Been On For About A Year, So I Went Through Emissions And The Code P2434 Showed...
Asked by
joefixacar
·
1 ANSWER
2007
CHEVROLET COBALT
2005 Chevy Cobalt Emissions
Just Failed Emissions Test. They Gave Me Codes P0420 And P0455. I Did How Every Drive For A While Without A Gas Cap On (a Few Months). I...
Asked by
fknut2002
·
1 ANSWER
2005
CHEVROLET COBALT
Ask a Car Question. It's Free!
How to Clear a Check Engine?
Code Read Retrieval/Clear Mercedes Benz
Is it Safe to Drive Check Engine Light?