Here it goes! No power to AC Compressor Clutch. Here are the details:
1) Unit DOES have freon
2) There IS power up to relay for clutch (#204) that is in the PCM (fuse box under hood) when using a test light
3) Cooling fans DO kick on
4) When AC switch is turned on (in car) the RPM does change and switch looks to be working fine
5) AC comp went out at once (no intermittent issues)
6) No power to low pressure cut off
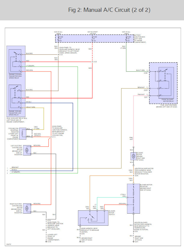
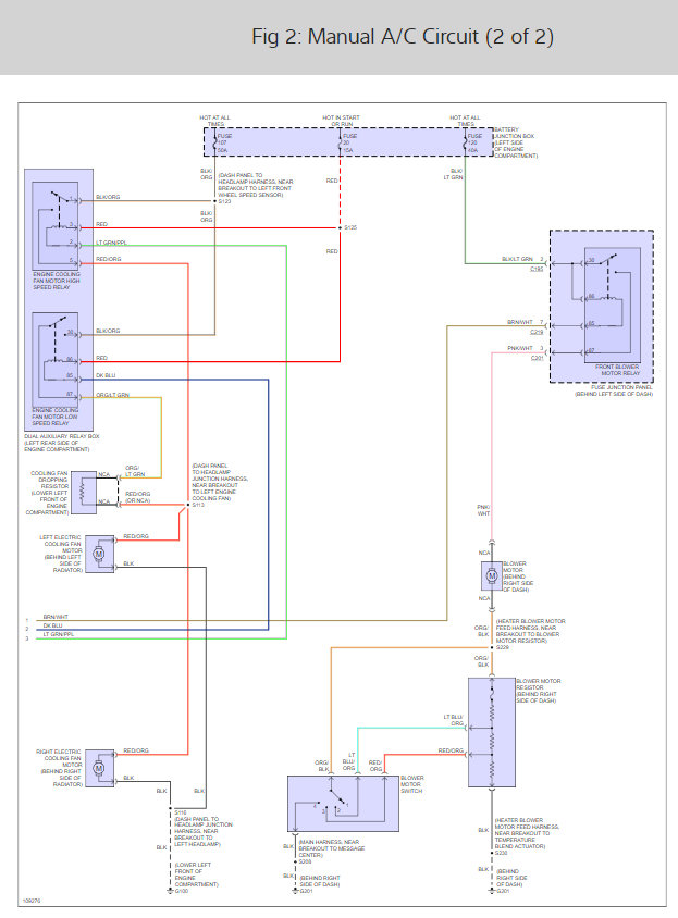
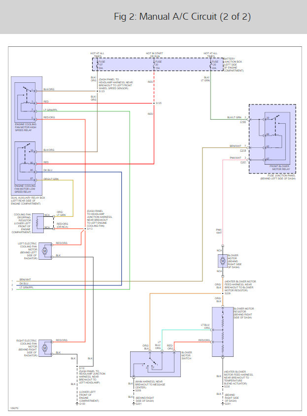
After researching this I'm thinking it could be the relay in the CCRM (constant control module)? Although I can't find a good enough diagram to find it! Everything looks like it's on firewall by driver but I can not find this little guy!
Please help with what you can. Van has 275,000 miles on it so I can't dump money in it and I can't afford a $90 electrical diagnostic from the specialist. Please advise- I am fairly good with some basic mechanics. I have tried to figure this out and the open circuit with no luck. Now it's a challenge!
Thanks again, Clint
Friday, May 16th, 2014 AT 6:34 PM










