Air conditioning blowing hot air

Tiny
BEVERLY BEST
  • MEMBER
  • 1996 FORD THUNDERBIRD
  • V8
  • 2WD
  • AUTOMATIC
  • 9,433 MILES
When AC is turned on it only blows hot air through the windshield vent.
Tuesday, July 9th, 2019 AT 4:35 PM

1 Reply

Tiny
ASEMASTER6371
  • MECHANIC
  • 52,796 POSTS
Good evening,

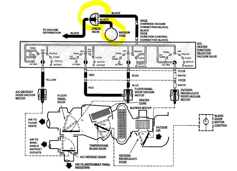
I attached a vacuum line diagram for you to view. You most likely have a vacuum line off under the hood by the tank that holds vacuum. When this happens, the system defaults to defrost and heat.

Check all the lines carefully.

Roy
Was this
answer
helpful?
Yes
No
Tuesday, July 9th, 2019 AT 4:47 PM

Please login or register to post a reply.