Monday, May 12th, 2025 AT 11:05 AM
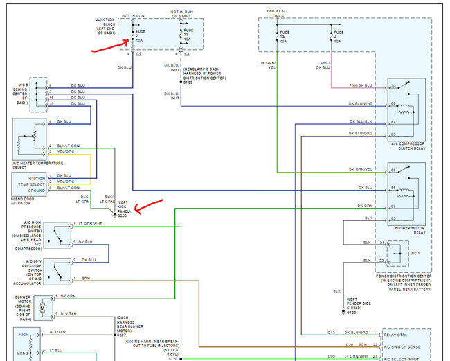
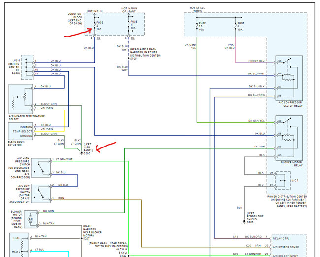
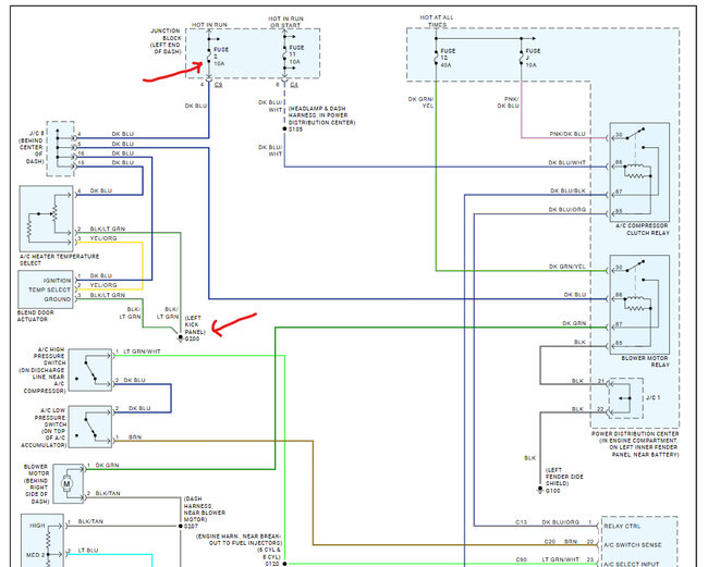
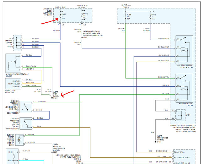
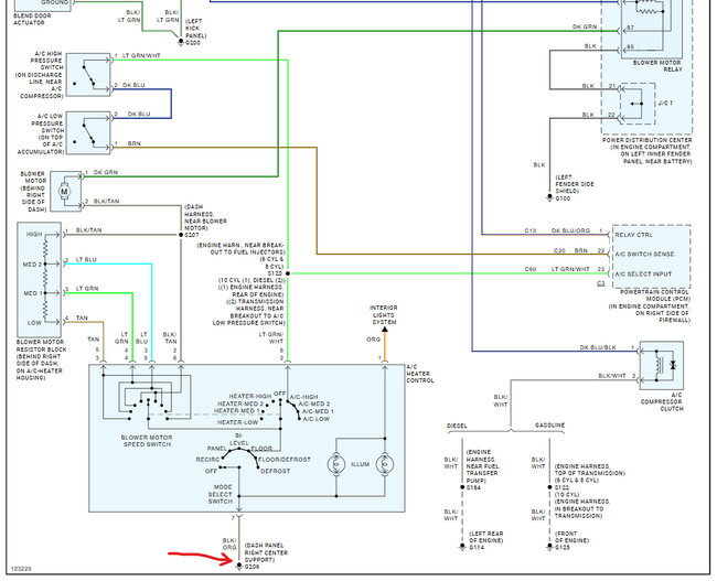
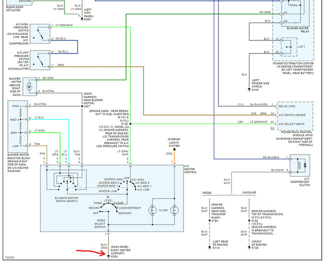
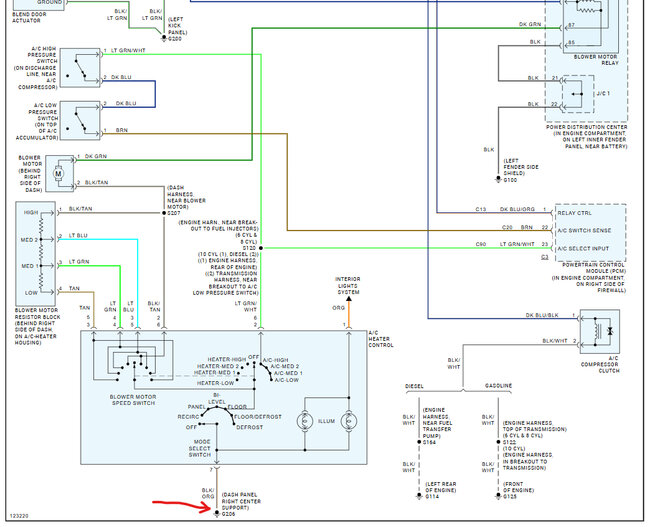
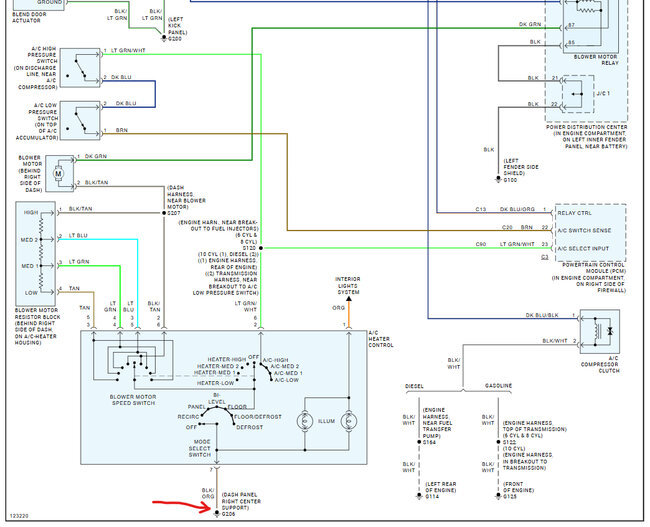
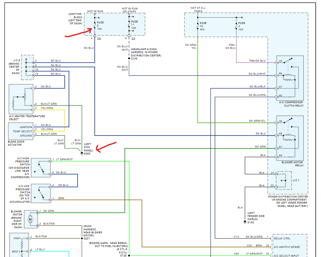
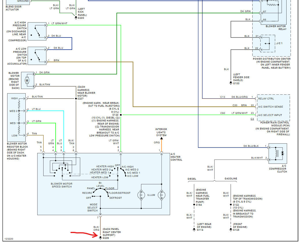
The A/C clutch is engaging with the selector in the dash/floor fresh air position. It does not engage in the dash only and floor only positions which is normal. I changed out the A/C heating control switch assembly but still have the same problem. I also changed out the A/C compressor clutch relay (just in case) but no change.




