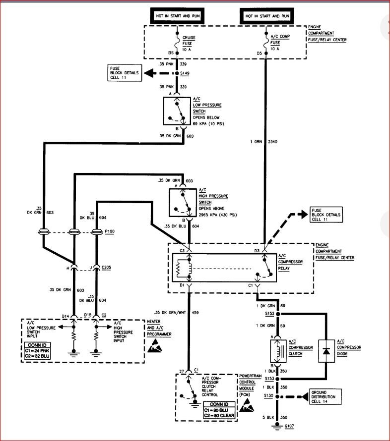
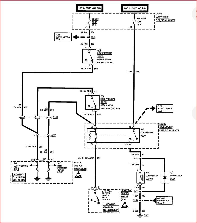
A/C compressor not turning on

Tiny
PEKOE KENNEY
  • MEMBER
  • 1998 CADILLAC DEVILLE
  • 117,000 MILES
I put in a few cans of Freon, yet air conditioner still won't work. Air compressor is not kicking in or coming on at all.
Tuesday, June 11th, 2019 AT 9:25 AM

1 Reply

Tiny
KASEKENNY
  • MECHANIC
  • 18,907 POSTS
Hi,

Have you checked the fuse and relay for the compressor clutch?

Once these are checked and if they are ok, then you will need to go to the compressor and make sure it has power. If it has power and the freon is full then the compressor should come on.

If the fuse or relay is the issue, then you will want to check your pressures on the high and low side because you may have too much freon in it.

You can rent the gauges at a parts store if you don't have them.

Let me know what you fine and we can go from there. Thanks
Was this
answer
helpful?
Yes
No
-1
Tuesday, June 11th, 2019 AT 5:37 PM

Please login or register to post a reply.