Why does my A/C light come on when I start my car and stay on?

2007 SATURN VUE
130,000 MILES • 3.5L • 6 CYL • 4WD • AUTOMATIC
Avatar
SHERILYN FRANKLIN
  • MEMBER
  • 90 POSTS
Why does my A/C light come on when I start my car and stay on?
Jul 1, 2024 at 8:36 PM
Repair Safety Notice: This information is for general instructional purposes only. Vehicle repair can be dangerous. Verify all information, follow manufacturer service procedures, use proper tools and safety equipment, and consult a qualified repair shop when needed.
Advertisement
Avatar
CANNON1349
  • CAR REPAIR CONTRIBUTOR
  • 861 POSTS
Hello,

Are you able to turn off the light? If not, you may have a stuck A/C clutch relay or other electrical related issue. Please report back with pictures / videos to help us out.

Thanks,
William
Jul 2, 2024 at 4:55 AM
Advertisement
Avatar
SHERILYN FRANKLIN
  • MEMBER
  • 90 POSTS
Sometimes, and sometimes if I turn the car off and back on it goes turns off.
Jul 2, 2024 at 9:14 AM
Avatar
CANNON1349
  • CAR REPAIR CONTRIBUTOR
  • 861 POSTS
Hi,

Sounds intermittent, any noises going on? The A/C control head will turn on the light when the A/C compressor clutch is engaged. Try turning on the car with the fan speed at 0. It's also possible it can be a control head memory issue.

William
Jul 2, 2024 at 9:18 AM
Avatar
STRAILER
  • CAR REPAIR CONTRIBUTOR
  • 54,191 POSTS
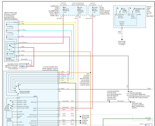
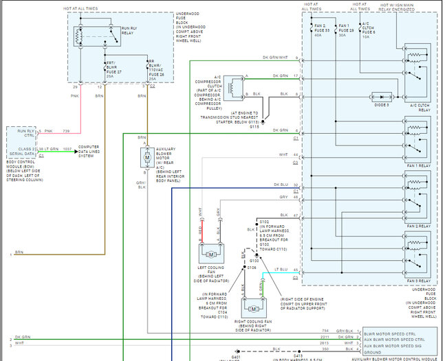
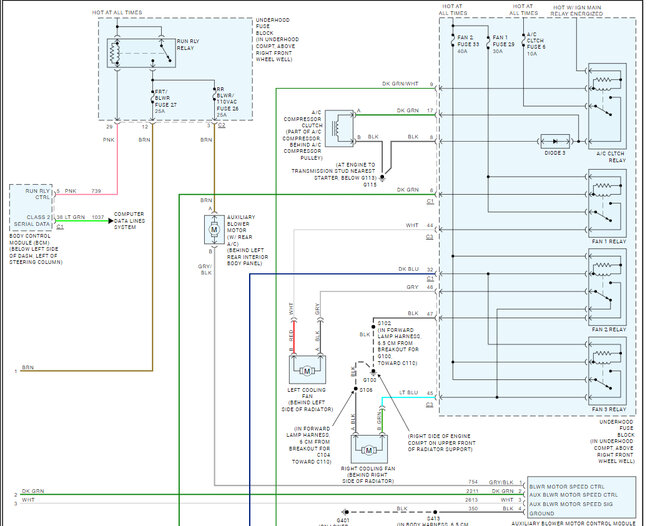
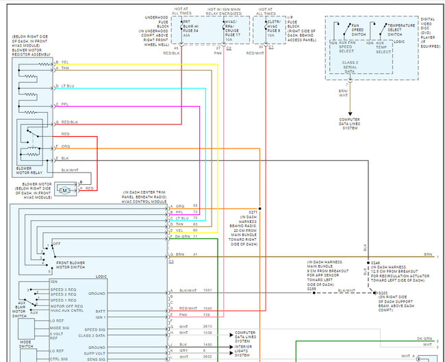
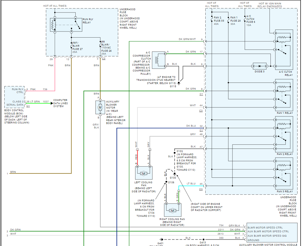
Yep, I agree with CANNON1349 there is a logic module inside the HVAC control head that sounds like it has gone bad here is the AC system wiring diagrams so you can see how the system works. You might be able to do a CAN scan which could reveal a code that points to the HVAC controller. You can get a CAN scanner (Controller Area Network) which will work on most cars from Amazon.

Here is a video to show you how:

https://youtu.be/u-4syLc-ifQ

Here is how to swap out the HVAC controller in case a code is stored for it. Check out the images (below). Please upload pictures or videos in your response to any problems so we can see what to help you with.
Jul 4, 2024 at 12:31 PM