Air conditioner not working after disconnecting the battery

Tiny
LISAKAYE
  • MEMBER
  • 2013 GMC ACADIA
  • 140,000 MILES
Disconnected the battery Now air won’t blow cold. This light comes on blinks three times then goes off.
Wednesday, June 19th, 2019 AT 2:58 PM

17 Replies

Tiny
ASEMASTER6371
  • MECHANIC
  • 52,796 POSTS
Good afternoon,

Why did you disconnect the battery?

Was the AC working prior to this?

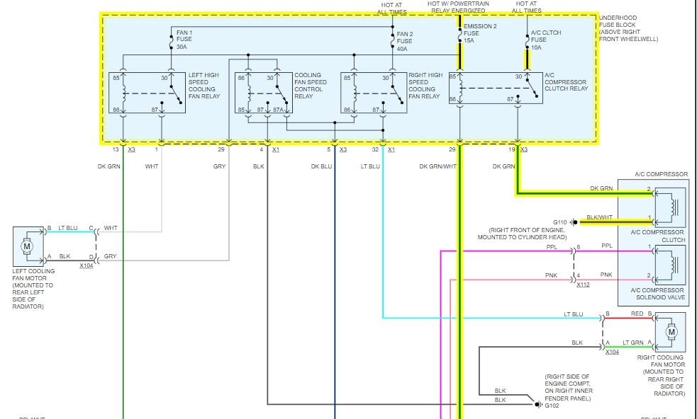
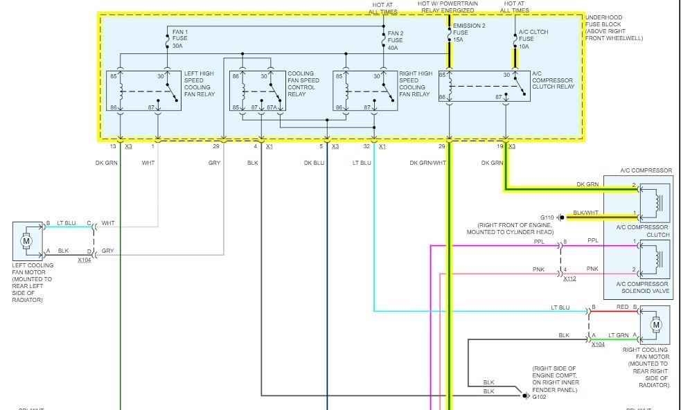
I attached a wiring diagram for you to view. Check the two fuses listed for power on both sides with a test light or voltmeter.

Roy
Was this
answer
helpful?
Yes
No
Wednesday, June 19th, 2019 AT 3:08 PM
Tiny
LISAKAYE
  • MEMBER
  • 11 POSTS
Replaced the starter after that the battery wasn’t charged enough to crank. So has to charge the battery and it started with no issues. Yes, the air conditioned worked prior to this. Just after disconnect the battery and connected back the air blows but not cold.
Was this
answer
helpful?
Yes
No
+3
Wednesday, June 19th, 2019 AT 3:44 PM
Tiny
ASEMASTER6371
  • MECHANIC
  • 52,796 POSTS
Does the compressor engage?

Roy
Was this
answer
helpful?
Yes
No
+1
Wednesday, June 19th, 2019 AT 3:49 PM
Tiny
LISAKAYE
  • MEMBER
  • 11 POSTS
No.
Was this
answer
helpful?
Yes
No
+1
Wednesday, June 19th, 2019 AT 4:04 PM
Tiny
ASEMASTER6371
  • MECHANIC
  • 52,796 POSTS
Do you have a scan tool to check for codes in the A/C system?

Roy
Was this
answer
helpful?
Yes
No
+1
Wednesday, June 19th, 2019 AT 4:08 PM
Tiny
LISAKAYE
  • MEMBER
  • 11 POSTS
On the A/C compressor clutch relay 87 is hot. Do I jump power from there to 30 to make clutch engage?
Was this
answer
helpful?
Yes
No
+1
Wednesday, June 19th, 2019 AT 4:16 PM
Tiny
LISAKAYE
  • MEMBER
  • 11 POSTS
Sorry my husband corrected me on that 30 is hot not 87.
Was this
answer
helpful?
Yes
No
Wednesday, June 19th, 2019 AT 4:18 PM
Tiny
ASEMASTER6371
  • MECHANIC
  • 52,796 POSTS
30 is the hot wire and 87 goes to the compressor. You can jump it with a wire to test to see if the compressor works.

The control side, 86 and 85 are what controls the relay.

Roy
Was this
answer
helpful?
Yes
No
+1
Wednesday, June 19th, 2019 AT 4:26 PM
Tiny
LISAKAYE
  • MEMBER
  • 11 POSTS
When the jumper is put between the 2 it activates and shuts off the motor immediately.
Was this
answer
helpful?
Yes
No
Wednesday, June 19th, 2019 AT 4:35 PM
Tiny
ASEMASTER6371
  • MECHANIC
  • 52,796 POSTS
Between which 2 terminals?

Roy
Was this
answer
helpful?
Yes
No
Wednesday, June 19th, 2019 AT 4:47 PM
Tiny
LISAKAYE
  • MEMBER
  • 11 POSTS
30 and 87.
Was this
answer
helpful?
Yes
No
Wednesday, June 19th, 2019 AT 5:16 PM
Tiny
LISAKAYE
  • MEMBER
  • 11 POSTS
Could the battery have something to do with this? Because after we change the starter it would only crank in neutral. Then my husband charge the battery and and it crank in park like normal. Prior to this our air was putting out cold. It was when we hook battery back up is when it wouldn’t blow cold. So not sure if battery might not strong enough so the compressor can't kick on
Was this
answer
helpful?
Yes
No
Wednesday, June 19th, 2019 AT 5:22 PM
Tiny
ASEMASTER6371
  • MECHANIC
  • 52,796 POSTS
If the motor shuts off then maybe the compressor is locked up.

If you jump 30 and 87 with the key on and engine off can you hear the compressor engage?

Roy
Was this
answer
helpful?
Yes
No
Wednesday, June 19th, 2019 AT 5:41 PM
Tiny
LISAKAYE
  • MEMBER
  • 11 POSTS
I got it scanned and the code is p0465.
Was this
answer
helpful?
Yes
No
Wednesday, June 19th, 2019 AT 5:53 PM
Tiny
LISAKAYE
  • MEMBER
  • 11 POSTS
P0645, sorry.
Was this
answer
helpful?
Yes
No
Wednesday, June 19th, 2019 AT 5:54 PM
Tiny
ASEMASTER6371
  • MECHANIC
  • 52,796 POSTS
Possible issue posted below.

Roy
Was this
answer
helpful?
Yes
No
+1
Thursday, June 20th, 2019 AT 3:41 AM

Please login or register to post a reply.