Sunday, March 31st, 2019 AT 6:40 PM
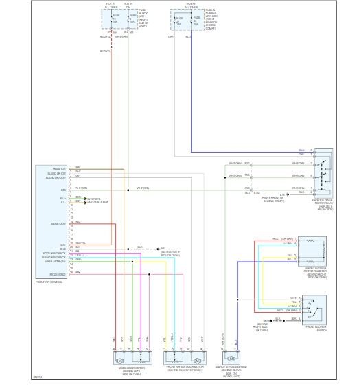
My truck is having some intermittent issues with the volume of air blowing. Sometimes it will blow as if it’s set on high even if the air is not turned on. Warm and cool is not affected. If you switch the temperature it changes along with it. I know my blend door actuator is going out as I hear a clicking noise when I change from defrost to the vents. But other than that I haven’t had any issues with the air before.





