Air actuator is stuck in defrost mode, I only have high air flow?

Tiny
CHRIS6100
  • MEMBER
  • 1995 CHEVROLET S-10
  • 2.2L
  • 4 CYL
  • 2WD
  • MANUAL
  • 264,000 MILES
Air vent is stuck in defrost mode and I only have high mode with fan.
Saturday, March 18th, 2023 AT 10:29 AM

5 Replies

Tiny
JACOBANDNICKOLAS
  • MECHANIC
  • 110,192 POSTS
Hi,

The issue with fan speed is likely the result of a failed blower motor resistor. When they fail, high speed is the only speed that will work.

As far as the defroster-only air flow is concerned, there is likely a vacuum leak. The mode control knob operates a rotary vacuum switch that routes the engine vacuum to specific hoses in the vacuum harness. These hoses control vacuum actuators on the defroster duct. Each actuator operates an air valve (a door-like hinged deflector) that routes airflow to the various outlets of the heater/defrost system.

If you look at pic 1 below, I highlighted the blower motor resistor. Replace this part.

The remaining pics are the vacuum schematics for the HVAC system, both interior and under the hood. They are a little difficult to decipher, so let me know if you have questions.
Also, if you check those hoses with the engine running, you may hear a hissing sound from the leak. Also, check the supply under the hood to make sure the vacuum is making it inside the vehicle.

Let me know if this helps and what you find.

Take care,

Joe

See pics below.
Was this
answer
helpful?
Yes
No
Saturday, March 18th, 2023 AT 1:29 PM
Tiny
CHRIS6100
  • MEMBER
  • 3 POSTS
Thank you very much. We appreciate all your help and the schematics. We will look into this resistor and let you know what we find.
Was this
answer
helpful?
Yes
No
Tuesday, March 21st, 2023 AT 6:29 AM
Tiny
JACOBANDNICKOLAS
  • MECHANIC
  • 110,192 POSTS
Hi,

You are very welcome. When you do check the resistor, make sure the connector is in good condition and has not melted.

Take care and let me know what you find.

Joe
Was this
answer
helpful?
Yes
No
Tuesday, March 21st, 2023 AT 6:44 PM
Tiny
CHRIS6100
  • MEMBER
  • 3 POSTS
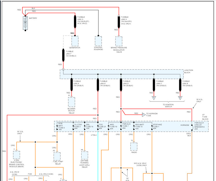
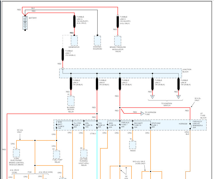
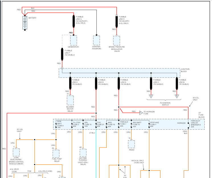
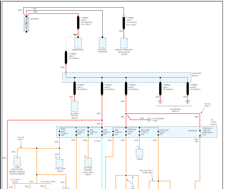
I also need help with the wiring under the hood of that same Chevy S-10. Someone hacked at it and took the connectors off and spliced the wires together. We were trying to figure out what is drawing power to kill the battery and pulled the fuse for the radio, and it shuts the whole truck off. Someone installed a switch that shuts off the truck and not sure why. This truck has the 2.2 4 cylinder motor in it. Any help is greatly appreciated.
Was this
answer
helpful?
Yes
No
Sunday, March 26th, 2023 AT 11:42 AM
Tiny
JACOBANDNICKOLAS
  • MECHANIC
  • 110,192 POSTS
Hi,

The radio shut the truck off? As far as the switch is concerned, does it have an aftermarket security system? I ask because I've seen ones that require a switch to be toggled for it to start.

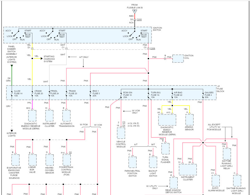
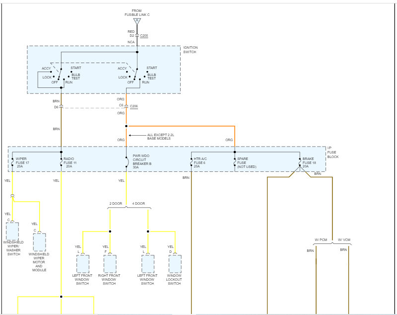
I'm not sure if you are looking for power distribution, but I attached them below. If you needed something different, let me know.

Take care,

Joe

See pics below: Note: I had to cut each pic in half to make them readable. I did overlap them so you can follow from one to the next.
Was this
answer
helpful?
Yes
No
Sunday, March 26th, 2023 AT 8:08 PM

Please login or register to post a reply.