Defrost comes out the front vents

Tiny
BKLYNG
  • MEMBER
  • 1988 OLDSMOBILE 98
  • 3.8L
  • 6 CYL
  • FWD
  • AUTOMATIC
  • 28,000 MILES
I have a Regency Brougham, when I switch to defrost it comes out the front vents.
Saturday, September 3rd, 2016 AT 10:21 AM

7 Replies

Tiny
HMAC300
  • MECHANIC
  • 48,601 POSTS
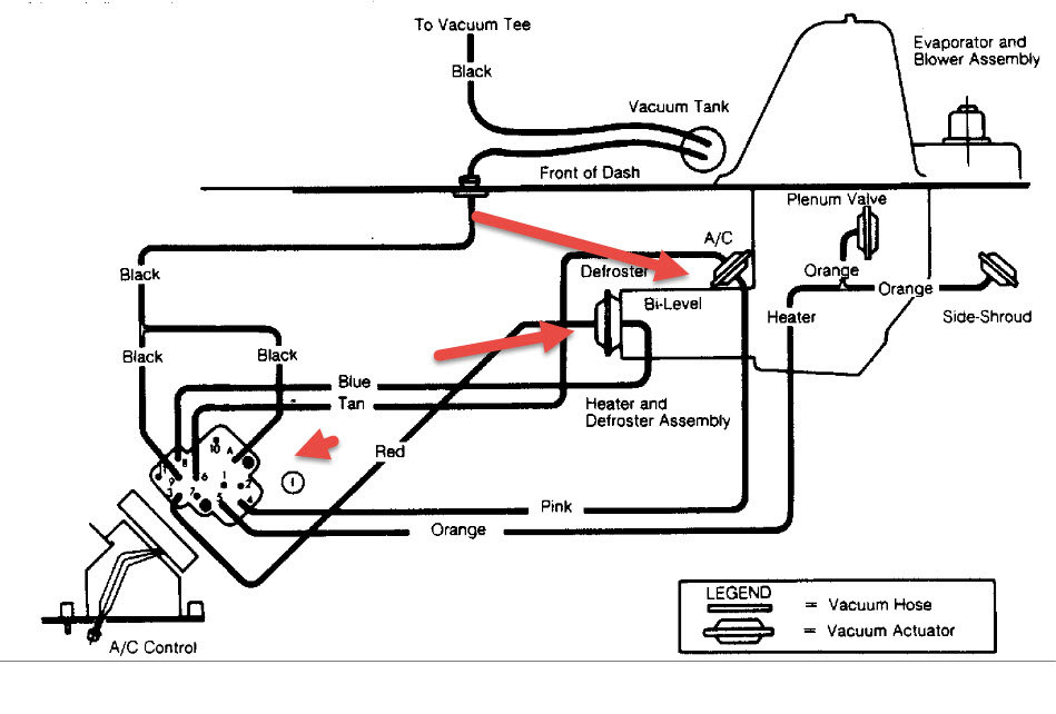
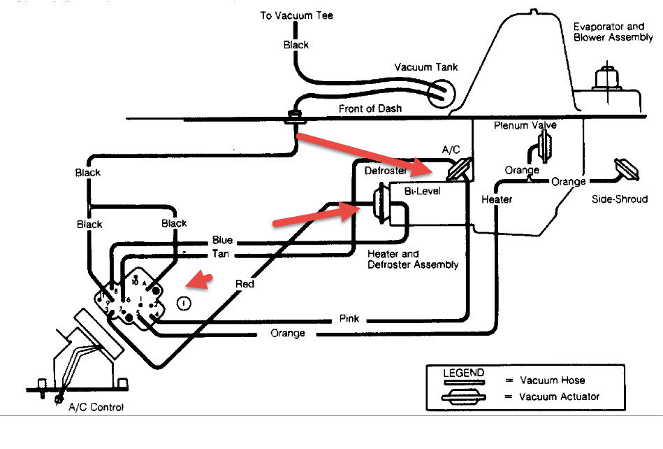
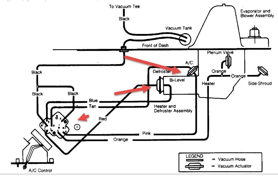
Check for a vacuum leak the vacuum motor may not be getting vacuum or it is no good or a leak in line. See picture for diagram on where to check.
Was this
answer
helpful?
Yes
No
Saturday, September 3rd, 2016 AT 10:47 AM
Tiny
HMAC300
  • MECHANIC
  • 48,601 POSTS
Forgot it, sorry.
Was this
answer
helpful?
Yes
No
Saturday, September 3rd, 2016 AT 10:47 AM
Tiny
BKLYNG
  • MEMBER
  • 3 POSTS
My climate control is electronic and where do I check do I drop the dash and what am I looking for?
Was this
answer
helpful?
Yes
No
Saturday, September 3rd, 2016 AT 11:49 AM
Tiny
HMAC300
  • MECHANIC
  • 48,601 POSTS
Is this automatic temperature where you set the temperature? This is behind the dash some you may be able to just feel around to find it to see if a vacuum line is off or motor is working you may have to pull out glove box or a panel under to reach it.
Was this
answer
helpful?
Yes
No
Saturday, September 3rd, 2016 AT 12:15 PM
Tiny
BKLYNG
  • MEMBER
  • 3 POSTS
I set the temp its digtal what do the look like so I would know what to look for
Was this
answer
helpful?
Yes
No
Sunday, September 4th, 2016 AT 7:30 AM
Tiny
HMAC300
  • MECHANIC
  • 48,601 POSTS
Ok if you set the temp it's a whole new ball game. See pic on how to test you may have to pull control panel out if you can't reach wires behind. This is for no air coming out a/c vents which from what I read is your complaint.
Was this
answer
helpful?
Yes
No
Sunday, September 4th, 2016 AT 7:42 AM
Tiny
HMAC300
  • MECHANIC
  • 48,601 POSTS
Check the vacuum motors in arrow one may be under hood to access the top two try pulling glove box and panel below dash. You may have to pull dash to acces these check for no vacuum or motor bad. Item 46 and 48 these control air direction in hvac unit.
Was this
answer
helpful?
Yes
No
Sunday, September 4th, 2016 AT 7:51 AM

Please login or register to post a reply.