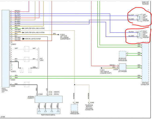
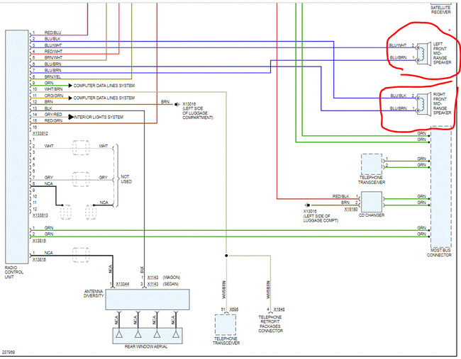
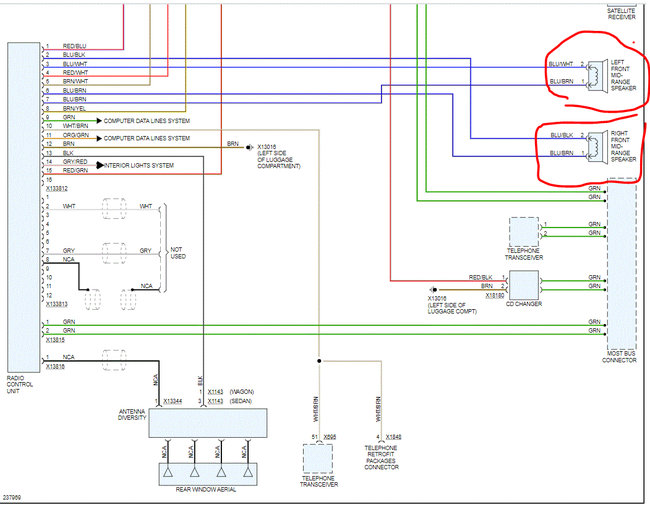
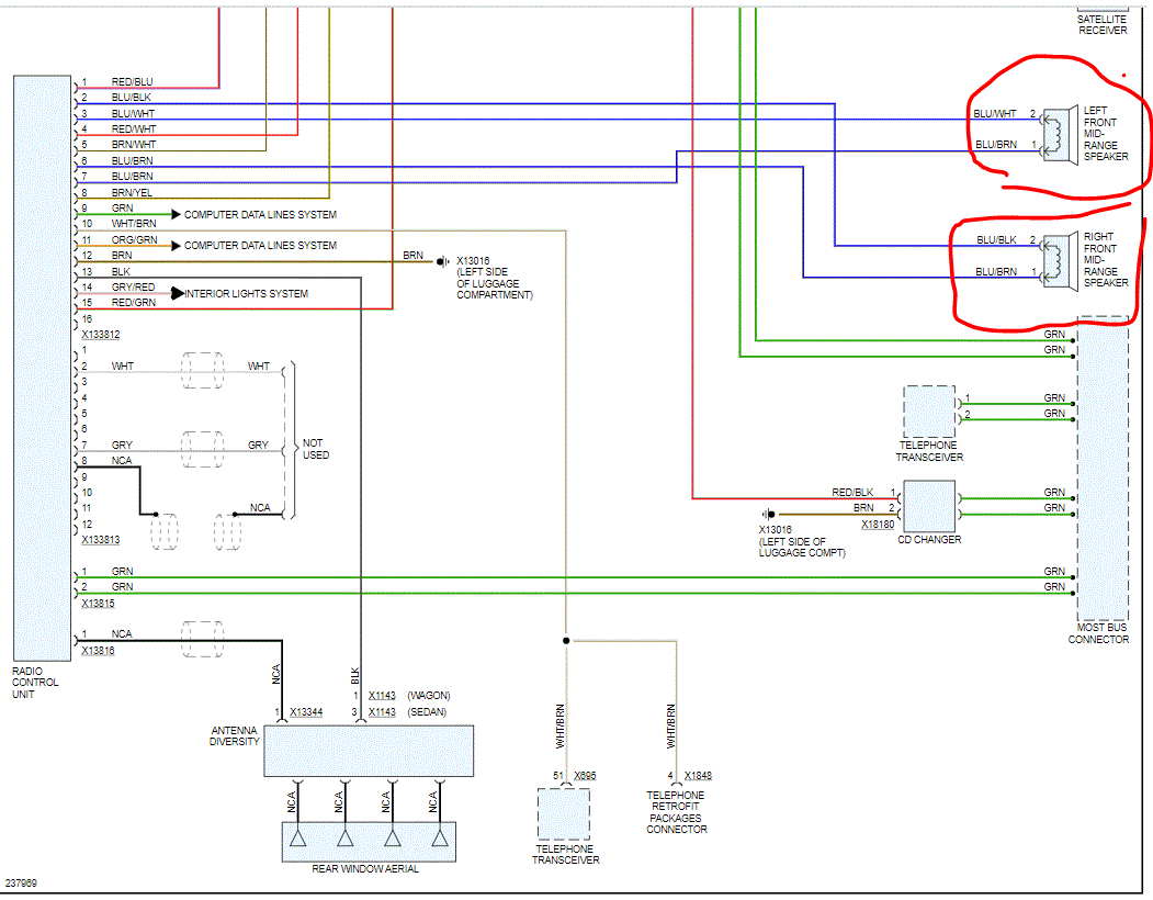
Friday, March 5th, 2021 AT 1:40 AM
I’m switching out my radio. I have everything connected and the new radio powers on but no sound comes out. What do I do or maybe I have the wiring wrong.




