After tightening my top, the rear windows do not roll up

Tiny
JIM VANDIVEER
  • MEMBER
  • 2008 FORD MUSTANG
  • 4.6L
  • V8
  • 2WD
  • MANUAL
  • 115,000 MILES
The rear 1/4 windows no longer roll up when the top is up. When the top is down, the windows roll up just fine. The delta here is I tightened the top. It's like the SJB thinks the top is not all the way up, but it is. What tells the SJB that the top is all the way up? Is there a contact point I need to look at and adjust? Help! It rains on Friday. Thanks
Monday, June 15th, 2020 AT 5:39 PM

1 Reply

Tiny
STEVE W.
  • MECHANIC
  • 15,613 POSTS
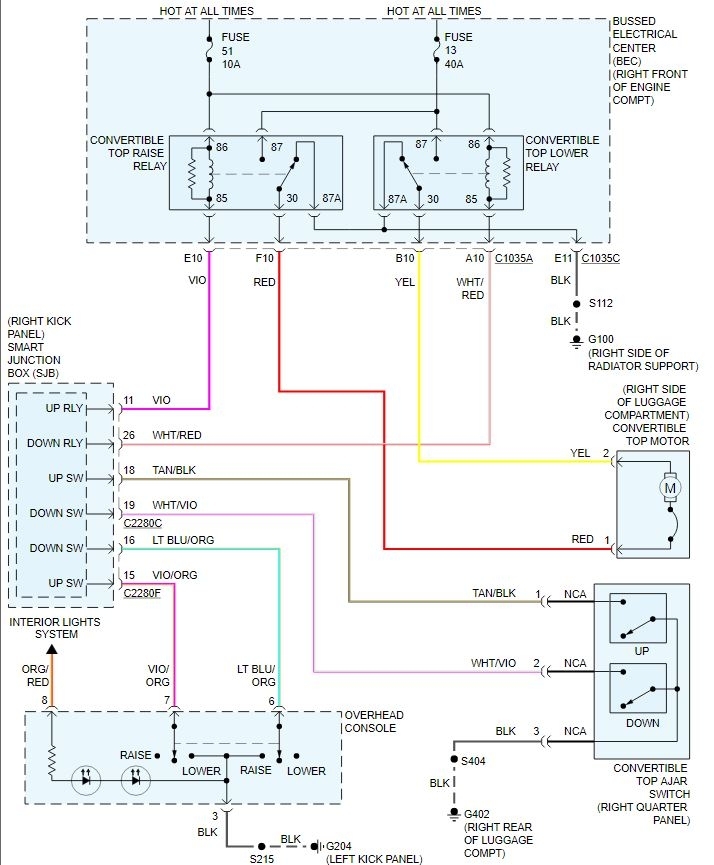
There is a switch behind the right rear quarter trim panel next to the rear seat passenger side. It tells the BCM if the top is fully down. If the top moved enough after your tightening that switch may not be activating. There are a couple of options. Remove the rear seat back and the trim panel and visually check the switch for operation, Or use a good scan tool to see if the switch is actuating and the issue is something else. I would probably opt for the physical option if it was working fine prior to the work. Service information doesn't show much other than remove the trim, remove and replace the switch. However it's a simple switch with 3 wires that tell the module if the top is up or down. Using a test light connected to battery power the light should light up when you touch the switches pins. With the top up pins 1 and 3 should light the light, with the top down pins 2 and 3 should light it.
A way to verify the wiring is okay and it is the switch would be to put the top down and on the harness connection that goes to the switch, apply a jumper wire to a ground connection to the White with violet striped wire on pin number 2. That would simulate the switch being closed. If the windows now work with the top down you have an issue with the switch.
Was this
answer
helpful?
Yes
No
Tuesday, June 16th, 2020 AT 10:22 AM

Please login or register to post a reply.