Thursday, April 27th, 2023 AT 3:57 AM
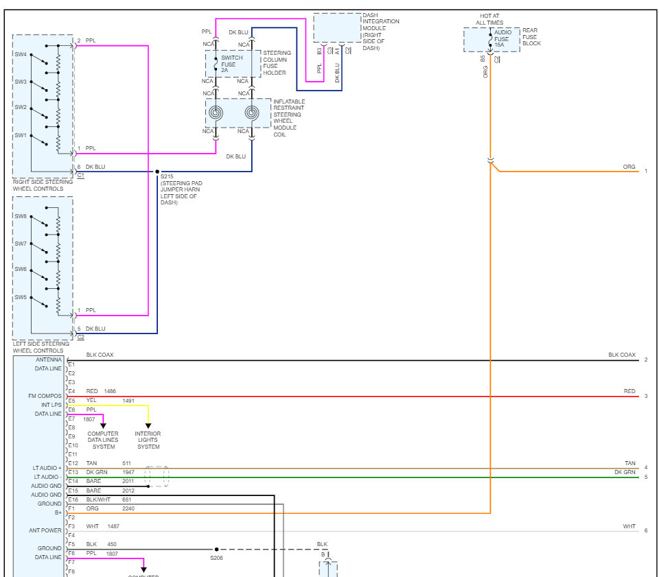
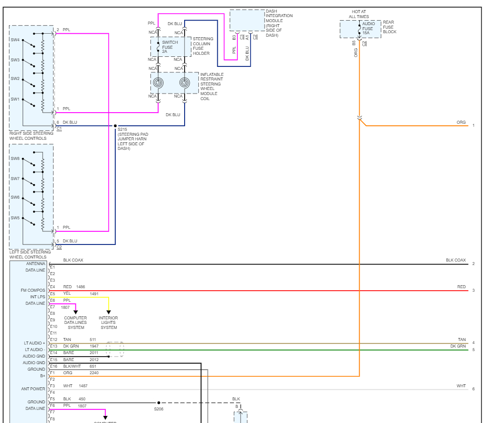
I bought a pioneer sph-10bt stereo to put in my car listed above, which does have the factory amp, but it does not have a Bose system. The interface/wiring harness I'm trying to install is a PAC model number os2-gm32x. The interface has 2 sets of speaker wires white/black and grey/black I hooked those with the matching colors on back of pioneer. But what do I hook the other 2 sets coming off back of pioneer that are purple and green. Why does the OEM plug coming out from the dash have only 3 sets of audio wires instead of 4? And why does each set have 3 wires instead of 2? I read something about return audio wire or common ground wire. Which ones go to the factory amp? Must be purple and blue because I notice there isn't anything plugged into that slot in the harness because for some reason the factory amp doesn't seem to be working?






