Friday, March 17th, 2017 AT 8:49 AM
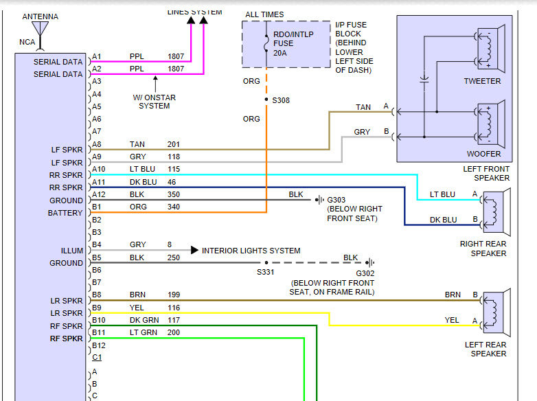
I bought a stereo for my wife's car now I know that black is ground, orange is constant power. Coming from the car. There are four wires on back of the stereo. Yellow is twelve volt battery, red is accessory, black is ground, and blue remote or antenna the rest are speaker. I bought a wire harness an cannot get power to the new radio. What can I do?



