HOME
ASK A QUESTION
REPAIR GUIDES
BECOME A MEMBER
LOG IN
Login with Facebook
OR
Remember me
NOT A MEMBER?
FORGOT PASSWORD?
CONTACT US
PRIVACY POLICY
TERMS AND CONDITIONS
☰
Home
Dodge
Journey
Electrical
Fuse Panel
Location
After market amp and sub
FATHOMBANMAN
MEMBER
2009 DODGE JOURNEY
3.2L
FWD
AUTOMATIC
70,000 MILES
I am trying to hook up a after market amp and sub, but do not know the color scheme for the speakers to install the output converter.
I have the power cord hooked up to the positive post on the fuse box and it is grounded in the back where the jack is located.
Monday, June 5th, 2017 AT 2:50 PM
1 Reply
KEN L
MASTER CERTIFIED MECHANIC
54,877 POSTS
Hello,
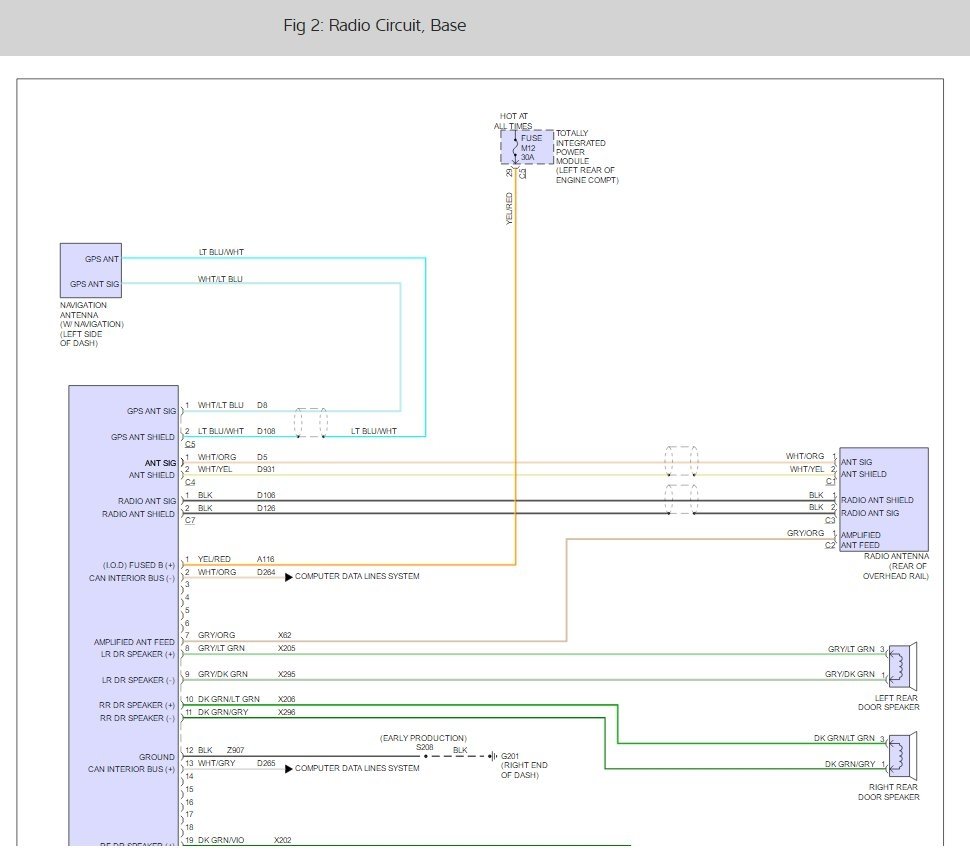
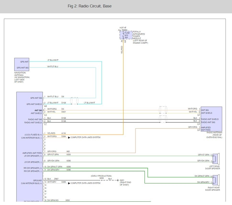
I have found the radio wiring diagrams for both the base and premium radios (below)
Please let us know if you need anything else to get the problem fixed.
Cheers, Ken
Images (Click to make bigger)
Was this
answer
helpful?
Yes
No
Thursday, June 8th, 2017 AT 11:08 AM
Please
login
or
register
to post a reply.
Related Fuse Panel Location Content
Fuse Panel I Think It Is A Fuse Problem
I Have Heat On Driver Side But None On Passenger Side I Have Changed The Actuator Door And Now I Think It Is A Fuse Where Are They And How...
Asked by
Lacy21
·
1 ANSWER
8 IMAGES
2009
DODGE JOURNEY
Ask a Car Question. It's Free!
How to Use a Test Light
Code Read Retrieval/Clear Mercedes Benz
Spark Plug Replacement - Chevrolet