HOME
ASK A QUESTION
REPAIR GUIDES
BECOME A MEMBER
LOG IN
Login with Facebook
OR
Remember me
NOT A MEMBER?
FORGOT PASSWORD?
CONTACT US
PRIVACY POLICY
TERMS AND CONDITIONS
☰
Home
Ford
Explorer
Body
Mirror
Light
Adding puddle light
SEANTOLLIVER
MEMBER
2003 FORD EXPLORER
4.0L
V6
2WD
AUTOMATIC
230,000 MILES
Hello,
My power mirror has four wires. Is it possible to add a puddle light/mirror? I have the XLS model. What is required?
Monday, December 4th, 2017 AT 1:54 PM
1 Reply
KEN L
MASTER CERTIFIED MECHANIC
55,090 POSTS
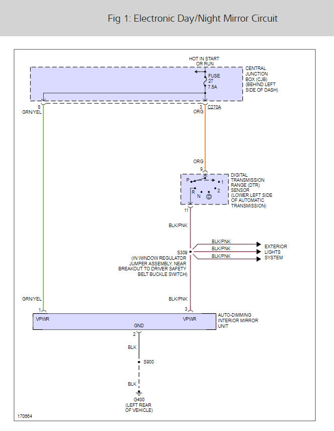
Hello,
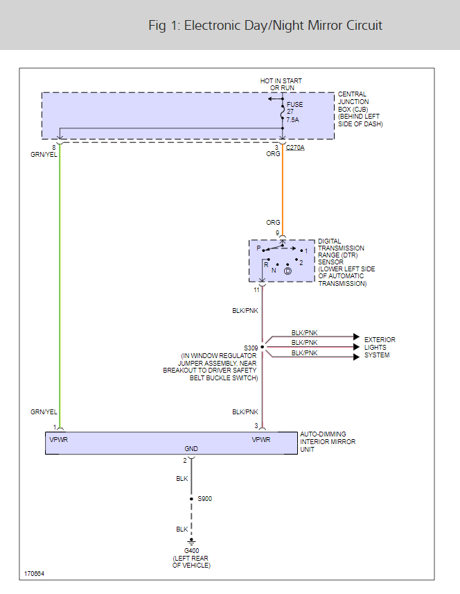
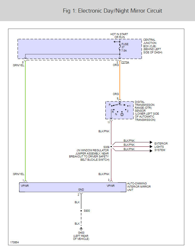
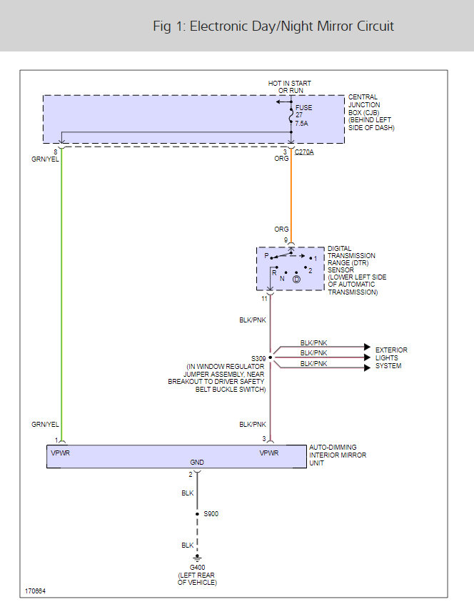
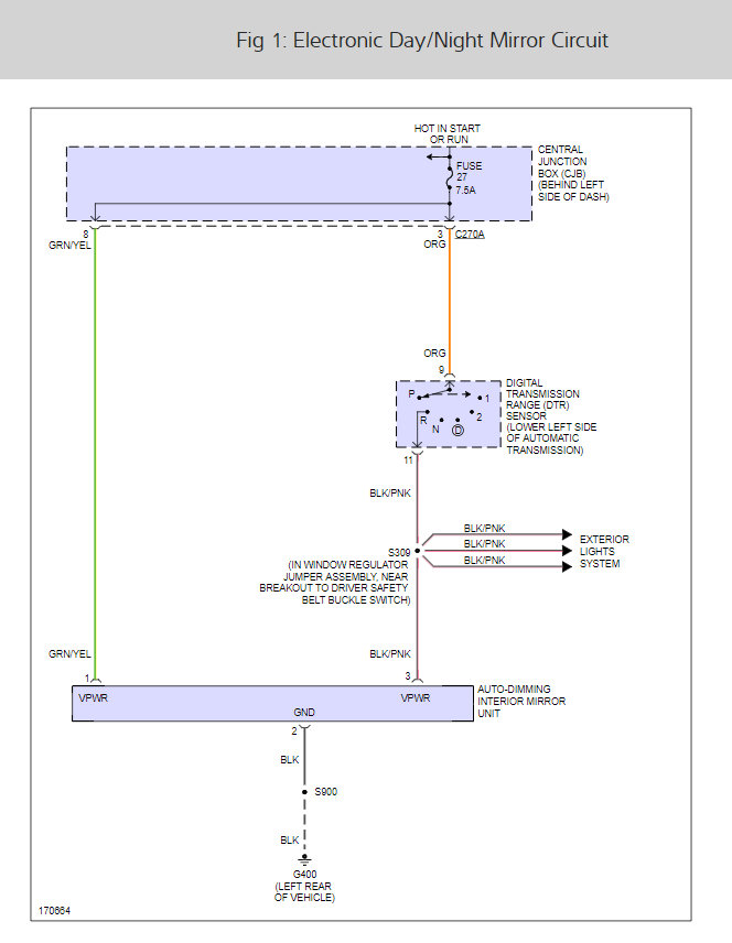
Yes, it is possible just tap into the interior light circuit.
Here is the wiring diagram so you can make it happen.
Check out the diagrams (below).
Please let us know if you need anything else to get the problem fixed.
Cheers, Ken
Images (Click to make bigger)
Was this
answer
helpful?
Yes
No
Tuesday, December 5th, 2017 AT 3:05 PM
Please
login
or
register
to post a reply.
Related Mirror Light Content
2002 Ford Explorer Map Light And Mirror Lights Stay...
When The Key Is In The Ignition And The Vehicle Is Off And With All Of The Doors Closed, The Chime Of Ignition Does Not Go Off Until You...
Asked by
andyha
·
1 ANSWER
2002
FORD EXPLORER
1995 Ford Explorer How To Replace The Side View...
1995 Ford Explorer 6 Cyl Four Wheel Drive Automatic 130k Miles I Would Like To Know How To Replace The Passenger Side, Side View Mirror...
Asked by
acm87
·
1 ANSWER
1995
FORD EXPLORER
1998 Ford Explorer Drivers Side Mirror
How Do I Remove The Interior Door Panel To Get To Replce The Drivers Side Mirror On A 1998 Ford Explorer, Eddie Bauer
Asked by
pvanderploeg
·
1 ANSWER
1998
FORD EXPLORER
My Autolamps Dont Work Checked Fuses Good There Is No...
My Autolamps Dont Work Checked Fuses Good There Is No Juice In Autolamp, No Matter Who I Go To I Get No Results Parts Place Told Me There Is...
Asked by
Anonymous
·
2 ANSWERS
1 IMAGE
1999
FORD EXPLORER
Rearview Mirror 2001 Ford Explorer
How Do You Remove The Metal Button From The Rearview Mirror Of A 2001 Ford Explorer
Asked by
bbaggins
·
1 ANSWER
2001
FORD EXPLORER
VIEW MORE
Ask a Car Question. It's Free!
Door Panel Removal
How to Use a Test Light