Adding power mirrors?

2010 CHEVROLET SILVERADO
180,000 MILES • 4.8L • V8 • 2WD • AUTOMATIC
Avatar
CRAIGHUARD
  • MEMBER
  • 1 POST
Can you add power mirrors to this truck when it has no power door locks or windows?
Aug 27, 2022 at 9:14 AM
Repair Safety Notice: This information is for general instructional purposes only. Vehicle repair can be dangerous. Verify all information, follow manufacturer service procedures, use proper tools and safety equipment, and consult a qualified repair shop when needed.
Advertisement
Avatar
STRAILER
  • AUTOMOTIVE REPAIR CONTRIBUTOR
  • 54,162 POSTS
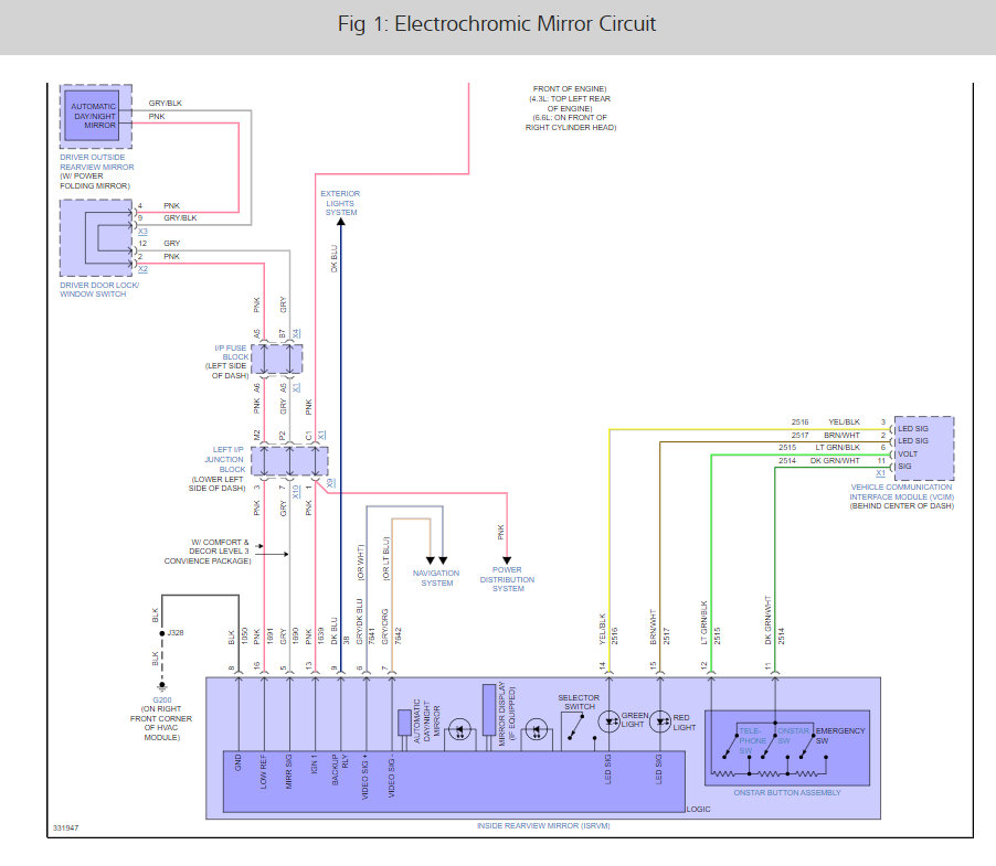
I don't think so because the BCM is involved, and I believe the wiring harnesses are different. You would need to change a bunch of stuff to make it work. here are the power mirror wiring diagrams (below) so you can see everything involved.
Aug 27, 2022 at 11:37 AM
Advertisement