Monday, September 26th, 2022 AT 1:11 PM
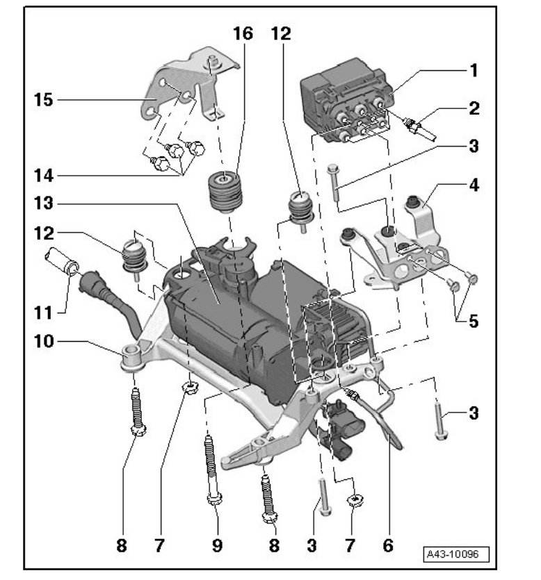
When I start my engine, the adaptive suspension lights come on (green, yellow or both). Normally the suspension would move to the required height and the lights would go off. Instead, a loud motor noise can be heard (in the attached video) coming from near the front right wheel. It continues on for a couple of minutes, sometimes intermittently, until it stops. I've taken it to the Audi garage, and they've said it isn't worth the cost of the repairs because I live in the Caribbean and the cost of labor and parts are high. I need to either ship it off the island to have it repaired elsewhere or live with it, which is distracting to say the least! Any help greatly received!








