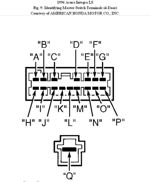
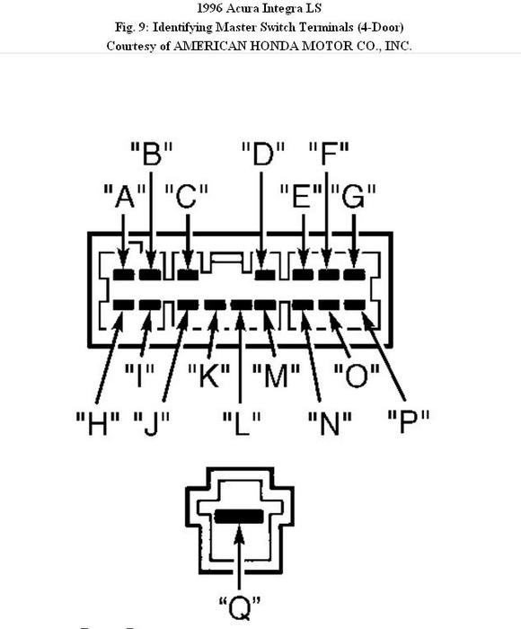
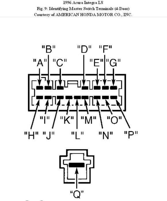
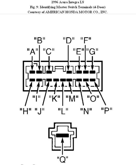
I'm having a problem with the front passanger side auto up window. Specifically, there are times when the window will partially roll up, then stops, then goes back down. This only happens when using the auto up button. If I manually hold the window up button, the window rolls up fine. This problem does not happen all the time. I'm thinking some type of sensor in the door. Any help would be appreciated.
Second, the right side side markers are popping off my TL. When I took a look at the side markers, it appears as though they are held in place by plastic clips which are on the side markers. The side markers are not broken. It just looks like the clips on the side markers are worn down a little. Is there a way I can fix the clips? My side markers are smoke color and expensive from the dealer. I'd rather fix them if possible.
Thanks!
Ryan
Tuesday, November 2nd, 2010 AT 4:30 PM



