Brake lights not working?

Tiny
SCOTTNSTACY
  • MEMBER
  • 2002 ACURA TL
  • 6 CYL
  • 2WD
  • AUTOMATIC
  • 90,000 MILES
My two brake lights do not work. The upper light in the rear window works. I have replaced the bulbs twice and checked the fuses. Still both brake lights do not work, only the one in the rear window does. Any iodeas?
Friday, February 19th, 2010 AT 4:51 AM

1 Reply

Tiny
JACOBANDNICKOLAS
  • MECHANIC
  • 110,194 POSTS
Hi,

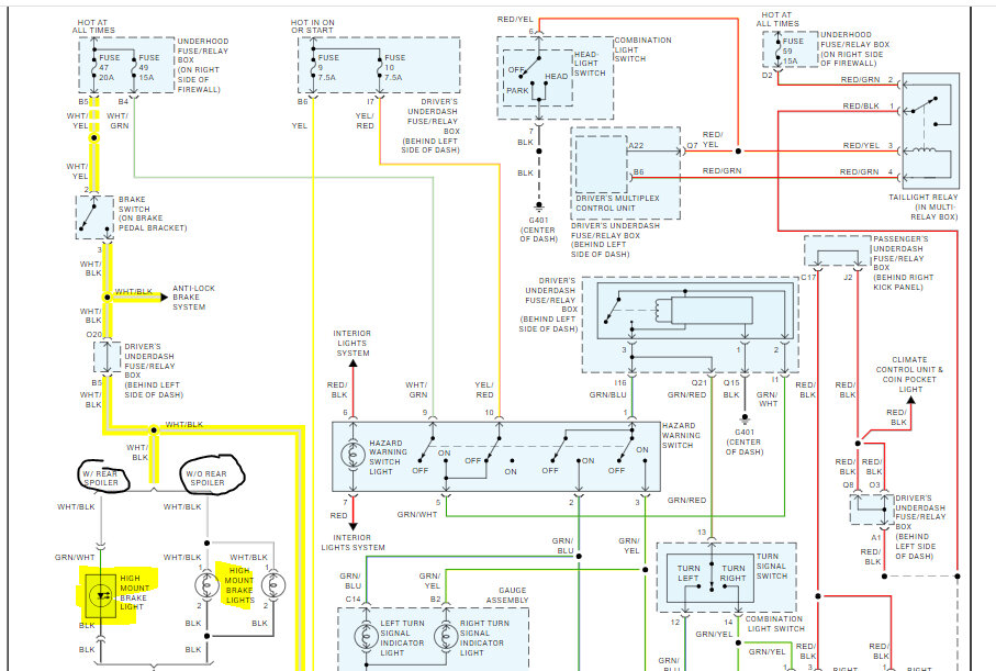
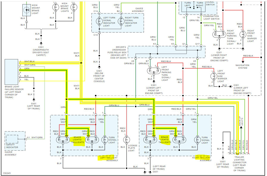
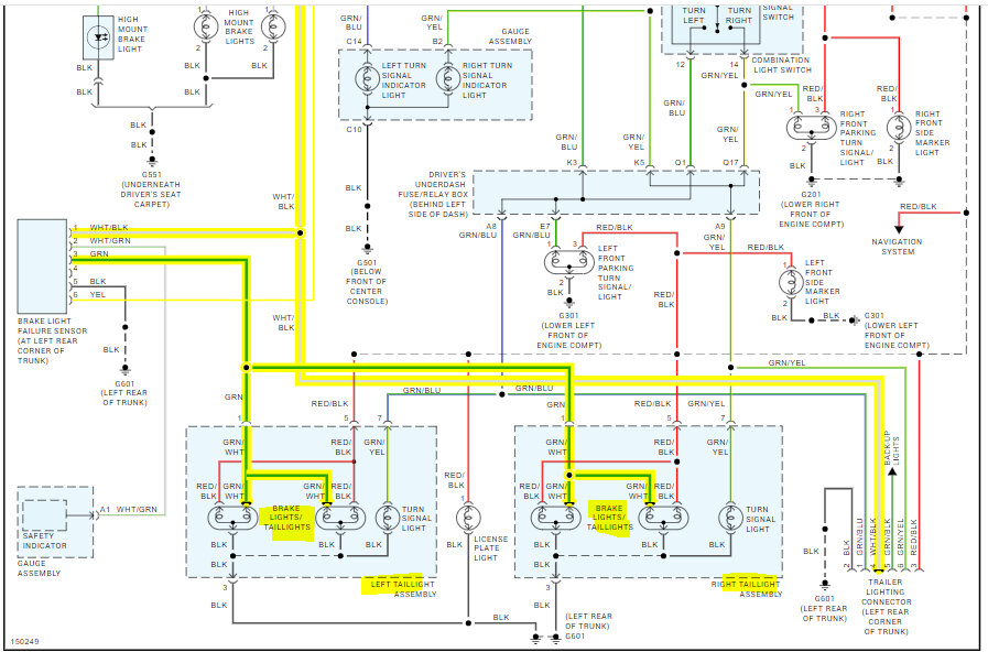
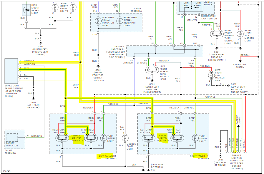
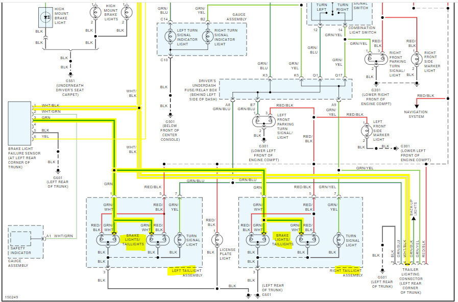
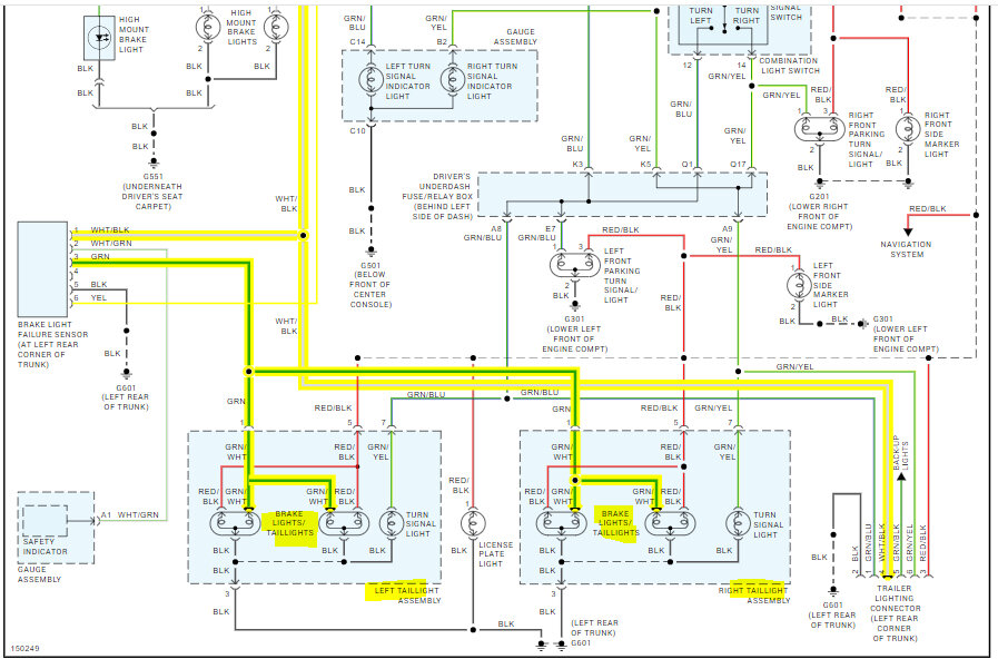
Looking at the wiring schematic, both the left and right brake lights and the center high mount stop lamp (CHMSL) get power from the same supply. So, we need to do some checking.

I attached the wiring schematic below so that you would have a reference. I need you to locate the green wire with the white tracer. There will be one on both sides at the lamp assembly. I need you to check if there is a power present. You can use a simple test lamp for this. Just have a helper press the brake pedal when you check.

Here is a link you may find helpful:

https://www.2carpros.com/articles/how-to-use-a-test-light-circuit-tester

Let me know what you find. Also, let me know if there is an indicator showing a bulb is out.

Take care,

Joe

See pics below. Note: I cut the schematic in half to make it readable for you. I did overlap the two so you can follow from one to the next and highlight the relevant wiring.
Was this
answer
helpful?
Yes
No
Monday, March 25th, 2024 AT 8:36 PM

Please login or register to post a reply.