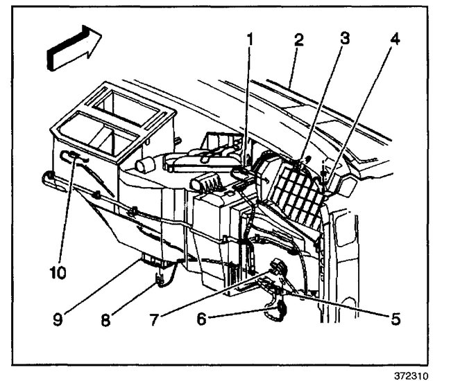
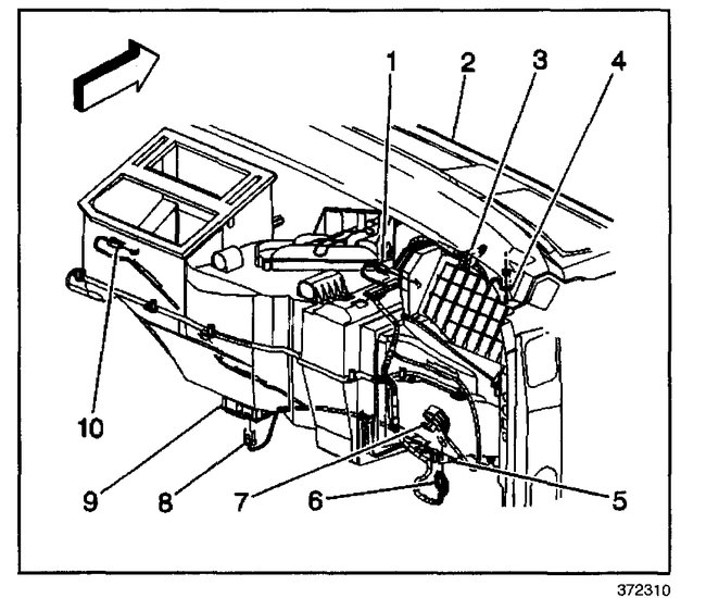
Actuator installation

Tiny
RANDY INGLE
  • MEMBER
  • 2002 CHEVROLET 2500
  • 325,000 MILES
My son removed the door actuator for the air flow but hurt his back and could not install the new one. There is a pin that goes into one of the groves. Is it the top groove or the one under it? Is there a certain position the actuator needs to be in prior to bolting it? I notice in the middle of the electronic part there are 2 slits so should those line up with the straight lines shown on the actuator?
Sunday, December 13th, 2020 AT 10:31 AM

1 Reply

Tiny
JACOBANDNICKOLAS
  • MECHANIC
  • 110,194 POSTS
Hi,

There are a few different actuators. Since you said air flow, I suspect it is the one for air flow direction (mode door actuator). If that is wrong, let me know.

Here are the directions for removal and replacement of the mode door actuator. The attached pics correlate with the directions.

___________________________________________

2002 Chevy Truck C 2500 Truck 2WD V8-6.0L VIN U
Mode Actuator Replacement (W/ D07)
Vehicle Heating and Air Conditioning Air Door Actuator / Motor Service and Repair Procedures HVAC System - Automatic Mode Actuator Replacement (W/ D07)
MODE ACTUATOR REPLACEMENT (W/ D07)
REMOVAL PROCEDURE

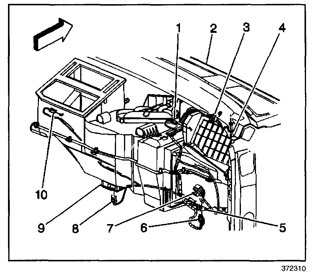
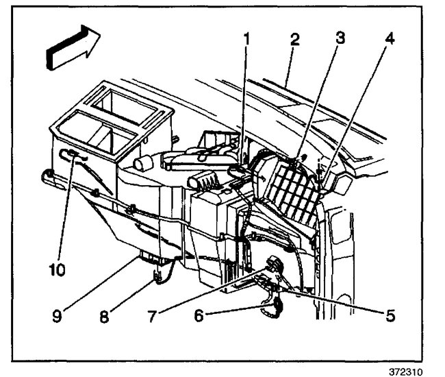
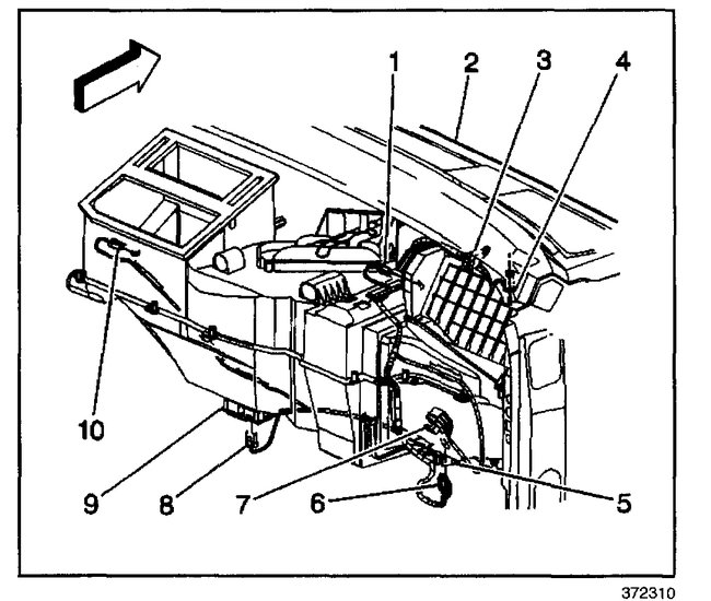
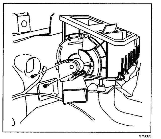
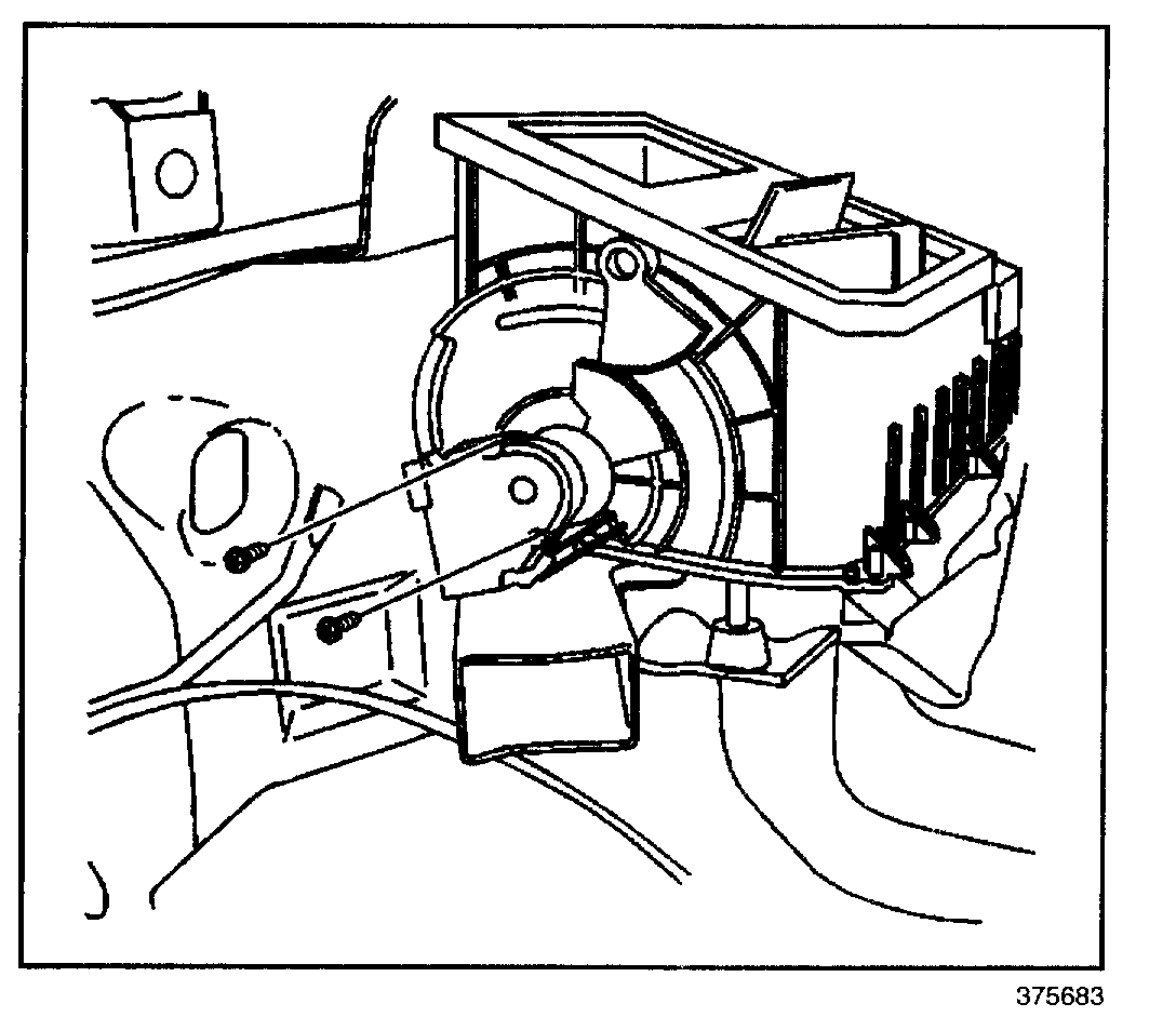
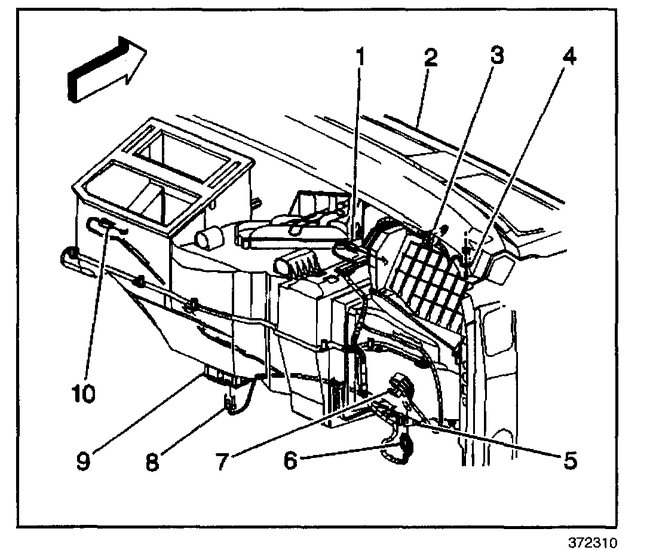
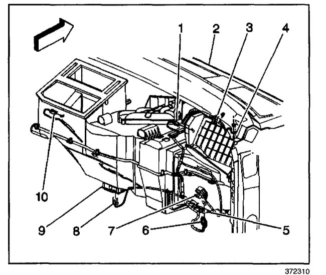
pic 1

1. Remove the floor air outlet duct extension (1) from the floor duct (2).
2. Remove the center console.
3. Remove the screws from the center console duct.
4. Remove the center console duct.

Pic 2

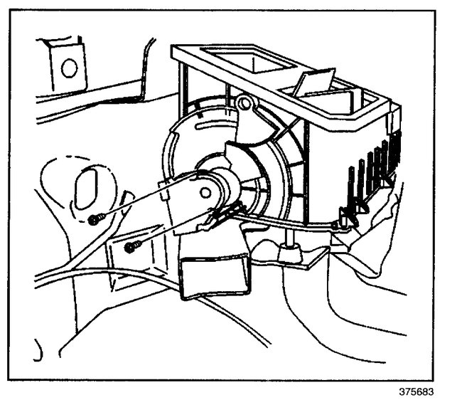
5. Disconnect the electrical connection from the mode actuator (10).

Pic 3

6. Remove the mode actuator mounting screws from the HVAC module.
7. Remove the mode actuator as an assembly with the actuator cam.

INSTALLATION PROCEDURE

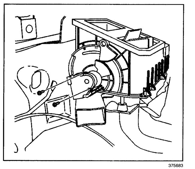
pic 4

1. Install the mode actuator as an assembly with the actuator cam.
- Line up the heater/defroster valve lever with the mode actuator cam slot.
- Line up the A/C valve lever with the mode actuator cam.

NOTE: Refer to Fastener Notice in Service Precautions.

2. Install the mode actuator mounting screw to the HVAC module.

Tighten
Tighten the screw to 1.6 N.M (14 lb in).

Pic 5

3. Connect the electrical connection at the mode actuator (10).

Pic 6

4. Install the center console duct.
5. Install the screws from the center console duct.

Tighten
Tighten the screw to 1.6 Nm (14 lb in).

6. Install the center console.
7. Install the floor air outlet dud extension (1) to the floor air duct (2).

Let me know if this helps or if you have other questions.

Take care,
Joe
Was this
answer
helpful?
Yes
No
Sunday, December 13th, 2020 AT 9:40 PM

Please login or register to post a reply.