AC Problem

Tiny
TILLY657
  • MEMBER
  • 2008 HONDA RIDGELINE
  • V6
  • 4WD
  • AUTOMATIC
  • 78,000 MILES
Actually blowing hot air on driver side semi cool air on passenger side.

How do you renew the temperature driver?
Thursday, July 6th, 2017 AT 12:01 PM

1 Reply

Tiny
HMAC300
  • MECHANIC
  • 48,601 POSTS
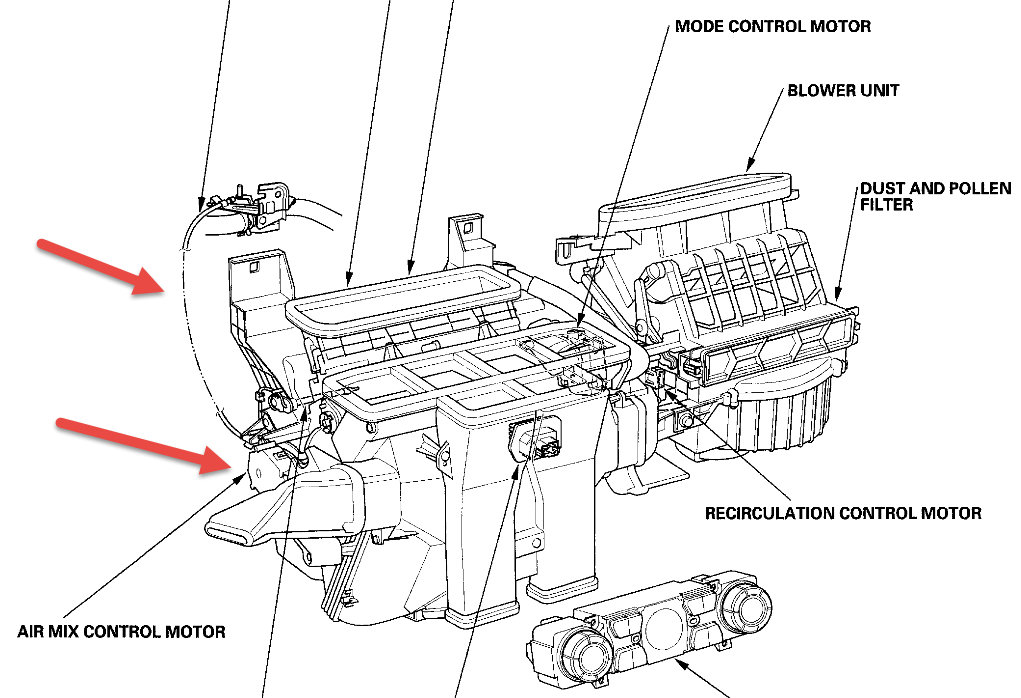
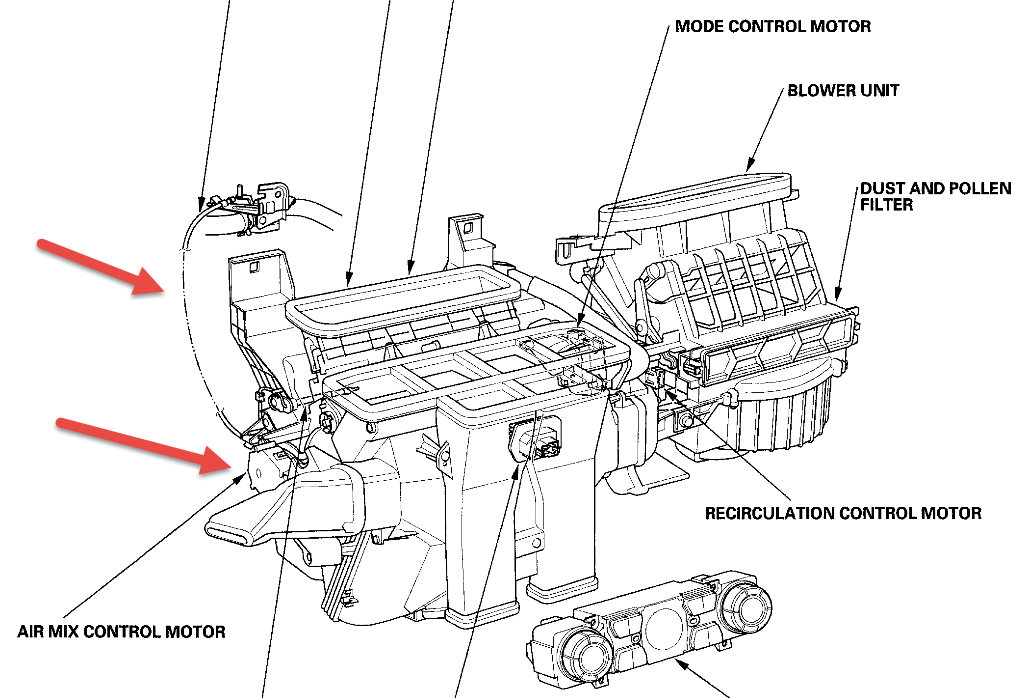
Try pulling fuse 30 inside truck to see if it will reset. If not it may be an air mix motor problem also check cable for heat/temp for breakage. See pic I am assuming this is not auto temp control if it is just try pulling fuse then have a mechanic scan for codes.
Was this
answer
helpful?
Yes
No
+1
Thursday, July 6th, 2017 AT 12:11 PM

Please login or register to post a reply.