Accelerator pedal engine wiring diagrams?

Tiny
ECLECTIC ECLECTIC
  • MEMBER
  • 2003 VOLKSWAGEN POLO
  • 1.6L
  • 4 CYL
  • 2WD
  • MANUAL
  • 50,000 MILES
Greetings. Does anyone have the wire diagram of the electronic accelerator pedal? Thank you.
Thursday, August 15th, 2024 AT 11:45 AM

3 Replies

Tiny
KEN L
  • MASTER CERTIFIED MECHANIC
  • 55,322 POSTS
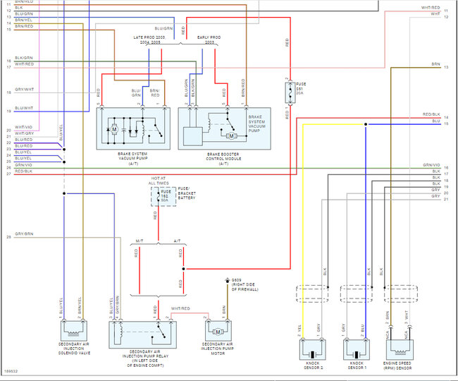
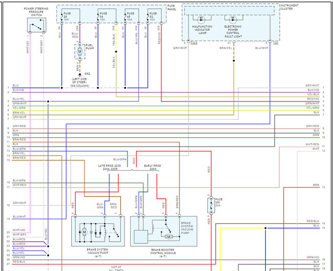
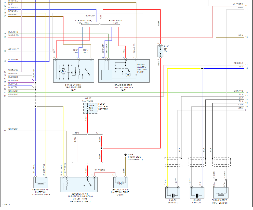
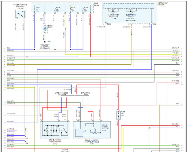
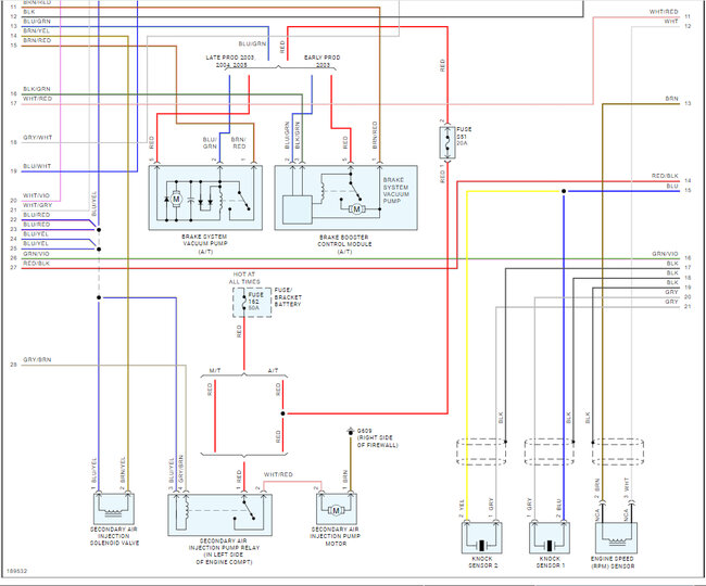
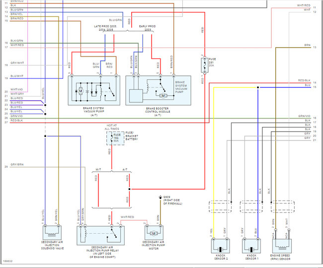
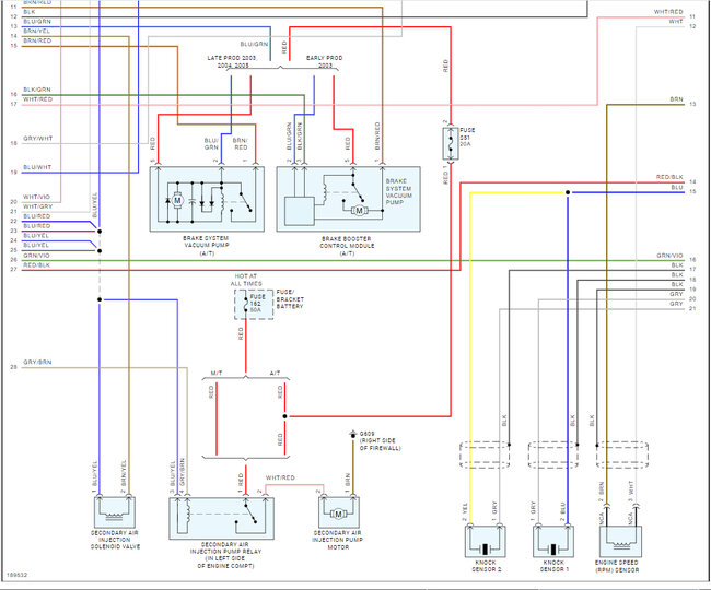
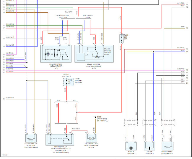
Sure, here is the wiring diagrams for the accelerator wiring diagrams and a guide to help do the testing:

https://www.2carpros.com/articles/how-to-check-wiring

Check out the images (below). Let us know if you need anything else.
Was this
answer
helpful?
Yes
No
Saturday, August 17th, 2024 AT 8:47 AM
Tiny
ECLECTIC ECLECTIC
  • MEMBER
  • 21 POSTS
If you have the wire values of each wire. Thank you.
Was this
answer
helpful?
Yes
No
Saturday, August 24th, 2024 AT 1:14 PM
Tiny
KEN L
  • MASTER CERTIFIED MECHANIC
  • 55,322 POSTS
They don't give us those sorry, here is the complete wiring diagrams though which can help. Here is a guide that will help you test the wiring and the complete engine wiring diagrams below.

https://www.2carpros.com/articles/how-to-check-wiring

Check out the images (below). Please let us know what happens.
Was this
answer
helpful?
Yes
No
Sunday, August 25th, 2024 AT 9:20 AM

Please login or register to post a reply.