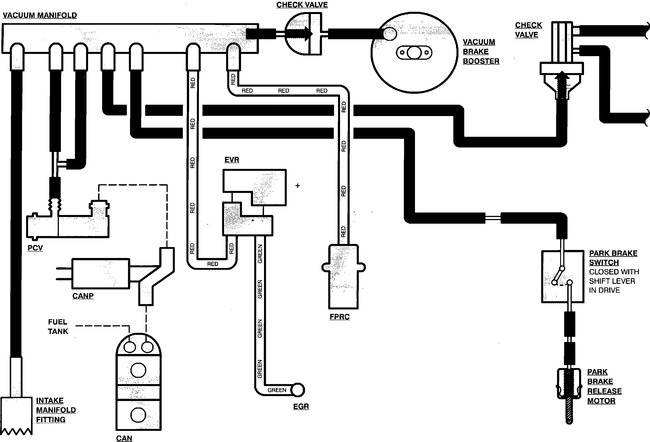
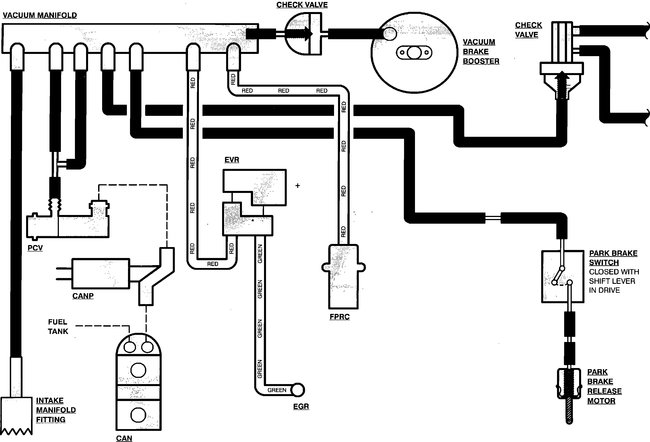
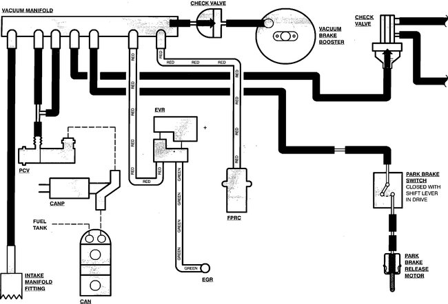
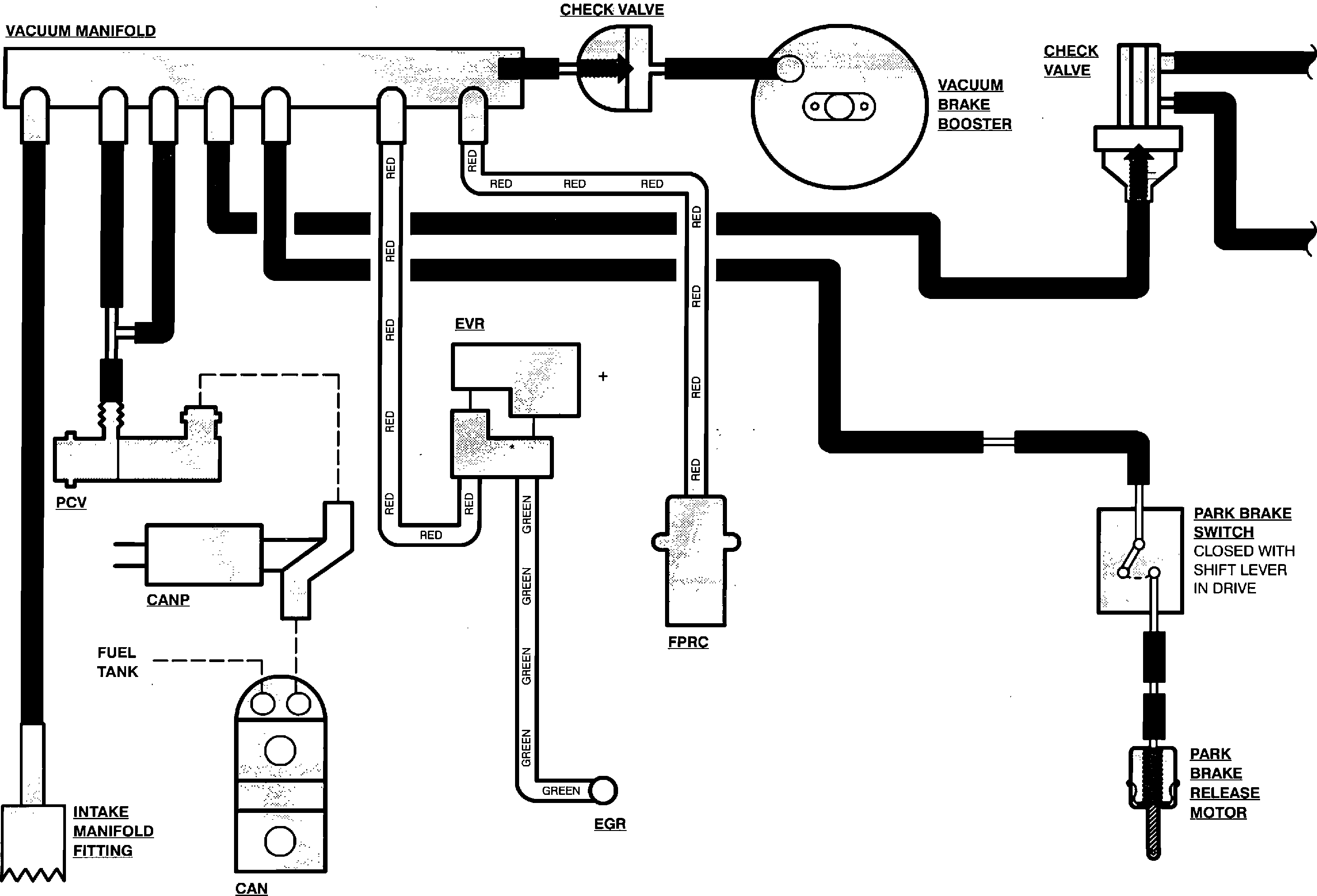
When you try holding it at a specific speed (50 mph is usually the worst) it has a jerk to it almost like the transmission is slipping does this at highway speed as well but almost unnoticeable. I’ve driven it for a week like this and the transmission hasn’t quit. I’ve pressure tested the fuel on the fuel rail it read 40 psi. Changed the fuel filter. Changed spark plugs, changed ignition wires.
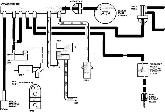
It has had this back fire, engine running poorly upon acceleration for quite a while, but this jerking thing the car does at highway speeds began after I fixed a vacuum leak that runs from a T connector on the passenger side to another port on the drivers side of the engine. It passes between the block and the intake. Next to the one connected to the fuel rail. What the heck is going on with this car?
Tuesday, April 30th, 2019 AT 6:56 PM






