Monday, June 3rd, 2019 AT 9:15 PM
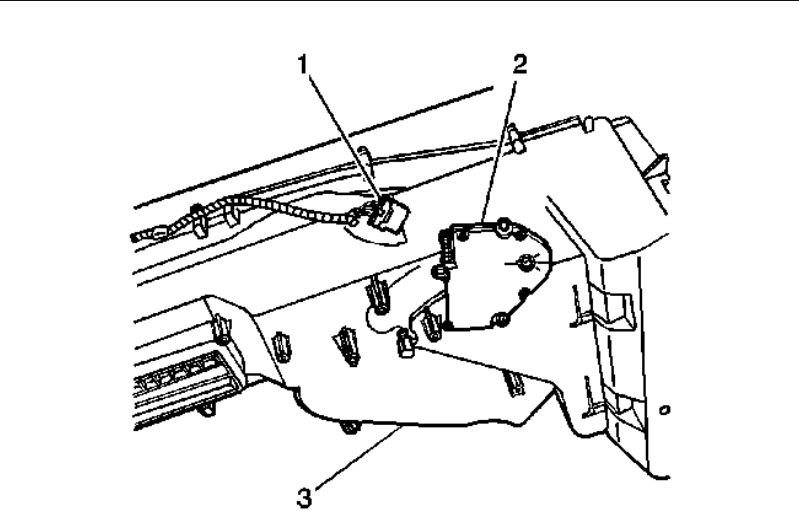
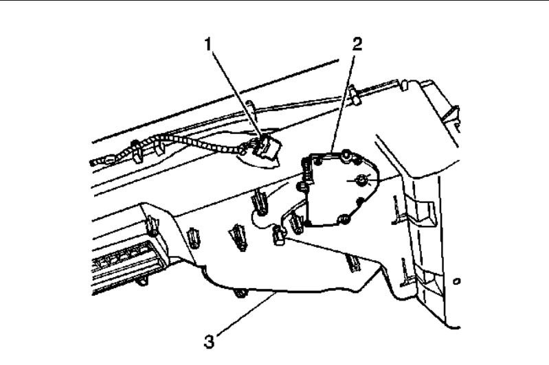
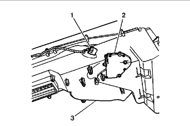
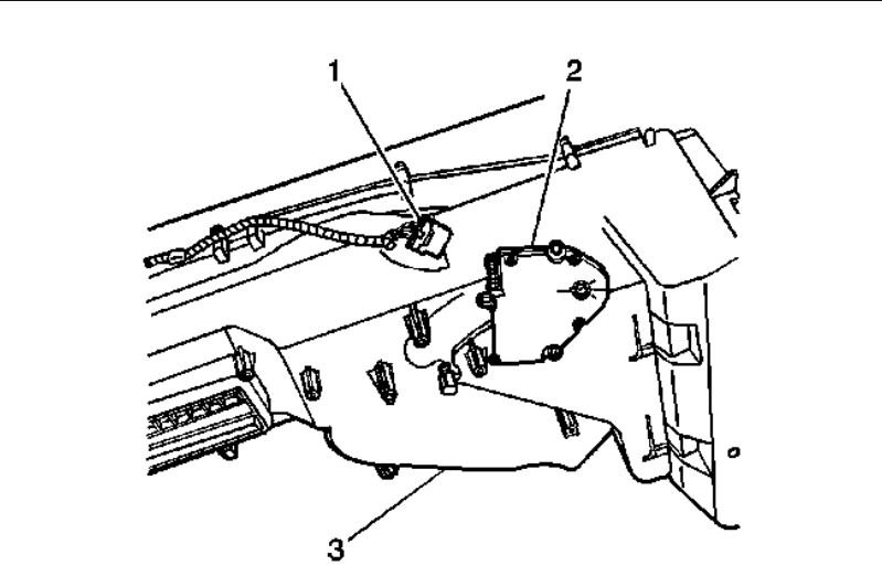
A/C blows mildly cool in front heater blows okay, rear A/C blows good cold air. Low pressure line is cold output line is slightly cool. Replaced very bottom actuator but no change. There are two others I believe one on top and other re circulation maybe I am wrong. Could it be A/C evaporator or actuator trouble?



