Tuesday, April 9th, 2019 AT 9:58 AM
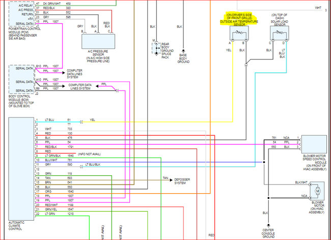
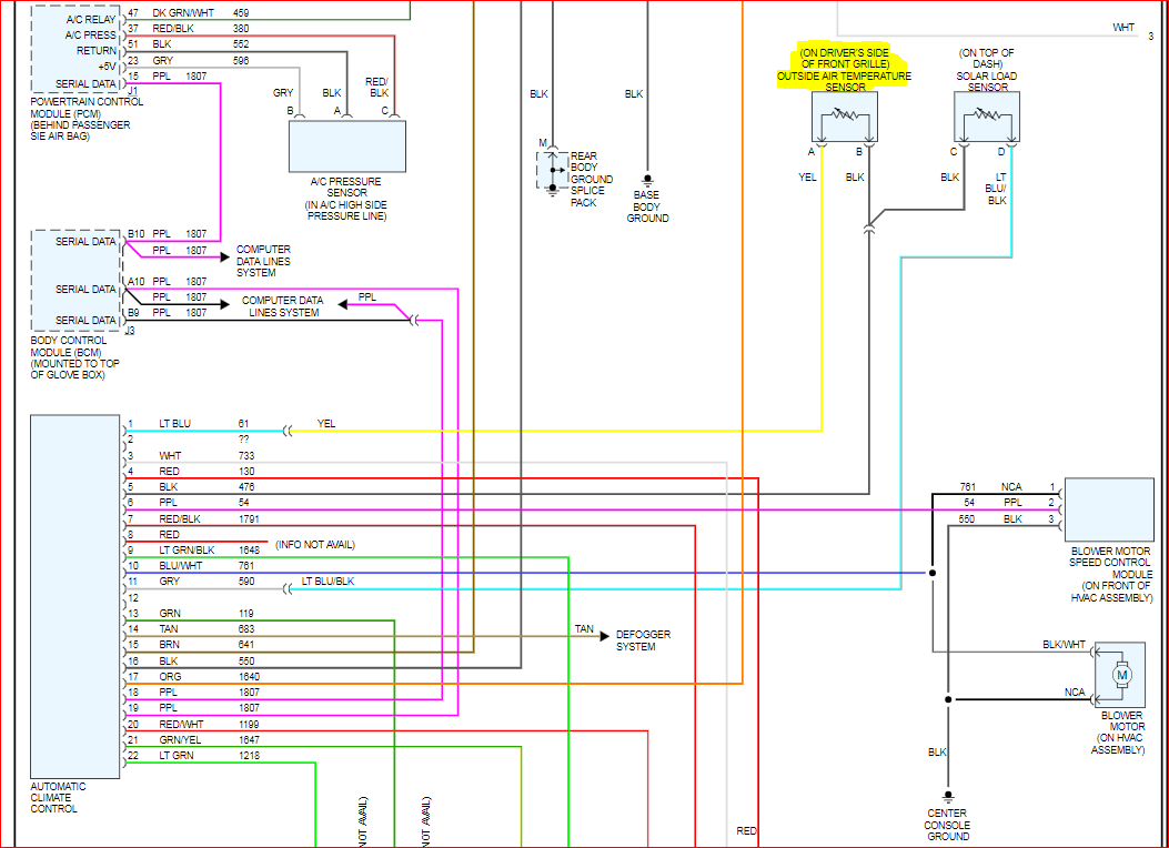
The A/C is not working, I think it's the climate control sensor for exterior. The digital readout says OC the blowers are working and when I get something different on screen it is negative 40 so blows hot air. I need an illustration of where sensor is located.




