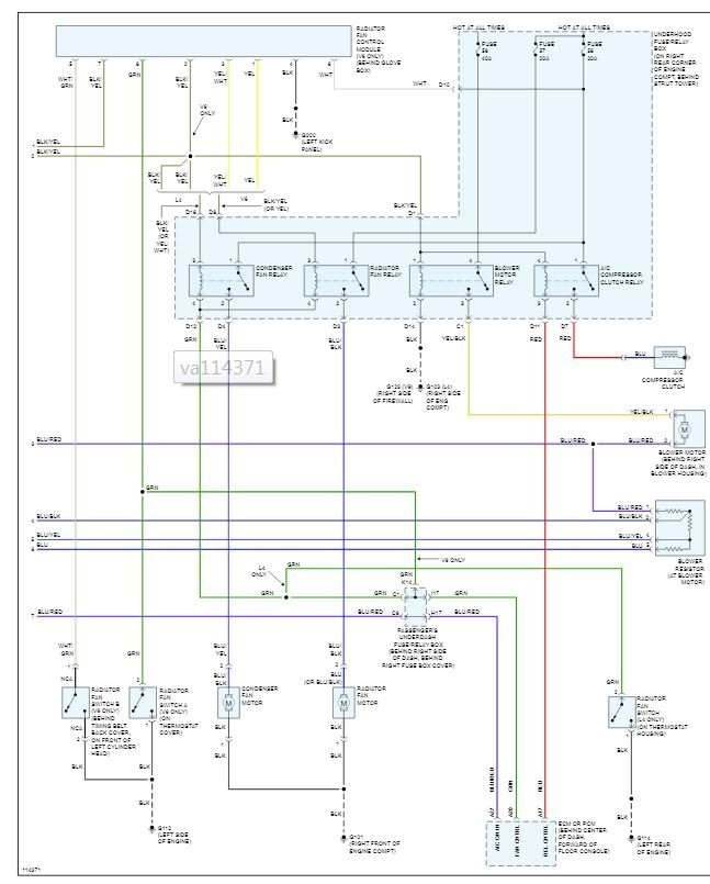
Checked pressure with manifold gauges (80 psi both low and high).
All control lights are working.
Ran DPT self-test (no errors).
Clutch doesn't engage with a/c on (can spin manually).
Turned on A/C and depressed clutch with pry bar. I can hear the friction, but it never engages.
Checked relay (by substitution) and it is fine.
When A/C is on, condenser fan is running.
Monday, July 15th, 2019 AT 1:15 PM



