Tuesday, June 14th, 2016 AT 5:04 PM
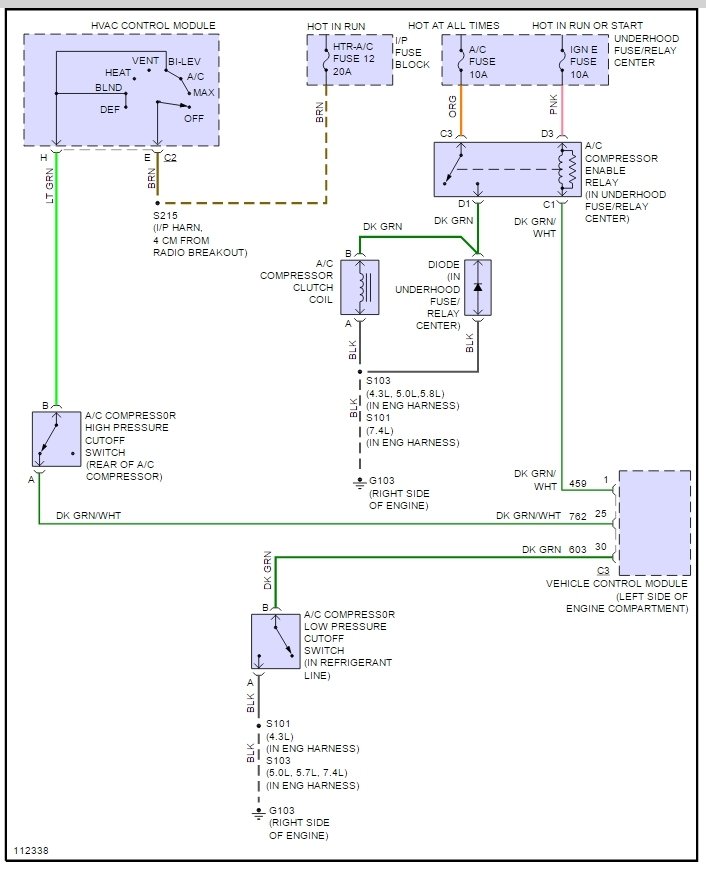
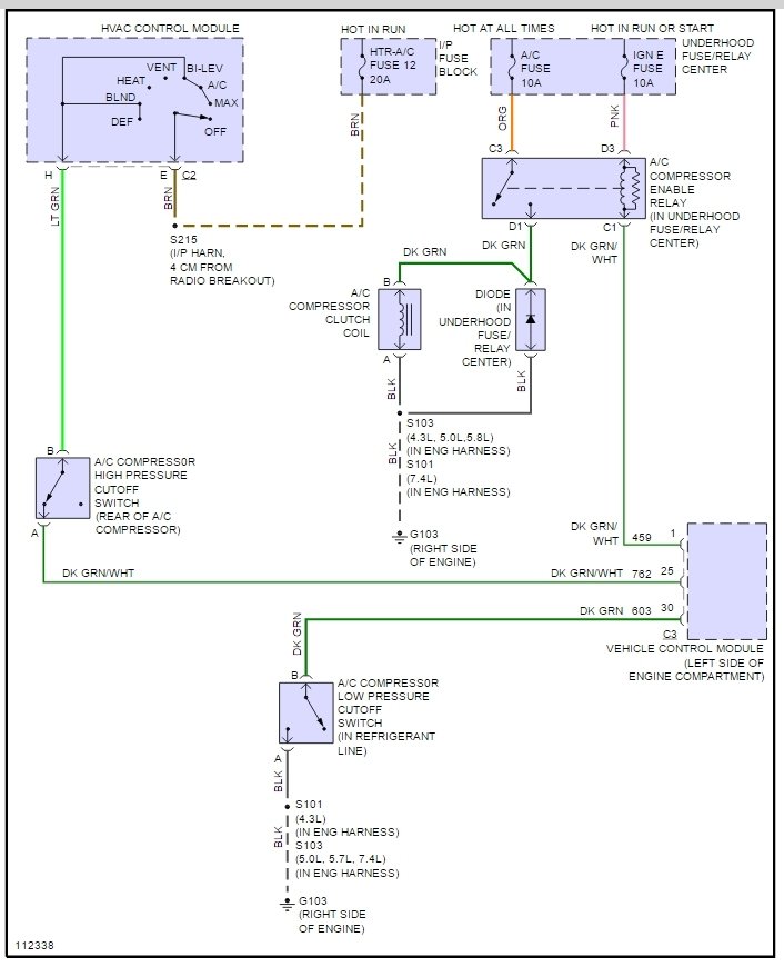
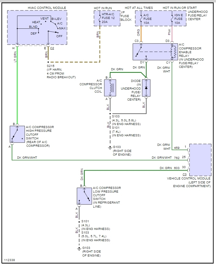
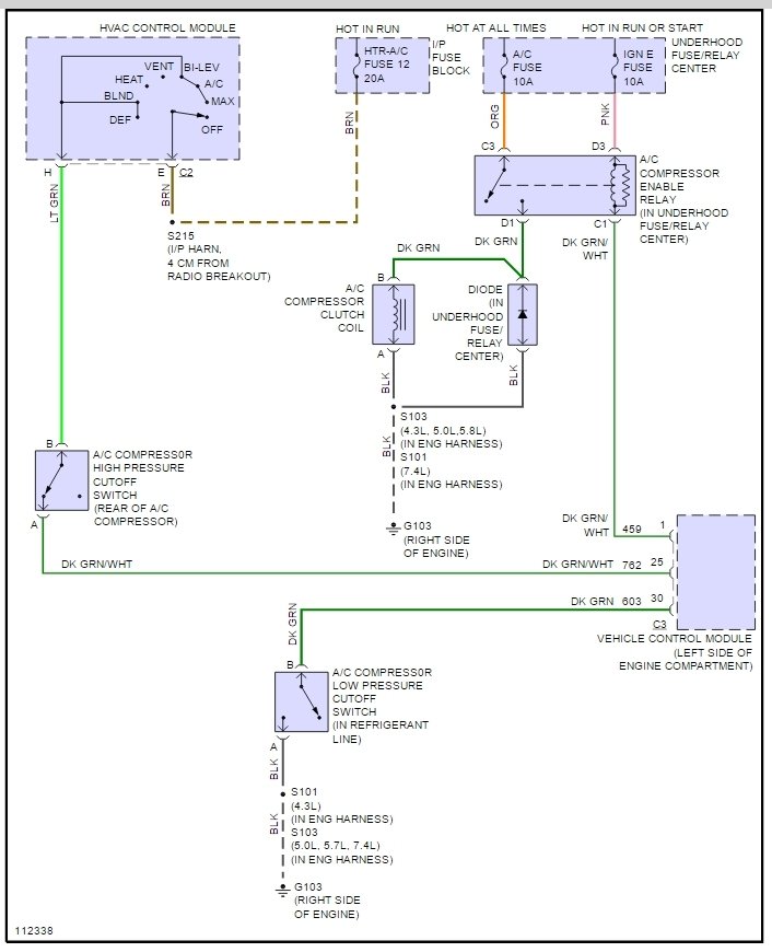
The air conditioner compressor is not getting power, I used a power probe to apply power to compressor and the compressor kicks on and blows cold air, I then went to the relay and was able to jump terminal 87 to 30 with power probe and once again the compressor kicks on and blows ice cold, not sure where to go next.



