Saturday, April 20th, 2019 AT 3:04 PM
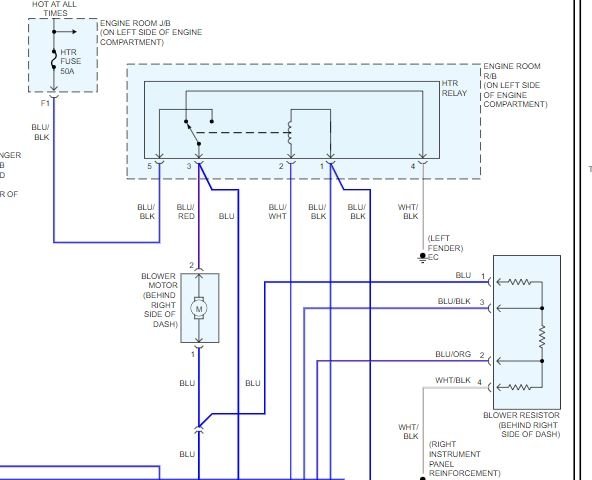
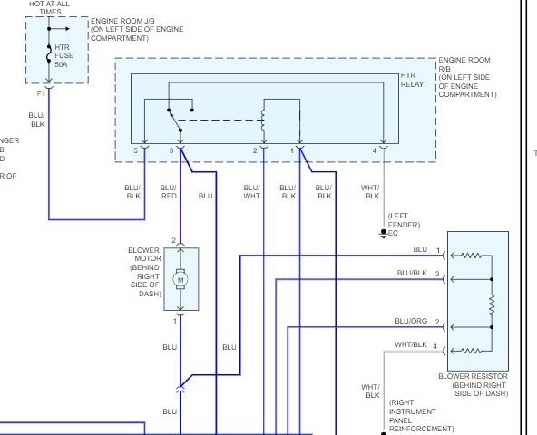
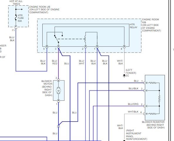
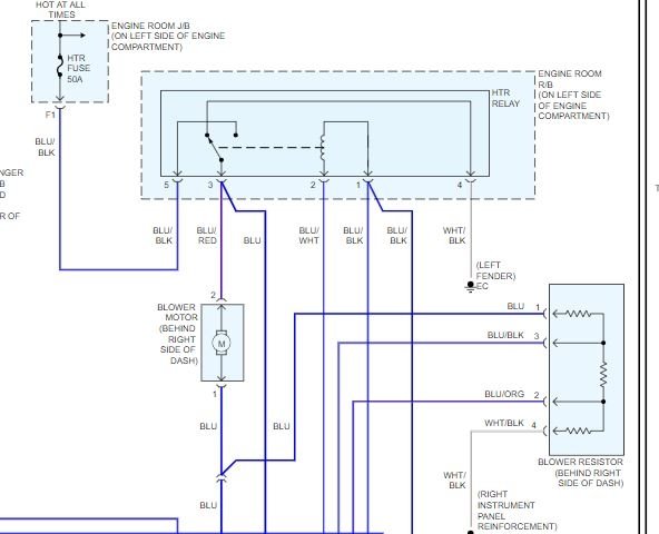
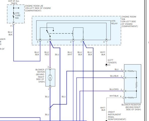
A/C stopped blowing, however I can hear the compressor turn on and off. The air will trickle out with the A/C unit on as long as I'm moving. When I stop it stops. Turning off A/C system air moves through vent system. I took the glove box off tapped the blower motor and wiggled the switch to the blower motor and it came on however only on low. Please help. Is it a resistor connector or the blower motor its self?



