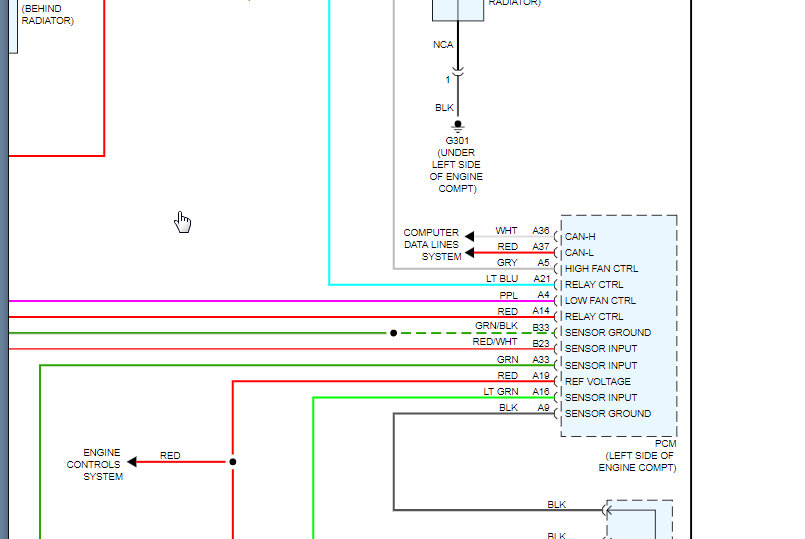
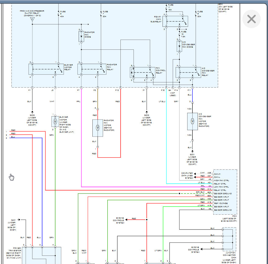
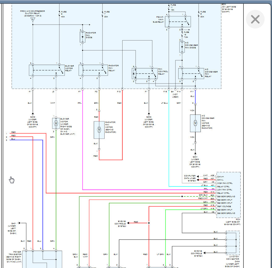
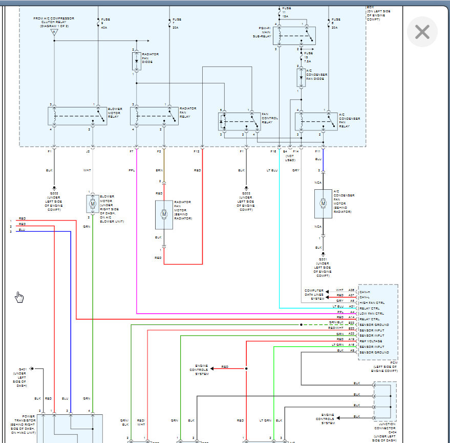
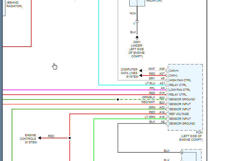
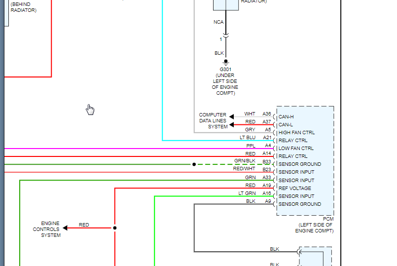
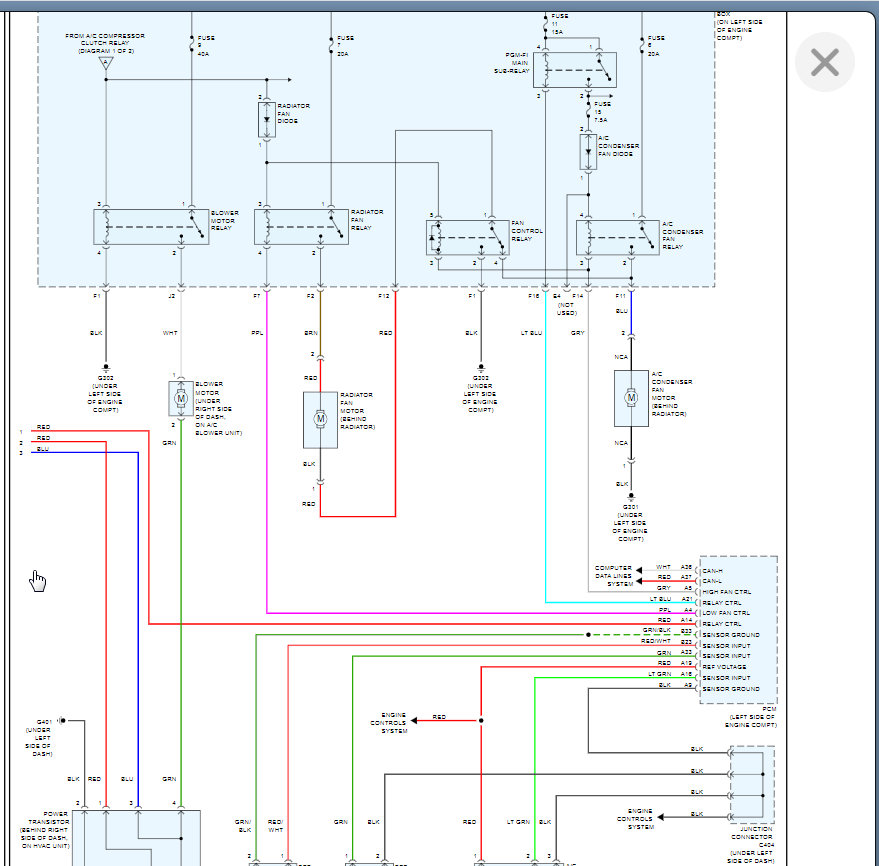
switched compressor clutch relay with fan relay. Fans work, clutch not engaging.
tried to jumper clutch at relay unsuccessfully.
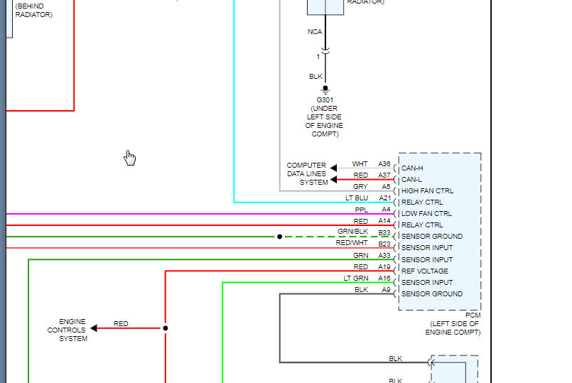
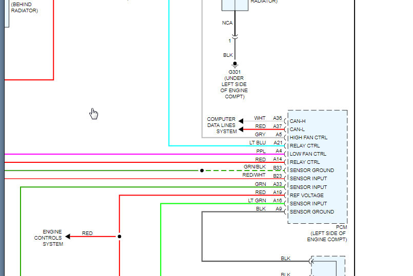
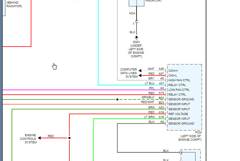
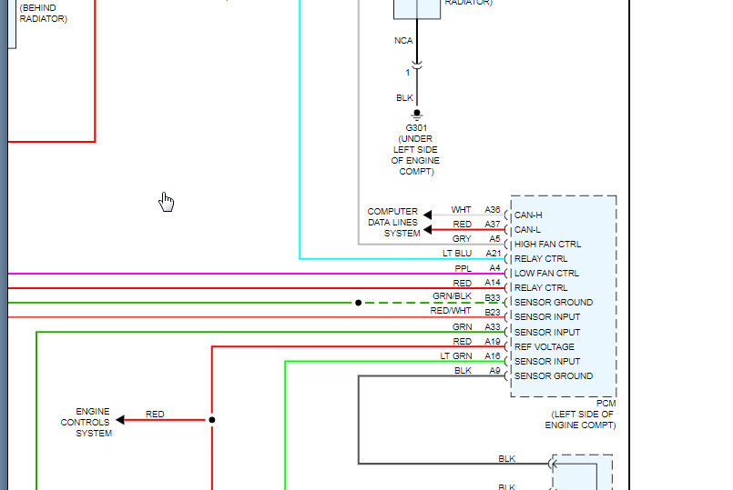
checked for power and ground at clutch relay terminals with test light. One terminal is continuous with positive battery terminal, no light on other switched terminal. One of the unswitched terminals of the clutch relay changes from continuous with positive battery terminal to continuous with negative battery terminal when the key is on and off. No light indicator on the other unswitched terminal.
checked all fuses in the engine compartment and cabin fuse boxes with test light and all lit.
what next?
Saturday, July 25th, 2020 AT 10:56 AM



















