A/C not working?

Tiny
RSCHERER1
  • MEMBER
  • 2002 LINCOLN CONTINENTAL
  • 4.6L
  • V8
  • 2WD
  • AUTOMATIC
  • 152,000 MILES
My A/C unit is not coming on. Fan works but no cold air. Compressor not getting signal to engage clutch. Freon level is okay.
Thursday, October 19th, 2023 AT 9:36 PM

1 Reply

Tiny
MONSTERTRUCKDADDY
  • MECHANIC
  • 31 POSTS
Hello,

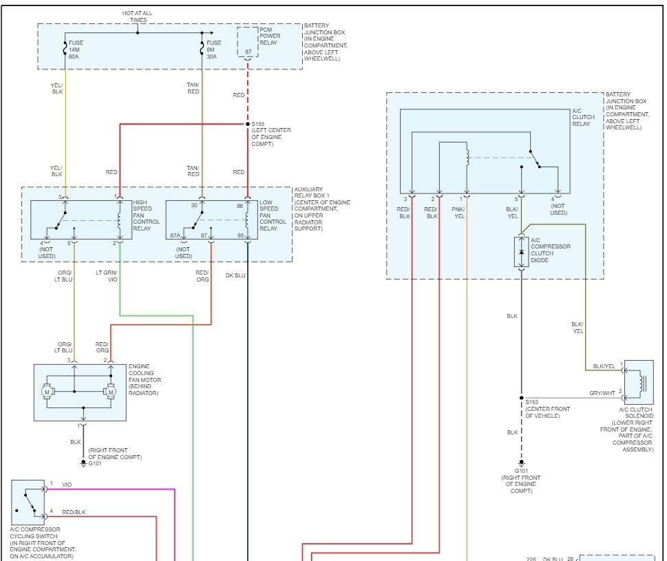
If you are sure the freon is ok, you'll want to check the fuses to be sure the clutch is getting proper power. It could also be a bad pressure switch, relay, or even wiring. Please look over these schematics and let me know if you have any questions.

Clutch relay is controlled by PCM, but powered through switch that gets power from fuse 34
Was this
answer
helpful?
Yes
No
Friday, October 20th, 2023 AT 6:05 AM

Please login or register to post a reply.

Related Air Conditioner Not Working Content