Where is the A/C low pressure switch located?

Tiny
DARIANLIV1992
  • MEMBER
  • 2012 CHEVROLET CAPTIVA
  • 2.4L
  • 4 CYL
  • 2WD
  • AUTOMATIC
  • 250,000 MILES
My A/C went out and I can't find my low pressure switch I believe I found the high pressure switch located closer to the compressor I can't find any videos or diagrams that tells me where it is I'd like to change the pressure switches before I replace the compressor. Please does anyone know where the low-pressure switch is on the car listed above?
Friday, May 23rd, 2025 AT 5:03 PM

1 Reply

Tiny
STEVE W.
  • MECHANIC
  • 15,688 POSTS
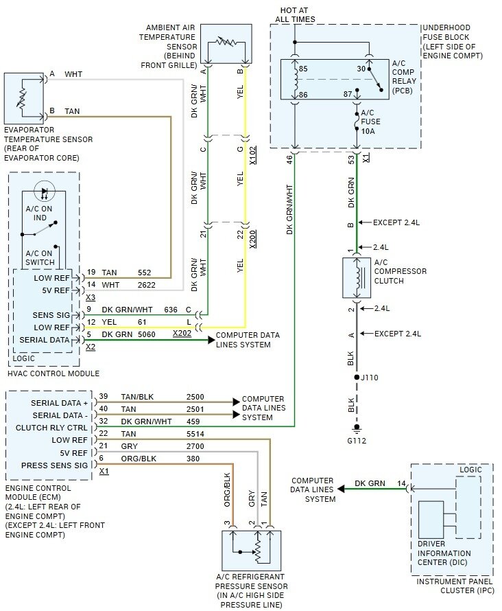
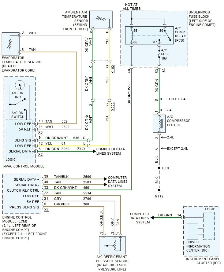
The Captiva uses a single pressure sensor on the system instead of switches. Basically, it's a variable resistor and not a simple pressure switch. Easy to test it as well. Take a meter set to volts and look for 5 volts between pins 1 (tan wire) and 2 (Gray wire) on the connector with the key on. Pin 3 (orange w black) is the signal out to the ECM. I would check the AC fuse to verify it is getting power when the AC is commanded on. It is after the relay so it would also tell you if the relay is activating. If you use a back probe at the X1 connector terminal 32 on the ECM (dark green wire) that wire switches the ground side of the relay control. So, to test the relay you could simply apply ground to it, if the relay operates and the compressor clutch engages the relay and its parts are okay. If you do that but still do not have cooling, then I would check the state of charge in the system.
Was this
answer
helpful?
Yes
No
Saturday, May 24th, 2025 AT 6:18 AM

Please login or register to post a reply.