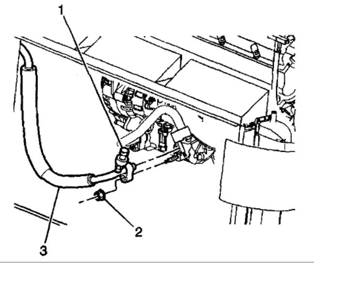
A/C Low pressure sensor switch location

Tiny
ABRAHAM CARDENAS
  • MEMBER
  • 2000 CADILLAC DEVILLE
  • 4.6L
  • V8
  • 2WD
  • AUTOMATIC
  • 103,400 MILES
Where in the world is this thing?
Tuesday, June 13th, 2017 AT 5:44 PM

3 Replies

Tiny
ABRAHAM CARDENAS
  • MEMBER
  • 2 POSTS
Just replaced compressor.
Was this
answer
helpful?
Yes
No
-3
Tuesday, June 13th, 2017 AT 6:00 PM
Tiny
MHPAUTOS
  • MECHANIC
  • 31,937 POSTS
What is the exact problem you are having and with the new compressor was the correct weight of refrigerant installed using the correct equipment, or was it filled with a top up can?
Was this
answer
helpful?
Yes
No
+3
Wednesday, June 14th, 2017 AT 4:33 AM
Tiny
KEN L
  • MASTER CERTIFIED MECHANIC
  • 55,488 POSTS
Hello,

The pressure switch is on the hose from the compressor, here is a diagram (below) Please let us know if you need anything else to get the problem fixed. CLICK IMAGE BELOW
Was this
answer
helpful?
Yes
No
+11
Friday, June 16th, 2017 AT 11:37 AM

Please login or register to post a reply.