A/C keeps blowing fuse

Tiny
JOEZ1966
  • MEMBER
  • 2006 HYUNDAI SANTA FE
  • 2.3L
  • 6 CYL
  • 4WD
  • AUTOMATIC
  • 143,000 MILES
New compressor, condenser, etc. Re-charged the A/C, keeps blowing the fuse. What next?
Monday, July 15th, 2019 AT 4:07 PM

1 Reply

Tiny
SCGRANTURISMO
  • MECHANIC
  • 4,897 POSTS
Hello,

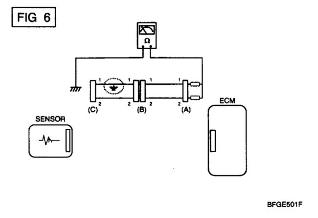
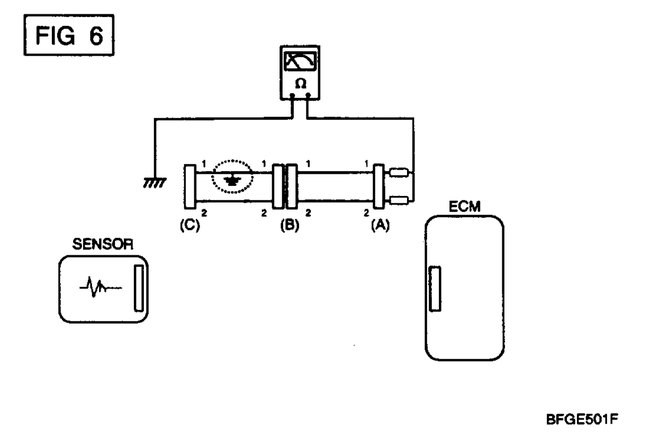
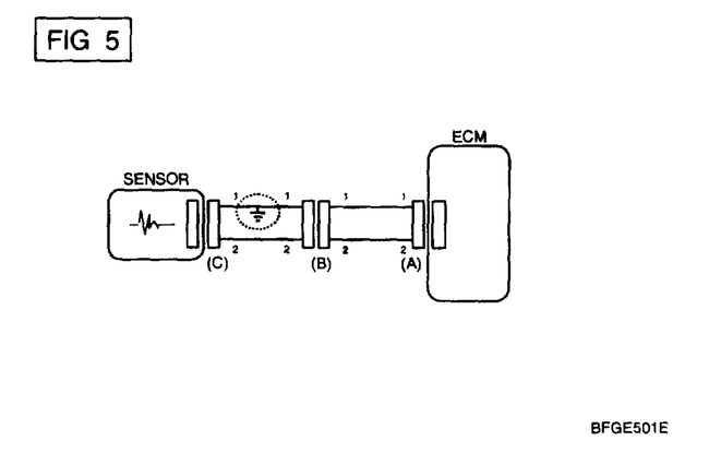
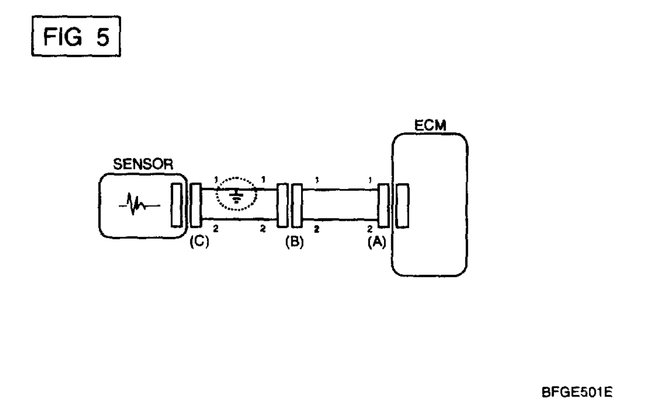
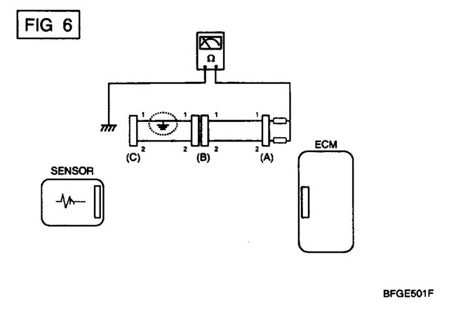
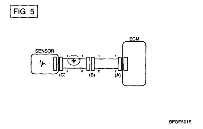
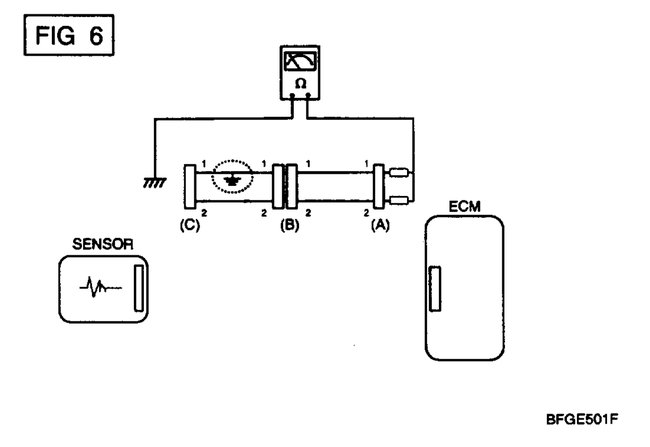
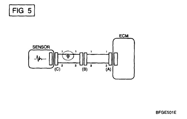
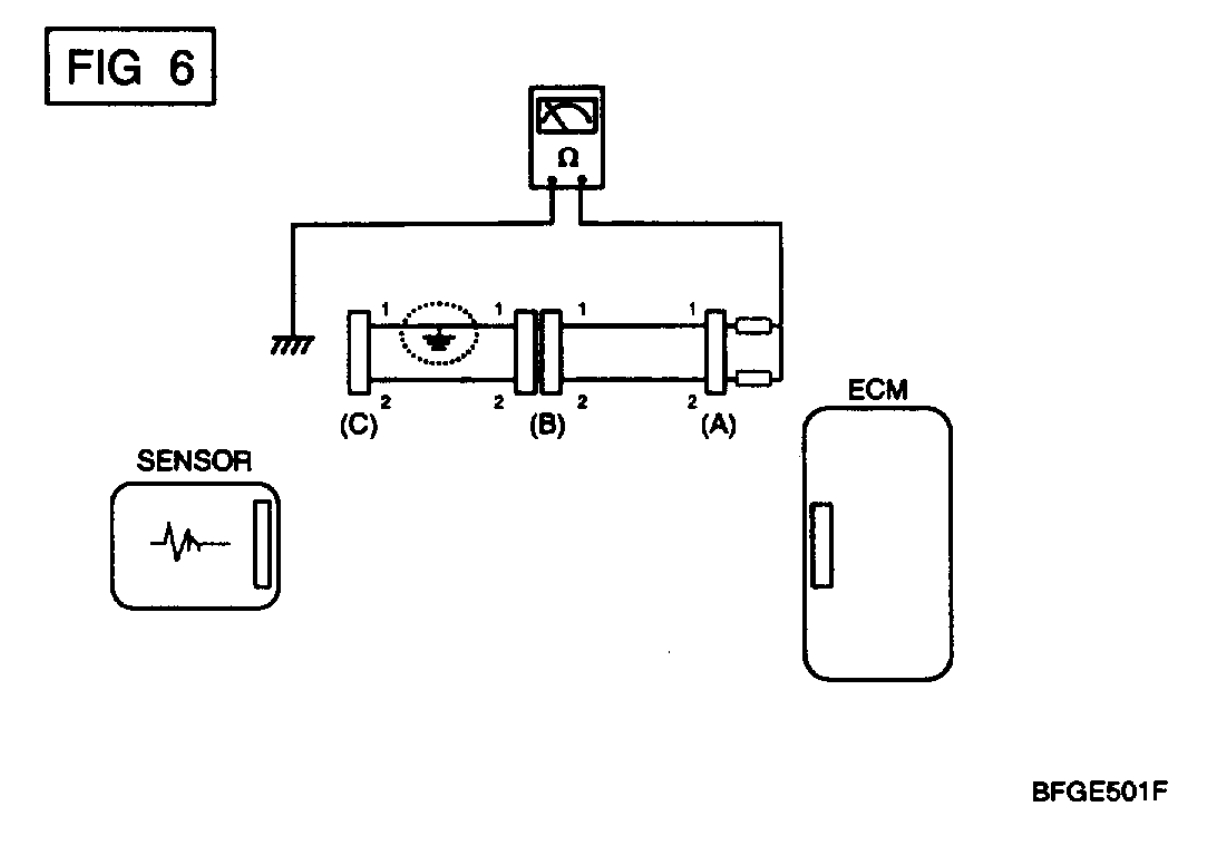
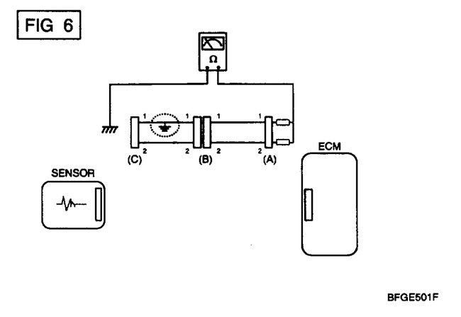
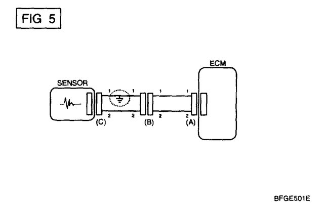
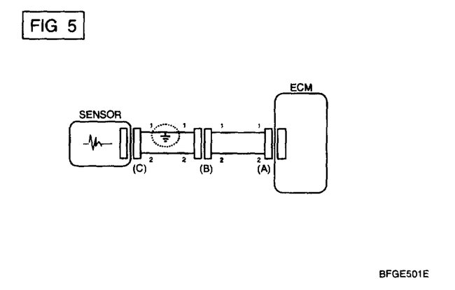
The A/C fuse keeps blowing because you have a short to ground in the circuit that the fuse is protecting. In the diagrams down below I have included a wiring diagram of your vehicle's A/C circuit as well as directions for how to find a short to ground. Please go through these guides and get back to us with what you are able to find out.

Thanks,
Alex
2CarPros
Was this
answer
helpful?
Yes
No
Monday, July 15th, 2019 AT 9:30 PM

Please login or register to post a reply.