Wednesday, November 6th, 2024 AT 8:24 AM
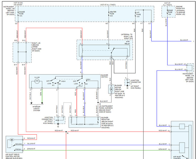
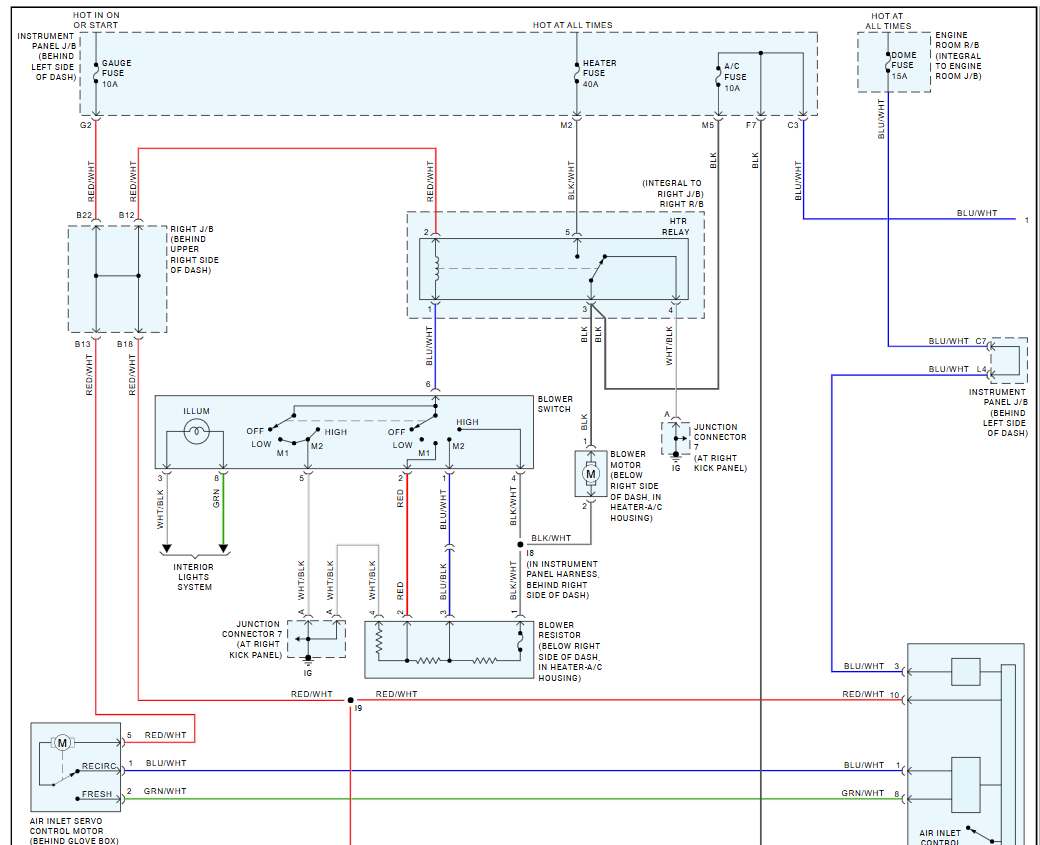
Compressor not coming on. Fan comes on when turning ac knob on. Coolant is full. I can turn the compressor pulley by hand. How can I run the compressor for a sec to see if its okay. I see a small relay marked M/G clutch so I assume its for it. I tried to find another relay similar to it to swap them and see but none are similar. Which pins should I connect with a clip to make the compressor come on? I checked 10-amp fuse under steering and it's good. Checked the power to the grey wire to the connector and there is power. I guess it's a compressor issue.



