Saturday, May 1st, 2021 AT 8:25 AM
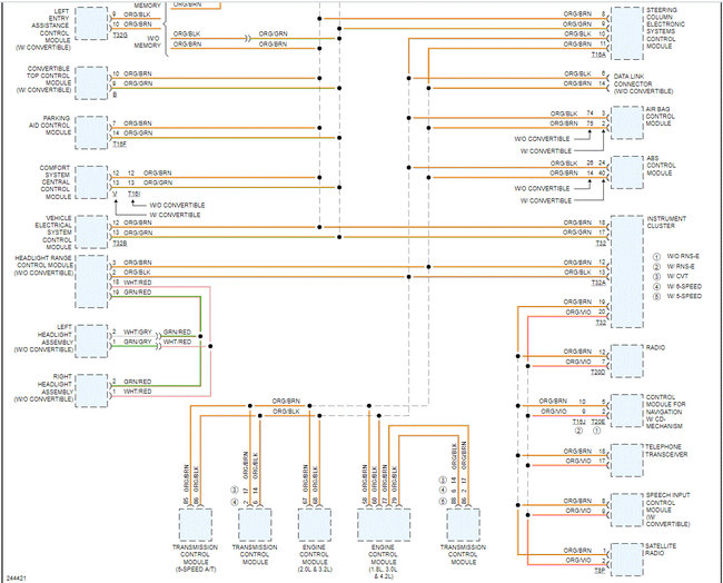
Was purchased in winter, tried ac now and no cold air coming out. Checked Freon level and was okay, fans come on but not as soon as you turn A/C on, but they come on sometime then they go off. Pulled codes 00819 high pressure sensor G65 signal too low, and 01317 instrument cluster control module j285 plz read DTC. Where is the pressure sensor located?








