Thursday, June 20th, 2019 AT 11:34 PM
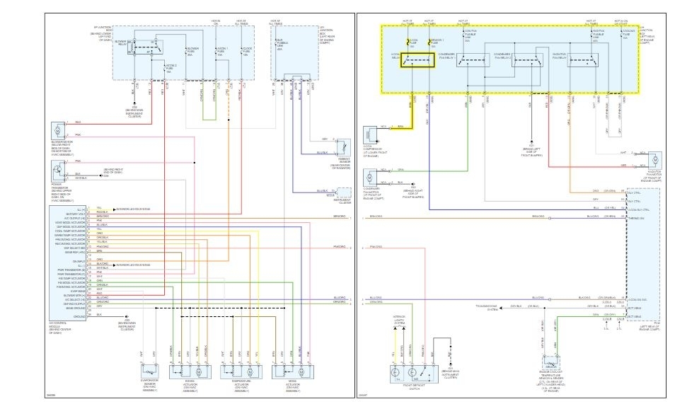
My car's A/C is not getting cold just blowing air. I have it checked with my mechanic friend he said it must be the wiring but he is not sure. Every time he tried to attach a wiring, the fuse explodes. He said it is too complicated to check for we have to take out the whole engine just to check any broken wiring. Anyone can help me please?




